| Классификация заклепочных швов |
Классификация заклепочных швов представлена на рисунке 161.

Рисунок 161 - Классификация заклепочных швов
| Условное изображение клепаных соединений |
Условное изображение и обозначение клепаных соединений деталей регламентируется ГОСТ 2.313-82 «Условные изображения и обозначения неразъемных соединений». Условное изображение клепаных соединений представлены в таблице 14.
Таблица 14 – Условное изображение клепаных соединений
| Вид соединения | Изображение | Условное изображение | |
| в сечении | на виде | ||
| 1. Заклепкой с полукруглой, плоской, скругленной головкой и с полукруглой, плоской, скругленной замыкающей головкой | |||
| 2. Заклепкой с потайной головкой и с полукруглой, плоской, скругленной замыкающей головкой | |||
| 3. Заклепкой с потайной головкой и с потайной замыкающей головкой | |||
| 4. Заклепкой с полупотайной головкой и с потайной замыкающей головкой | |||
| 5. Заклепками специальными | |||
| Соединение деталей методом пластической деформации |
Неразъемные соединения деталей могут быть получены вальцеванием, раскатыванием, раздачей, обжатием и другими методами пластической деформации.
Соединение методами пластической деформации на чертеже обозначается с помощью линии-выноски с указанием названия метода.
Раздача представлена на рисунке 162.

Рисунок 162 - Соединение деталей раздачей
Вальцевание представлено на рисунке 163.

Рисунок 163 - Соединение деталей вальцеванием
Раскатывание представлено на рисунке 164.

Рисунок 164 - Соединение деталей раскатыванием
| Соединение деталей,получаемых сшиванием |
Соединения, получаемые сшиванием, следует изображать на чертежах тонкой сплошной линией и обозначать условным знаком, выполненным сплошной основной линией и нанесением на линии-выноске (рисунок. 165).
Обозначение материала (ниток и т.п.) по соответствующему стандарту или техническим условиям, а также, при необходимости, сведения, характеризующие шов, в том числе количество ниток и размер стежка, следует приводить в технических требованиях чертежа. Ссылку на номер пункта следует помещать на полке линии-выноски, проведенной от изображения шва.

Рисунок 165 - Соединение деталей сшиванием
| Соединение деталей, получаемые при помощи металлических скобок |
Соединение, получаемое при помощи металлических скобок, следует обозначать условным знаком, выполненным сплошной основной линией и нанесенным на линии-выноске. Знаки представлены на рисунке 166.

Рисунок 166 - Условные знаки для обозначения соединений,
поучаемых при помощи металлических скобок
Линия-выноска подводится к соединению со стороны расположения скобок. При изображении ряда металлических скобок следует изображать только крайние скобки, соединяемые между собой сплошной тонкой линией. Соединение, выполняемое по замкнутой линии, следует обозначать окружностью диаметром от 3 до 5 мм, выполняемой тонкой линией. Дополнительные сведения, характеризующие соединение, например, параметры скобки и расстояние между ними, при необходимости, следует приводить в технических требованиях чертежа.
Если соединение образуется несколькими рядами скобок, то на чертеже следует изобразить один ряд, расположенный ближе к краю, а на полке линии-выноски указать количество рядов и расстояние между ними.
Примеры изображения и обозначения соединений, выполненных при помощи металлических скобок сведены в таблицу 15.
Таблица 15 – Примеры изображения соединений, выполненных при помощи металлических скобок
| Соединение | Изображение | Условное изображение |
| 1. С параллельным расположением скобок | ||
| 2. С последовательным расположением скобок | ||
| 3. С параллельным наклонным расположением скобок | ||
| 4. Угловое с параллельным расположением скобок |
| Армированные изделия |
Армированное изделие - это изделие неоднородное по материалу и изготавливаемое с применением неразъемного соединения, получаемого методом опрессовки или другими способами, обеспечивающими монолитную связь (заформовкой в металл и др.).
Армированное изделие состоит из арматуры и оформившегося в пресс-форме материала-наполнителя (рисунок 167).

Рисунок 167 - Армированное изделие
| Правила конструирования армированных изделий |
1. Арматура должна быть надежно закреплена в осевом направлении и застрахована от поворота вокруг своей оси.
2. При использовании в качестве арматуры стержней с резьбой, необходимо избегать заформовки резьбы в деталь.
3. Толщина стенки материала-наполнителя должна быть не менее 4 мм для порошковых и 2 мм - для волокнистых пластмасс.
4. Арматура разделяется на проволочную, листовую, втулочную и стержневую.
Крепление проволочной арматуры представлено на рисунке 168.

Рисунок 168 - Крепление проволочной арматуры
Крепление листовой арматуры представлено на рисунке 169.

Рисунок 169 - Крепление листовой арматуры
Крепление втулочной арматуры представлено на рисунке 170.

Рисунок 170 - Крепление втулочной арматуры
Крепление стержневой арматуры представлено на рисунке 171.

Рисунок 171 - Крепление стержневой арматуры
| Аксонометрические проекции |
Согласно ГОСТ 2.317-69, из прямоугольных аксонометрических проекций рекомендуется применять прямоугольные изометрию и диметрию.
В прямоугольной изометрии размеры предмета по всем трем измерениям сокращаются на 18 %. ГОСТ рекомендует изометрическую проекцию строить без сокращения по осям координат), что соответствует увеличению изображения против оригинала в 1,22 раза.
На рисунках 172 и 173 показано расположение осей в изометрии и диметрии.

Рисунок 172 - Расположение осей в изометрии

Рисунок 173 - Расположение осей в диметрии
При построении прямоугольной диметрической проекции сокращение длин по оси y' принимают вдвое больше, чем по двум другим. В практических построениях вводится масштаб увеличения, равный 1,06, и тогда коэффициенты искажения по осям x' и z' равны единице, а по оси y' вдвое меньше - 0,5.
| Построение окружности в аксонометрии |
При параллельном проецировании окружности на какую-нибудь плоскость П* получаем ее изображение в общем случае в виде эллипса (рисунок 174).

Рисунок 174 - Проецирование окружности на плоскость
ГОСТ 2.317-69 определяет положение окружностей, лежащих в плоскостях, параллельных плоскостям проекций для прямоугольной изометрической проекции (рисунок 175) и для прямоугольной диметрии (рисунок 177).

Рисунок 175 - Изометрические проекции окружностей расположенных в
плоскостях параллельных плоскостям проекций
Построение изометрической проекции окружности показано на рисунке 176. Если изометрическую проекцию выполняют без искажения по осям x, y, z, то большая ось эллипсов 1,2, 3 равна 1,22, а малая ось - 0.71 диаметра окружности. Если изометрическую проекцию выполняют с искажением по осям x, y, z, то большая ось эллипсов 1, 2, 3 равна диаметру окружности, а малая - 0.58 диаметра окружности.

Рисунок 176 - Построение изометрической проекции окружности

Рисунок 177 - Диметрические проекции окружностей расположенных в
плоскостях параллельных плоскостям проекций
Построение диметрической проекции окружности представлено на рисунке 178. Если диметрическую проекцию выполняют без искажения по осям x и z то большая ось эллипсов 1, 2, 3 равна 1,06 диаметра окружности, а малая ось эллипса 1 - 0.95, эллипсов 2 и 3 - 0.35 диаметра окружности. Если диметрическую проекцию выполняют с искажения по осям x и z, то большая ось эллипсов 1, 2, 3 равна диаметру окружности, а малая ось эллипса 1 - 0.9, эллипсов 2 и 3 - 0,33 диаметра окружности.

Рисунок 178 - Построение диметрической проекции окружности
Как бы ни была расположена плоскость окружности, сначала целесообразно построить параллелограмм A*B*C*D* – параллельную проекцию квадрата ABCD, описанного около данной окружности, а затем с помощью восьми точек и восьми касательных вписать в него эллипс. Точки 1, 3, 5 и 7 – середины сторон параллелограмма. На отрезке 3*B*, как на гипотенузе, построить прямоугольный равнобедренный треугольник 3*KB*; из точки 3* радиусом 3*K описать полуокружность, которая пересечет A*B* в точках L и M; эти точки делят отрезок 3*A* и равный ему отрезок 3*B* в отношении 3:7; через точки L и М провести прямые параллельные боковым сторонам параллелограмма, и отметить точки 2*, 4*, 6* и 8* расположенные на диагоналях. Построить касательные к эллипсу в найденных точках. Касательные t 2 и t 6 параллельны BD, а касательные t 4 и t 8 параллельны AC. Получив восемь точек и столько же касательных, можно с достаточной точностью вычертить эллипс (рисунок 179).

Рисунок 179 - Построение эллипса
| Построение аксонометрических изображений |
Переход от ортогональных проекций предмета к аксонометрическому изображению рекомендуется осуществлять в такой последовательности:
На ортогональном чертеже размечают оси прямоугольной системы координат, к которой и относят данный предмет. Оси ориентируют так, чтобы они допускали удобное измерение координат точек предмета. Например, при построении аксонометрии тела вращения одну из координатных осей целесообразно совместить с осью тела (рисунок 180)

Рисунок 180 - Построение аксонометрического изображения
2. Строят аксонометрические оси с таким расчетом, чтобы обеспечить наилучшую наглядность изображения и видимость тех или иных точек предмета.
3. По одной из ортогональных проекций предмета чертят вторичную проекцию.
4. Создают аксонометрическое изображение, для наглядности делают вырез четверти.
| Штриховка в аксонометрии |
Согласно ГОСТ 2.317-68 ЕСКД линии штриховки сечений в аксонометрических проекциях наносят параллельно одной из диагоналей проекций квадратов, лежащих в соответствующих координатных плоскостях, стороны которых параллельны аксонометрическим осям (рисунок 181).

Рисунок 181 - Штриховка в аксонометрии
При нанесении размеров выносные линии проводят параллельно аксонометрическим осям, размерные линии – параллельно измеряемому отрезку.
В аксонометрических проекциях спицы маховиков и шкивов, ребра жесткости и подобные элементы штрихуют.
| Общие требования к чертежам |
ГОСТ 2.109-73 устанавливает основные требования к выполнению чертежей, деталей, сборочных, габаритных и монтажных на стадии разработки рабочей документации для всех отраслей промышленности.
| Общие положения |
При разработке рабочих чертежей предусматривают:
а) оптимальное применение стандартных и покупных изделий, а также изделий, освоенных производством и соответствующих современному уровню техники;
б) рационально ограниченную номенклатуру резьб, шлицев и других конструктивных элементов, их размеров, покрытий и т. д.;
в) рационально ограниченную номенклатуру марок и сортаментов материалов, а также применение наиболее дешевых и наименее дефицитных материалов;
г) необходимую степень взаимозаменяемости, наивыгоднейшие способы изготовления и ремонта изделий, а также их максимальное удобство обслуживания в эксплуатации.
| Чертеж детали |
В соответствии с ГОСТ 2.102-68 чертеж детали – это конструкторский документ, содержащий изображение детали и другие данные, необходимые для её изготовления и контроля.
Изображения (виды, разрезы, сечения, выносные элементы) должны полностью определять геометрическую форму детали. При выполнении чертежа необходимо руководствоваться правилом, что изображений должно быть минимальное количество.
К другим данным, необходимым для изготовления и контроля детали относятся:
- размеры и предельные отклонения ГОСТ 2.307-68;
- требования к качеству поверхности ГОСТ 2.309-73;
- допуски формы и расположения поверхностей ГОСТ 2.308-79;
- нанесение на чертежах обозначений покрытий, термической и других видов обработки ГОСТ 2.310-68;
- сведения о материале, из которого изготовлена деталь (указывают в графе 3 штампа основной надписи);
- и другие технические требования.
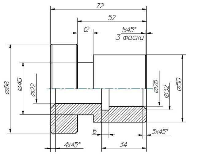
| Конструктивные элементы детали |
Конструктивные элементы детали представлены на рисунках 182 и 183.

Рисунок 182 - Конструктивные элементы детали

Рисунок 183 - Конструктивные элементы детали
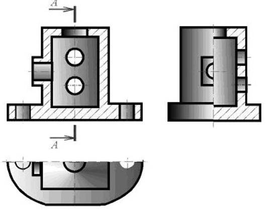
| Выбор главного изображения |
Выполнение чертежа начинают с выбора главного изображения.
Основное требование к главному изображению оно должно передавать наиболее полное представление о форме и размерах детали.
В качестве главного изображения (вида спереди) может быть использован как фронтальный разрез, так и сочетание вида и разреза (рисунок 184).

Рисунок 184 - Главный вид – совмещение вида и разреза
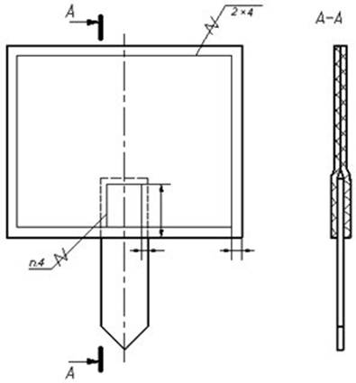
Плоские детали из листового материала изображают в одной проекции, показывающей их контурные изображения, толщина детали указывается условной записью S.... Пример такой детали представлен на рисунке 185.
Для изготовления фасонных деталей из листового материала требуются точные развертки или приближенные заготовки для штампованных деталей с вытяжкой - это плоские детали из листового материала.
Количество изображений (видов, разрезов, сечений) предмета на чертеже должно быть наименьшим, но достаточным для выявления его внешней и внутренней формы и должно давать возможность рационально нанести размеры.
В некоторых случаях одна проекция с соответствующим условным знаком, поставленным у размерного числа, дает полное представление о форме изображенного предмета. Так, например, знак диаметра говорит о том, что изображенный предмет является телом вращения; знак квадрата обозначает, что изображенный предмет имеет форму призмы с нормальным сечением в виде квадрата; слово «сфера», написанное перед значком диаметра говорит о том, что поверхность сферическая; символ "S" (толщина) перед размерным числом заменяет вторую проекцию детали, имеющую форму параллелепипеда и т.д.

Рисунок 185 - Пример изображения изделия из листового материала
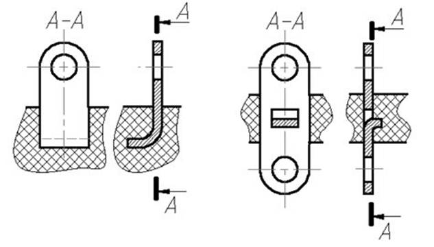
После анализа фоpмы детали, можно опpеделить, какие изобpажения необходимы для исчеpпывающей пеpедачи внешних и внутpенних фоpм этой детали. Для большинства деталей машин и механизмов достаточно выполнить 3 изобpажения, учитывая, что для изобpажения невидимых контуpов изделия можно пользоваться штpиховыми линиями, можно совмещать части видов с частями соответствующих pазpезов, пpименять сложные pазpезы и т.п. Ниже, на рисунках 186 и 187, приведены примеры изображения деталей с необходимым количеством видов, разрезов и сечений на чертеже.

Рисунок 186 - Пример 1изображения деталей с необходимым количеством
видов, разрезов и сечений на чертеже

Рисунок 187 - Пример 2изображения деталей с необходимым количеством
видов, разрезов и сечений на чертеже
| Сборочный чертеж |
В соответствии с ГОСТ 2.102-68 сборочный чертеж – это документ, содержащий изображение сборочной единицы и другие данные, необходимые для её сборки (изготовления) и контроля.
| Требования к сборочному чертежу |
Правила выполнения и оформления сборочных чертежей установлены ГОСТ 2.109-73.
Сборочный чертеж должен содержать:
- изображение сборочной единицы, дающее представление о расположении и взаимосвязи составных частей, соединяемых по данному чертежу, и осуществление сборки и контроля сборочной единицы;
- размеры, предельные отклонения, другие параметры и требования, которые должны быть выполнены или проконтролированы по данному сборочному чертежу;
- указания о характере сопряжения и методах его осуществления, если точность сопряжения обеспечивается при сборке (подборка деталей, их пригонка и т.п.), а также указания о выполнении неразъемных соединений (сварных, паяных и т.д.);
- номера позиций составных частей, входящих в изделие;
- габаритные pазмеpы изделия; установочные, присоединительные и другие необходимые справочные pазмеpы.
| Последовательность выполнения сборочного чертежа |
1. Ознакомиться с устройством, работой и порядком сборки сборочной единицы. Прочитать рабочие чертежи всех деталей, входящих в сборочную единицу, т.е. мысленно представить форму и pазмеpы каждой из них, ее место в сборочной единице, взаимодействие с другими деталями.
2. Выбрать необходимое количество изображений так, чтобы на сборочном чертеже была полностью понятна конструкция изделия и взаимодействие ее составных частей.
Общее количество всех изображений сборочной единицы на сборочном чертеже должно быть всегда наименьшим, а в совокупности со спецификацией – достаточным для выполнения всех необходимых сборочных операций, совместной обработки (пригонки, регулирования составных частей) и контроля.
Главное изображение сборочной единицы должно давать наибольшее представление о расположении и взаимосвязи ее составных частей, соединяемых по данному сборочному чертежу.
3. Установить масштаб чертежа, формат листа, нанести рамку на поле чертежа и основную надпись.
4. Произвести компоновку изображений, для этого вычислить габаритные pазмеpы изделия и вычертить прямоугольники со сторонами, равными соответствующим габаритным размерам изделия.
5. Вычертить контур основной детали (как правило - корпуса, основания или станины). Наметить необходимые разрезы, сечения, дополнительные изображения.
6. Вычертить остальные детали по размерам, взятым с рабочих чертежей деталей, в той последовательности, в которой собирают изделие.
7. Тщательно проверить выполненный чертеж, обвести его и заштриховать сечения.
8. Нанести габаритные, установочные и присоединительные pазмеpы.
9. Нанести линии-выноски для номеров позиций.
10. Заполнить основную надпись.
11. На отдельных форматах (А4) составить спецификацию.
12. Проставить номера позиций деталей на сборочном чертеже согласно спецификации.
Пример оформления сборочного чертежа приведен на рисунке 188.

Рисунок 188 - Прихват гидравлический (сборочный чертеж)
| Спецификация |
В соответствии с ГОСТ 2.102-68 сборочный чертеж – это документ, определяющий состав сборочной единицы, комплекса или комплекта. Спецификация относится к текстовым конструкторским документам и заполняется в соответствии с ГОСТ 2.106-96 «Текстовые документы».
Первый лист спецификации имеет основную надпись (ГОСТ 2.104-2006) по форме 2, а последующие листы - по форме 2а.
Спецификация состоит из разделов, которые располагаются в следующей последовательности: документация, комплексы, сборочные единицы, детали, стандартные изделия, прочие изделия, материалы, комплекты. Наличие их определяется составом изделия.
В спецификацию для учебных сборочных чертежей, как правило, входят следующие разделы (рисунок 189):
1. Документация;
2. Сборочные единицы;
3. Детали;
4. Стандартные изделия;
5. Материалы.

Рисунок 189 - Пример оформления спецификации
Наименование каждого раздела указывается в виде заголовка в графе «Наименование» и подчеркивается тонкой линией. Ниже каждого заголовка оставляется одна свободная строка, выше - не менее одной свободной строки.
1. В раздел «Документация» вносят конструкторские документы на сборочную единицу. В этот раздел в учебных чертежах вписывают «Сборочный чертеж».
2. В разделы «Сборочные единицы» и «Детали» вносят те составные части сборочной единицы, которые непосредственно входят в нее. В каждом из этих разделов составные части записывают по их наименованию.
3. В раздел «Стандартные изделия» записывают стандартные изделия. Запись производят в алфавитном порядке наименований изделий, в порядке возрастания основных параметров или размеров изделия.
4. В раздел «Материалы» вносят все материалы, непосредственно входящие в сборочную единицу. Материалы записывают по видам и в последовательности, указанным в ГОСТ 2.106-96. Материалы записывают в алфавитном порядке наименований материалов.
Графы спецификации заполняют следующим образом. В графе «Формат» указывают обозначение формата. В графе «Поз.» указывают порядковый номер составной части сборочной единицы в последовательности их записи в спецификации. В разделе «Документация» графу «Поз.» не заполняют.
В разделах «Стандартные изделия» и «Материалы» графу «Обозначение» не заполняют. В графе «Наименование» указывают наименование составной части сборочной единицы. Все наименования пишут в именительном падеже единственного числа. Наименование деталей, как правило, однословное. Если же оно состоит из двух слов, то вначале пишут имя существительное, например: «Колесо зубчатое», «Гайка накидная». Наименование стандартных изделий должно полностью соответствовать их условным обозначениям, установленным стандартом, например:
Болт М12*1,25-8g*30.48 ГОСТ 7798-70
В графе «Кол.» указывают количество составных частей, записываемых в спецификацию (сборочных единиц, деталей) на одно изделие, в разделе «Материалы» - общее количество материалов на одно изделие с указанием единиц измерения.
| Эскизы деталей |
В условиях производства и при проектировании иногда возникает необходимость в чертежах временного или разового пользования, получивших название эскизов.
Эскиз – чертеж временного характера, выполненный, как правило, от руки (без применения чертежных инструментов), на любой бумаге, без соблюдения масштаба, но с сохранением пропорциональности элементов детали, а также в соответствии со всеми правилами и условностями, установленными стандартами.
Эскиз, как и чертеж, должен содержать:
- минимальное, но достаточное количество изображений (видов, разрезов, сечений), выявляющих форму детали;
- размеры, предельные отклонения, обозначения шероховатости поверхности и другие дополнительные сведения, которые не могут быть изображены, но необходимы для изготовления детали;
- основную надпись по форме 1 (ГОСТ 2.104-2006).
Эскиз каждой детали выполняется на отдельном форматном листе (ГОСТ 2.301-68).
Имеющиеся на детали дефекты (например, дефекты поковки или литья, неравномерная толщина стенок, смещение центров, раковины, неровности краев и др.) на эскизе не отражают.
Для литых деталей в технических требованиях, помещаемых над основной надписью, записывают неуказанные на чертеже радиусы скруглений и уклоны. В основной надписи чертежа указывается наименование детали в именительном падеже и единственном числе. Если наименование состоит из нескольких слов, вначале ставится существительное, а затем пояснительные слова, например: «Колесо зубчатое».
| Последовательность выполнения эскизов |
При выполнении эскизов и рабочих чертежей следует руководствоваться ГОСТ 2.109-73 "Основные требования к чертежам".
Внимательно осмотреть деталь, уяснить ее конструкцию, назначение, технологию изготовления и определить название. Проанализировать форму детали путем мысленного расчленения ее на простейшие геометрические тела, т.к. любая деталь представляет собой различные сочетания простейших геометрических форм: призм, пирамид, цилиндров, конусов, сфер, торов и т.п.
Определить минимальное, но достаточное количество изображений (видов, разрезов, сечений), необходимых для полного выявления конструкции детали.
Для деталей типа тел вращения, а также для деталей типа валов и втулок с резьбой достаточно одного изображения. Если на таких деталях имеются отверстия, срезы, пазы, то главное изображение дополняют одним или несколькими видами, разрезами, сечениями, которые выявляют форму этих элементов, а также выносными элементами. Для тонких плоских деталей любой формы достаточно одного изображения. Толщину материала указывают на полке линии-выноски с указанием символа "S" (толщины) перед ее цифровым обозначением (рисунок 190).
Особое внимание уделяется выбору главного вида. Он должен давать наиболее полное представление о форме и pазмеpах детали.
Главный вид детали выбивают с учетом технологии ее изготовления. Для деталей типа шкивов, колес главным изображением является фронтальный разрез, его выполняют полностью, это облегчает нанесение размеров. Детали типа винтов, болтов, валиков изготовляют на токарных станках или автоматах, поэтому располагают их так, что ось была параллельна основной надписи.

Рисунок 190 - Примеры дополнительных изображений на эскизах
Выбрать в соответствии с ГОСТ 2.301-68 формат листа, выполнить на нем рамки и основную надпись. Размер формата выбирают в зависимости от сложности и размеров детали, так чтобы было использовано не менее 75% пространства листа. Изображение должно быть таким, чтобы не затруднялись чтение эскиза и простановка размеров.
Наметить тонкими сплошными линиями габаритные прямоугольники для будущих изображений с расчетом равномерного использования поля формата. Провести осевые линии.
Обозначить тонкими сплошными линиями видимый контур детали, начиная с основных геометрических форм и сохраняя на всех изображениях проекционную связь и пропорцию элементов детали. Вычертить тонкими линиями выбранные разрезы и сечения.
Изобразить канавки, фаски, скpугления и т.п. Заштриховать pазpезы и сечения. Обозначить шероховатость поверхностей, руководствуясь ГОСТ 2.309-73. Удалить лишние линии, обвести эскиз, соблюдая соотношение толщины различных типов линий в соответствии с ГОСТ 2.303-68.
Нанести выносные и размерные линии, стрелки, проставить знаки диаметров, радиусов, уклонов и конусности, обозначить pазpезы и сечения. Провести обмер детали и вписать размерные числа.
Заполнить основную надпись и записать технические требования.
Внимательно проверить эскиз и устранить ошибки и погрешности.
| Обмер деталей |
Вообще в машиностроении технические измерения являются одной из важнейших основ производства. Ни одна техническая операция не выполняется без измерения размеров.
Основными инструментами для обмера деталей являются: линейка стальная, кpонциpкуль, нутpомеp, штангенциркуль, микpометp, угломер, pадиусомеp и pезьбомеp (рисунок 191).

Рисунок 191 - Мерительные инструменты
| Виды и типы схем |
В соответствии с ГОСТ 2.701-84 «Схемы. Виды и типы. Общие требования к выполнению» схемы классифицируются по назначению, а также по типу элементов и связей между ними. Наименование и код схем определяют их видом и типом.
Код схемы должен состоять из буквенной части, определяющей вид схемы, и цифровой части, определяющей тип схемы (таблица 16).
Таблица 16 – Виды и типы схем
| Виды схем обозначают буквами: | Типы схем обозначают цифрами: | ||
| электрические | - Э | структурные | -1 |
| гидравлические | - Г | функциональные | -2 |
| пневматические | - П | принципиальные (полные) | -3 |
| газовые (кроме пневматических) | - X | соединений (монтажные) | -4 |
| кинематические | - К | подключения | -5 |
| вакуумные | - В | общие | -6 |
| оптические | - Л | расположения | -7 |
| энергетические | - Р | объединенные | -0 |
| деления | - Е | ||
| комбинированные | - С |
Например, схема электрическая принципиальная - ЭЗ; схема гидравлическая соединений - Г4; схема деления структурная - E1; схема электрогидравлическая принципиальная - СЗ; схема электрическая соединений и подключения - ЭО; схема гидравлическая структурная, принципиальная и соединений - ГО.
Структурные схемы определяют основные функциональные части изделия или процесса, их назначение и взаимосвязи. Этот тип схем применяется наиболее часто, он объединяет схемы, отражающие состав изделий; блок-схемы, определяющие алгоритмы обработки информации; организационно-управленческие схемы и т. п.
Функциональные схемы содержат информацию о процессах, протекающих в объектах. Такие схемы позволяют анализировать возможности вновь разрабатываемых объектов, обосновывать проведение отладки и ремонта.
Принципиальные схемы определяют полный состав элементов объекта и связей между ними, служат основанием для разработки комплекта конструкторской документации на объект.
Схемы соединений отображают только связи между частями объекта, осуществляемые с помощью связующих элементов, с указанием их геометрического положения относительно частей объекта.
Схемы подключений показывают внешние подключения объектов.
Схемы расположения отображают геометрическое расположение элементов объектов относительно друг друга.
Общие схемы составляются с целью наглядного представления информации о составе очень сложных объектов и видах связи между их частями.
| ЗАКЛЮЧЕНИЕ |
Настоящее учебное пособие содержит обобщенные сведения о конструкторских документах и правилах их оформления в соответствии с Единой системой конструкторской документации, необходимые для обучения студентов технических специальностей работе с машиностроительными и строительными чертежами.
Для углубленного изучения вопросов рассмотренных в пособии следует воспользоваться нормативно-технической и справочной литературой.






