Основой большинства электрических машин и аппаратов являются катушки с ферромагнитным сердечником (дроссель). Материал сердечника - электротехнические стали и другие ферромагнитные материалы (пермаллой, ферриты).
Предположим, что катушка с ферромагнитным сердечником присоединена к источнику с напряжением и (рис. 29.1).
При протекании по обмотке тока i создается переменный магнитный поток, часть которого (Ф 0) замыкается по сердечнику, а другая его часть (Ф S) частично замыкается по воздуху. Поток Ф 0 называется основным потоком, а поток Ф S - поток рассеяния.
Основной поток наводит в обмотке ЭДС самоиндукции:
а поток рассеяния ЭДС рассеяния: 
Выберем на схеме положительные направления ЭДС e0 и eS. Если обозначить активное сопротивление обмотки через R, то, используя закон Ома для участка цепи можно написать:
u + e0 + eS = iR;
u = iR - e0 - eS = iR +
- полное уравнение электрического состояния обмотки.
Или u = uа + u0 + uS.
Катушка с ферромагнитным сердечником является нелинейным элементом, поэтому в общем случае, даже при синусоидальном напряжении u,ток, магнитный поток и ЭДС являются величинами несинусоидальными.
|
|
|
Применим метод эквивалентных синусоид, положив тем самым, что ток, магнитный поток и ЭДС являются величинами синусоидальными, а их действующие значения равны действующим значениям несинусоидальных величин. Это позволяет использовать векторные диаграммы и уравнения электрического состояния в комплексной форме.
.
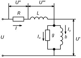
В соответствии с этим уравнением катушку с ферромагнитным сердечником можно представить эквивалентной схемой (рис. 29.2),
где R - активное сопротивление катушки, LS - индуктивность рассеяния. Сама катушка изображена обмоткой, помещенной на сердечнике и имеющей число витков w. Считается, что основной поток замыкается по сердечнику, а поток рассеяния отсутствует.
Мощность, поступающая в цепь катушки, частично расходуется на нагрев проводов обмотки, а частично на перемагничивание сердечника (потери на гистерезис) и на нагрев сердечника (потери на вихревые токи). Все перечисленные потери являются активными.
(adsbygoogle = window.adsbygoogle || []).push({});
Эквивалентная схема отражает этот процесс: активное сопротивление R характеризует потери в меди, а активные потери мощности в сердечнике (потери в стали) отражены ферромагнитным сердечником с идеальной обмоткой. Из-за активных потерь в сердечнике ток в идеальной катушке будет отставать от напряжения на зажимах этой катушки на угол j0.
Векторная диаграмма идеальной катушки представлена на рис. 29.3.
Разложим вектор тока на составляющие
и
:
.
Представим идеальную катушку эквивалентной схемой (рис. 29.4).
|
|
|
Проводимость g 0 характеризует активные потери в стали (на гистерезис и вихревые токи)
Рст = U0Icos j0 = U0Ia = U02g0,
а реактивная проводимость b0 - характеризует основной магнитный поток Ф0, замыкающийся по сердечнику и реактивную мощность
Qст = U0Isin j0 = U0Ip = U02b0.
|
Таким образом, катушку с ферромагнитным сердечником можно представить в виде эквивалентной схемы, где все элементы являются линейными для мгновенных значений напряжения и тока (рис. 29.5). а) параллельная схема; б) последовательная схема.

52) Магнитные потери в катушке с ферромагнитным сердечником, их влияние на ток в катушке. Векторная диаграмма катушки с магнитными потерями
| (adsbygoogle = window.adsbygoogle || []).push({}); |
а) Если BM< Bнаси не учитываются потерь мощности.

б) Если BM> Bнаси не учитываются потерь мощности.
В такой цепи ток не синусоидальный, но совпадает по фазе с магнитным потоком, для построения векторной диаграммы заменяем его эквивалентным синусоидальным - это такой синусоидальный ток, который имеет тоже действующее значение. (Векторная диаграмма такая же).
в) Если BM> Bнас с учетом потерь мощности:


В данном случае ток не синусоидальный и опережает по фазе магнитный поток, заменим его эквивалентным синусоидальным:

Напряжение будет состоять из 3 составляющих:

u’ - составляющая уравновешивающая ЭДС самоиндукции

u’’’ - составляющая потерь в меди μ

u’’’ - составляющая образующая потоки рассеяния



Ia– составляющая потерь в меди
Iμ– намагничивающая составляющая
Согласно векторной диаграмме строится схема замещения катушки, состоящая из двух активных сопротивлений и двух идеальных индуктивностей:

53) Понятие о переходных процессах, причины возникновения. Первый и второй законы коммутации






