Рассмотрим случай, когда в нашей задачи ограничения типа неравенств неактивны, т.е. точка экстремума лежит внутри области на
(Рис 26.1). Это означает, что правая часть соотношения
(4)
становится равной нулю, тогда
(5)
(6),
(7)
- условие Лагранжа, необходимое условие существования экстремума
при наличии ограничений лишь типа равенств.
Условие Лагранжа получается как необходимое условие существования безусловного экстремума функции Лагранжа, имеющей вид
, (8)
где
- неопределенные множители Лагранжа.
Условие (7) как необходимое условие существования условия (8).

Т.о. необходимое условие существования безусловного экстремума
ее дифференцированием по переменным с приравниванием результата к
нулю и дополнением с системой уравнений ограничений типа равенств. Из решения находим
и 

Рис. 26.1.
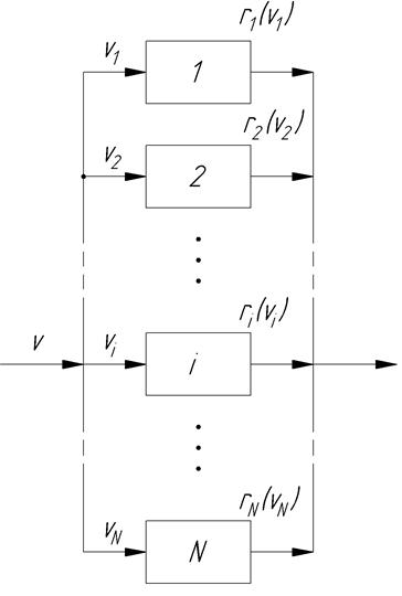
Распределение потоков сырья между параллельно работающим аппаратом.
Рассмотрим задачу распределения сырья в аппарате, неконкретизируя тип аппарата, вид критерия оптимальности. Считаем, что критерий оптимальности является суммой критериев оптимальности каждого аппарата, т.е. критерий аддитивен. (Рис. 26.2)
|
|
|
(1)
(2)
Условие (2) является ограничением в форме равенства в задаче распределения потоков.
Для решения используем метод неопределенных множителей Лагранжа.
(3)
Ищем безусловный экстремум этой функции. Запишем систему необходимых условий существования функции Ф

(4)
(3) и (4) необходимые условие сущ. экстр. 
(5)
Для оптимального распределения потока сырья
критерий оптимальности должен быть аддитивной функцией.

Рис. 26.2.






