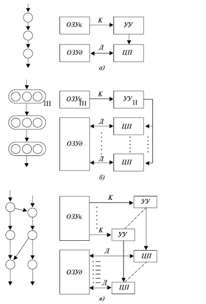
Рабочие станции (PC) и персональные компьютеры (ПК) имеют традиционную архитектуру, ориентированную на последовательные вычисления, т.е. одним потоком команд они обрабатывают один поток данных. Такая организация вычислений была предложена фон-Нейманом и названа его именем. Усложнение решаемых задач и вычислительных алгоритмов САПР привело к внедрению в эту область более высокопроизводительных ЭВМ, организация вычислений в которых основана на множественности потоков команд, обрабатывающих множество потоков данных. Архитектура этих ЭВМ называется параллельной — "не фон-неймановской". По множественности/одиночности потоков команд и данных ЭВМ можно разделить на четыре класса, но на практике используются ЭВМ трех классов. На рис. 6.1 показаны упрощенные структурные схемы трех классов ЭВМ, включающие в себя следующие блоки: ОЗУ команд (ОЗУк), ОЗУ данных (ОЗУд), устройство управления (УУ), центральный процессор (ЦП), а также потоки команд (К) и потоки данных (Д) [7, 16].
ЭВМ класса ОКОД — это традиционные "фон-неймановские" машины с одиночным потоком команд и одиночным потоком данных. К ним относятся PC и ПК. ОКМД ЭВМ — это параллельные компьютеры с одиночным потоком команд и множественными потоками данных. МКМД ЭВМ — это многопроцессорные ЭВМ с множественными потоками команд и множественными потоками данных.
|
|
|
На рис. 6.1а, б, в показаны также соответствующие трем классам ЭВМ алгоритмы организации вычислений. Стрелками в них обозначены потоки команд и данных, кружками — выполняемые операторы. В случае ОКОД ЭВМ используется обычный последовательный алгоритм вычислений.
Для организации вычислений в ЭВМ класса ОКМД применяется последовательно-групповой алгоритм. В этом случае группе выполняемых операторов соответствуют операции над векторными и матричными данными. ОКМД ЭВМ реализуются в виде векторных и матричных ЭВМ. Поскольку производительность таких машин велика, их называют суперЭВМ.
Матричная супер-ЭВМ представляет собой матрицу одинаковых процессорных элементов с собственными локальными ОЗУ, причем каждый из процессоров матрицы выполняет в каждый момент времени одну и ту же команду над разными элементами векторных (матричных) данных. Недостаток матричных ЭВМ — ограниченное количество процессорных элементов в матрице ограничивает производительность ЭВМ: чем длиннее векторы обрабатываемых данных, тем ниже выигрыш в производительности такой матричной супер-ЭВМ перед обычной ОКОД ЭВМ, называемой скалярной машиной.
От этого недостатка свободны векторные супер-ЭВМ класса ОКМД. В отличие от матричной, векторная супер-ЭВМ имеет один процессор, но его аппаратура разбита на отдельные секции. При этом каждая секция обрабатывает элемент векторных данных за один и тот же такт времени своей логической подфункцией, на которые разбивается общая логическая функция, описывающая работу векторного процессора. Элементы векторов передаются от секции к секции с каждым новым тактом времени, формируя таким образом непрерывный конвейер обработки векторов. Секции конвейера называют его ступенями. Такие векторные конвейерные супер-ЭВМ оказываются тем более производительнее по сравнению со скалярными, чем длиннее обрабатываемые векторы. Существенный недостаток векторных супер-ЭВМ — резкое снижение производительности при нарушении непрерывного потока данных, поступающих на вход конвейера.
|
|
|
Поскольку алгоритм организации вычислений для ОКМД ЭВМ имеет специальный вид — последовательно-групповой. ЭВМ этого класса называют специализированными, так как они достигают своей пиковой производительности лишь на определенного класса задачах. В области САПР такие супер-ЭВМ успешно применяются для формирования реалистичных трехмерных графических изображений и решения ряда задач конструкторского проектирования сложных изделий, где требуется обработка векторов и матриц.

Рис. 6.1. Классификация параллельных ЭВМ: а) ЭВМ класса ОКМД; алгоритм последовательно-групповой, в) ЭВМ класса МКМД; алгоритм параллельный, слабосвязанный
Супер-ЭВМ класса МКМД называют суперскалярными высокопараллельными многопроцессорными системами. Поскольку эти ЭВМ реализуют алгоритм вычислений со слабосвязанными множественными потоками команд и данных общего вида, они являются универсальными и обеспечивают выигрыш в производительности по сравнению со скалярными на большинстве задач, решаемых в области САПР. Супер-ЭВМ этого класса имеют множество процессоров, причем каждый из процессоров обрабатывает свои данные под управлением своего потока команд. Наиболее сложной проблемой для таких супер-ЭВМ является синхронизация обмена данными между задачами, запущенными на нескольких процессорах, и синхронизация ожидания одних запущенных задач (процессов) другими.
Аппаратная связь между процессорами МКМД ЭВМ осуществляется тремя способами:
использование общей шины, соединяющей несколько процессоров;
использование общего многопортового ОЗУ, доступного для всех МП;
использование микросхем коммутации перекрестных связей, осуществляющих переключения информационных связей МП между собой по принципу "каждый с каждым".
При наличии общей шины, соединяющей несколько МП, возникают конфликты между МП за право монопольного обмена по шине, что снижает эффективность такой ЭВМ. Этот недостаток привел к тому, что в настоящее время такой вид связи между МП почти не применяется.
Использование общего многопортового ОЗУ предъявляет очень жесткие требования к устройству управления ОЗУ и к надежности самой памяти. Несмотря на этот недостаток, МКМД супер-ЭВМ с общей многопортовой памятью довольно широко используются в САПР.
Наиболее перспективны многопроцессорные комплексы, в которых отдельные МП соединяются друг с другом с помощью коммутаторов перекрестных связей на основе быстро развивающихся КМОП-переключателей.
Поскольку в параллельных ЭВМ трудно теоретически оценить производительность для решения различного класса задач, их производительность оценивается экспериментально с использованием текстовых пакетов и выражается в миллионах операций с плавающей точкой в секунду — Мфлопс.
Параллельные супер-ЭВМ — это уникальные дорогие компьютеры, поэтому они являются ЭВМ коллективного пользования, работающими под управлением ОС с разделением времени. Они оснащены высокоскоростными адаптерами связи с региональными и глобальными вычислительными сетями и связаны с PC разработчиков РЭС с помощью САПР через сетевые каналы связи.
|
|
|
Промежуточным уровнем технических средств САПР между супер-ЭВМ и PC, ПК выступает ЭВМ среднего класса: типа ЕСЭВМ у нас в стране и ES-9000 за рубежом, — либо супермини-ЭВМ типа "Электроника-82" у нас в стране и VAX, MicroVAX — за рубежом. Эти ЭВМ обладают производительностью выше, чем PC и ПК (свыше 5...10 Мфлопс), требуют существенных эксплуатационных расходов, являются компьютерами коллективного пользования с ОС разделения времени и выполняют функции обслуживания внутренних ЛВС фирм и выхода на глобальные и региональные сети при необходимости ведения расчетов на супер-ЭВМ. В последнее время в связи с использованием САПР средними и мелкими фирмами падает спрос на эти дорогостоящие промежуточные ЭВМ на рынке технических средств САПР. В качестве промежуточных звеньев для предоставления сетевых соединений выступают различного рода PC-серверы.
PC-сервер — это PC с расширенным (по объему или номенклатуре) набором периферийных устройств. В качестве одной из задач в ОС такой станции запускается процесс-сервер-программа, обслуживающая пользователей других PС через сеть, предоставляя им периферию данной PC либо сетевое соединение через региональную сеть с супер-ЭВМ. В соответствии с этим различают файл-серверы (PC с дополнительными ВЗУ), серверы сетевой связи (PC с расширенным набором сетевых адаптеров данной ЛВС с другими — ЭВМ-шлюз), вычислительные серверы (PC с повышенной производительностью) и т. д. Все эти PC, ПК и ЭВМ других классов объединяются (комплексируются) для эффективного использования области САПР вычислительными сетями.
Преимущества такого комплексирования заключаются в расширении функциональных возможностей САПР (каждый пользователь в том или ином подразделении имеет доступ к базам данных и программным средствам в других территориально удаленных подразделениях), в оптимизации распределения нагрузки между различными ЭВМ, в коллективном использовании дорогостоящей графической периферии, в повышении надежности функционирования технических средств САПР.
|
|
|
Существует следующая классификация вычислительных сетей:
по топологии связей: радиальные (звездообразные), магистральные, кольцевые, радиально-кольцевые, древовидные, полные (многосвязные);
по составу ЭВМ: однородные и неоднородные;
по способу передачи данных: сети с коммутацией каналов, сообщений или пакетов;
по способу управления: централизованные (с централизованным управлением) и децентрализованные;
по удаленности узлов: локальные (в пределах здания, ряда зданий), региональные (охватывающие регион, область) и глобальные (охватывающие страны и континенты).
Режимы работы технических средств САПР
Состав технических средств базовых конфигураций САПР различных уровней в значительной степени определяется характером проектных задач. Существует взаимосвязь между классом решаемых задач и режимом использования ЭВМ. Рассмотрим задачи, решаемые в САПР, с целью выделения характеристик, определяющих выбор различных режимов работы ЭВМ.
По характеру вычислительного процесса решаемые задачи можно разделить на две основные группы: задачи, решаемые без участия пользователя, и задачи, в процессе решения которых необходимо участие пользователя.
По сложности вычисления задачи бывают:
первой группы: задачи, на решение которых требуется более нескольких минут; задачи, время счета которых измеряется секундами;
второй группы: время взаимодействия с пользователем соизмеримо с временем счета задачи; время решения велико по сравнению со временем диалога.
По объему информации задачи, решаемые в САПР, можно разделить на монопольно использующие основную память ЭВМ и частично использующие основную память ЭВМ.
Исходя из этой классификации решаемых задач САПР можно выделить следующие необходимые режимы работы технических средств:
однопрограммный режим, при котором решаемой задаче доступны все ресурсы ЭВМ;
мультипрограммный режим с фиксированным количеством задач;при таком режиме ОП ЭВМ делится на фиксированное число разделов, которые определены для выполнения одной задачи в каждом; некоторые внешние устройства (ВУ) могут быть назначены для использования несколькими задачами;
мультипрограммный режим с переменным числом задач, все ресурсы ЭВМ общие.
Режим работы технических средств можно классифицировать по удалению проектировщика от основного компонента технических средств:
местный режим, при котором пользователь работает непосредственно у ЭВМ;
дистанционный режим, при котором часть периферийного оборудования связана с процессором канала связи.
Режим работы технических средств можно классифицировать по степени участия пользователя в процессе решения задач:
пакетный режим, когда пользователь составляет задание на выполнение программы, которое в составе пакета заданий запускается для обработки на ЭВМ. Обработка задач производится по очереди. После решения пользователю требуется проанализировать результаты обработки своего задания и подготовить новый вариант, что замедляет отладку и увеличивает время получения окончательных результатов;
режим разделения времени (РРВ), при котором каждой решаемой задаче поочередно выделяется определенный квант времени работы процессора. Пользователь во время сеанса работы за абонентским пунктом, используя средства системы разделения времени (СРВ), может составить, протранслировать, отредактировать программу и приступить к ее выполнению, непосредственно контролируя происходящий процесс. Степень готовности программы зависит от подготовленности пользователя к работе с СРВ.
От выбора правильного режима использования технических средств САПР зависит эффективность эксплуатации технических средств. Поэтому при создании конкретной САПР определенного уровня необходимо провести четкий анализ решаемых задач.
Пакетный режим обработки информации предпочтительнее для задач с большим временем счета и задач, не требующих вмешательства в процесс решения пользователя.
Режим разделения времени удобнее для задач, время счета у которых соизмеримо со временем отклика пользователя на запрос ЭВМ, а также когда необходимо вмешательство пользователя в процесс решения.