
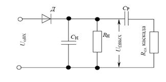
Рис 1 – Электрическая схема амплитудного детектора
Искажения при детектировании сигналов с АМ называют отклонения формы выходного напряжения от огибающей
входных высокочастотных колебаний. Источники искажений при демодуляции АМ-сигналов могут быть следующими:
1. Нелинейные искажения, обусловленные инерционностью детектора. При модуляции, когда постоянная времени разряда
велика, напряжение на нагрузке
падает медленнее, чем огибающая
. Форма напряжения
отличается от огибающей
, что соответствует появлению нелинейных искажений радиовещательного сообщения. Графически изображение появления нелинейных искажений сообщения из-за инерционности детектора проиллюстрировано на рисунке 2.

Рис 2 – Нелинейные искажения в диодном детекторе
2. Нелинейные искажения, обусловленные цепь. Развязки по постоянному току. Нелинейные искажения информационного сигнала могут возникать по причине значительного различия в величине нагрузки для постоянно тока диода и для составляющей звуковой частоты. В схеме детектора присутствует конденсатор
, разделяющий цепь АД и входя и последующего усилителя по постоянной составляющей. При этом параллельно конденсатору
и резистору нагрузки
подключены соединенные последовательно
и
. В случае выбора большой емкости конденсатора
и малого сопротивления резистора
время разряда конденсаторов
и
возрастает. Это происходит из-за того, что заряд большой емкости
через сопротивление источника сигнала (высокое сопротивление предыдущего каскада), открытый диод
и резистор
будет происходить быстрее через сопротивление нагрузки
и резистор
. Уменьшение скорости разряда конденсаторов
и
может привести к нелинейным искажениям радиовещательного сообщения.
3. Линейные искажения. Вследствие инерционности нагрузки детектора возможны и линейные искажения, так как ее полное сопротивление падает при увеличении модулирующей частоты. При неизменном внутреннем сопротивлении детектора это приводит к уменьшению коэффициента передачи АД. Линейные искажения в реальных условиях малы, если постоянная времени нагрузки выбрана в соответствии с условием
.
Вопрос 5: Рассчитать чувствительность приемника, если отношение сигнал/шум на выходе его линейной части должно быть равно 20дБ, а уровень шумов источника составляет 0.2 мкВ. Коэффициент шума приемника равен 5.
;
;
.
Решение:
- коэффициент шума приемника;
Выразим отсюда чувствительность приемника:

Отсюда получим:

Вопрос 6: Представьте электрическую принципиальную схему входной цепи с емкостной связью с антенной. Укажите ее достоинства и недостатки. Объясните характер зависимости коэффициента усиления К0 (f0) и полосы пропускания П(f0) при изменении частоты f0 от f0 мин до f0 макс. Считайте, что эквивалент малоэффективной антенны представляет собой последовательное соединение емкости антенны Са и эдс ЕА, входная цепь нагружена на бесконечно большое входное сопротивление полевого транзистора.

Достоинство данной схемы состоит в том, что она очень простая.
Недостатки:
· Емкость конденсатора связи Ссв с антенной должна быть маленькой, чтобы в параллельный контур не вносилось Са
· Частотно зависимый коэффициент передачи, его большая неравномерность.
Представим зависимости коэффициента усиления и полосы пропускания от частоты:

Вопрос 7: Перечислите виды и причины нелинейных искажений в усилителе радиочастоты радиоприемного устройства при воздействии помех. Какие параметры помех влияют на величину нелинейных искажений?
В связи с использованием усилительных приборов: ламп, транзисторов (полевых и биполярных) др., обладающих нелинейными характеристиками, возникают нелинейные искажения. Основная причина их возникновения - воздействие уровня сигнала (помех) обусловленные внешними и внутренними помехами.
Из наиболее распространенных выделяются:
1. Сжатие (десжатие). Непропорциональное изменение полезного выходного сигнала несущей частоты от его амплитуды на входе. Выходной сигнал определяется выражением:
,
где K 1 – линейный коэффициент передачи;
K сж – коэффициент сжатия передачи;
U вх – амплитуда входного сигнала.
,
2. Блокирование (деблокирование). Изменение амплитуды несущей сигнала на выходе линейного тракта приемника под действием немодулированной помехи. Уменьшение (блокирование), увеличение (деблокирование). Частота помехи, как правило, находится вне полосы спектра полезного сигнала.
,
где
,
3. Перекрестные искажения. Перенос огибающей (модуляции) помехи на полезный сигнал.
,
где M – коэффициент перекрестной модуляции
,
m – глубина перекрестной модуляции.
4. Амплитудно-фазовая конверсия (собственная, перекрестная). Изменение фазы выходного полезного сигнала, обусловленной входной амплитудой полезного (собственная) или мешающего (перекрестная) сигналов.
, 
5. Интермодуляционные искажения. Прием двух и более сигналов, комбинации которых равны гармоническим составляющим полезного сигнала.
2-го порядка;
3-го порядка.
6. Вторичная модуляция. Возникновение паразитной модуляции по цепям источника питания приемного устройства, обусловленной недостаточной фильтрацией тока переменной частота. Например, 50 Гц сети переменного тока.






