В супергетеродинном приемнике в преобразователе частоты спектр принимаемого сигнала переносится на сигнал промежуточной частоты fПР: fПР=fГ – fC.
Усилитель промежуточной частоты УПЧ в приемнике выполняет две функции: обеспечивает необходимую чувствительность и требуемую избирательность по соседнему каналу. Это легко реализуется на фиксированной и достаточно низкой промежуточной частоте. Величина промежуточной частоты для трактов АМ радиовещательных приемников составляет465кГц, для трактов ЧМ – 10,7МГц. Необходимость использования преобразователя частоты упрощает точную настройку на принимаемую станцию в диапазоне рабочих частот и обеспечивает удовлетворительную селективность по соседнему каналу на fПР с помощью фильтра сосредоточенной селекции (ФСС).
Преимущество использования супергетеродинного приемника заключается в следующем:
1. Усиление сигналов на пониженной промежуточной частоте упрощает реализацию коэффициента усиления при приеме КВ, УКВ и СВЧ длин волн.
2. Понижение частоты обработки сигналов позволяет получить высокие избирательные параметры по отношению к соседнему каналу.
3. Благодаря фиксированной настройке УПЧ не нуждается в регулируемых элементах, чем значительно упрощается конструкция.
4. Селективные свойства радиоприемника не изменяются при настройке его на различные волны диапазона и переключении на другие диапазоны длин волн.
5. Усиление радиосигнала на различных частотах значительно снижает опасность возникновения паразитных обратных связей между выходными и входными устройствами. Это также позволяет упростить конструкцию радиоприемника в целом.
6. Значительно упрощается осуществление различных автоматических и ручных регулировок в радиоприемнике – полосы пропускания и избирательности, усиления, частоты и др.
Вопрос №17: Представьте принципиальную схему входной цепи с индуктивной связью с антенной. Объясните характер зависимости резонансного коэффициента усиления К0 (f0) и ее полосы пропускания П (f0) при изменении резонансной частоты f0 в диапазоне f0 мин – f0 макс для fа< f0 мин и fа > fо макс. Считайте, что входная цепь нагружена на бесконечно большое входное сопротивление полевого транзистора. Чем определяется резонансная частота антенны?
Входные цепи диапазонных радиоприемных устройств используют ненастроенную антенну, т.е. резонансная частота антенной цепи лежит вне диапазона рабочих частот, поэтому далее приведена схема и представлен анализ входной цепи с ненастроенной антенной.

Рис.1 - Схема входной цепи с индуктивной связью с антенной.
Индуктивная связь входной цепи с антенной (рис.1) может работать в режиме удлинения, когда резонансная частота антенной цепи меньше минимальной частоты (fa < fc), т.е.
или в режиме укорочения, когда резонансная частота антенной цепи больше максимальной частоты рабочего диапазона (fa > fc), т.е
. В большинстве случаев, когда необходимо обеспечить минимальную зависимость резонансного коэффициента передачи от частоты настройки, используют режим удлинения.


Рис. 2 − Зависимости резонансного коэффициента передачи входной цепи с индуктивной связью с антенной в режиме удлинения (а) и укорочения (б)
По мере приближения к резонансу вносимое сопротивление увеличивается и полоса пропускания расширяется.
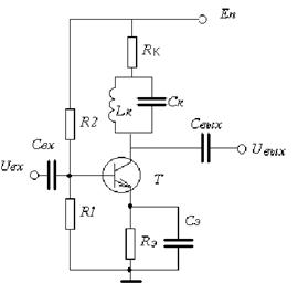
Вопрос 18: Представьте принципиальную схему резонансного усилителя. Объясните влияние проводимости обратной связи (Y12) на величину коэффициента усиления, ширину полосы пропускания и на форму амплитудночастотной характеристики.
Принципиальную схему резонансного усилителя.

Здесь Свх и Свых – обычные разделительные конденсаторы, R1 и R2 – резисторы базовой цепи, Rэ и Сэ – элементы обратной связи по постоянному току (для термостабилизации), Rк – сопротивление коллектора и Lконт и Сконт – элементы резонансного контура.
Коэффициент усиления резонансного усилителя: 
Проводимость обратной связи: Y12=wCк отрицательная обратная связь, что приводит к уменьшению коэффициента усиления, увеличению ширины полосы пропускания, расширение АЧХ.

Вопрос 19: Какие условия необходимо обеспечить для получения максимального коэффициента преобразования, если используется преобразующий элемент с линейной BAX при U>Eотс, Eотс>0? Поясните графически свои утверждения.
Изобразим линейную характеристику ВАХ.

Сразу из рисунка видно, что для получения максимального коэффициента преобразования, необходимо выполнения условия:
1.напрежение смещения должно равно быть напряжению отсечки.
Построим производную функции ВАХ:

Вторым условием будет; надо обязательно, чтобы Uг было намного больше Uc(Uг>>Uc) для эффекта преобразования.
Вопрос 20: Объясните назначение элементов схемы последовательного диодного детектора амплитудно модулированных колебаний. Объясните влияние величины емкости нагрузки (включая случай отсутствия емкости) на коэффициент передачи линейного детектора.
Электрическая принципиальная схема последовательного детектора сигналов с амплитудной модуляцией представлена на рисунке 1:

Рис 1 Электрическая принципиальная схема последовательного
детектора сигналов с амплитудной модуляцией
Принцип работы детектора заключается в следующем:
На вход детектора поступает модулированный сигнал высокой частоты. Продетектированный сигнал выделяется при нагрузке Rн, Сн, затем через Ср поступает на вход следующего каскада Rсл.
При использовании в качестве детектора нелинейный элемент (диод), на вход которого действует сигнал,
(1)
Вследствие нелинейности НЭ входной и выходной токи представляют постоянной и гармонических составляющих.
Постоянная составляющая выходного тока повторяет знаки модулированного сигнала:
(2)
Поскольку его величина
прямо пропорциональна огибающей входного сигнала, такой режим такой режим детектирования называют линейным.
Напряжение сигнала постоянной составляющей и закон модуляции выделяется на нагрузке детектора и имеет вид:
(3)
Роль линейного фильтра низких частот RC состоит в выделении низкочастотной составляющей и в подавлении высокочастотных составляющих тока через нелинейный элемент. Постоянная времени цепи нагрузки детектора
должна быть:
(4)
При отсутствии СН не будет выделение огибающей модулируемого сигнала, т.к. токи несущего колебания и его гармоники не будут замыкаться через конденсатор СН, вызывая падение напряжения на сопротивлении RН. Правая часть выражения (4) обусловлена тем, чтобы низкочастотное напряжение на нагрузке успевало следовать за изменением огибающей АМК. Если постоянная времени цепи нагрузки слишком велика, возникают характерные искажения продедектированного напряжения, приводящие к появлению сильных нелинейных искажений.
Эффективность детектирования (коэффициента передачи) определяется выражением:
(5)
Для немодулированного сигнала: 
Для АМ – сигнала:
, где m – коэффициент модуляции;