В механических цехах применяют три способа снабжения станков СОЖ; Централизованно-циркуляционный централизованно-групповой и децентрализованный.
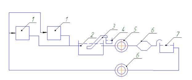
Централизованно-циркуляционный способ применяют для цехов с большим числом станков, потребляющих одинаковые жидкости. Наиболее универсальной СОЖ, применяемой при различных методах обработки заготовок из разных металлов, является Укринол 1М. При централизованно-циркуляционном способе в состав подсистемы входит центральная корпусная станция для приготовления, регенерации и утилизации СОЖ (рис. 15)

Рис. Схема централизовано-циркуляционной системы снабжения станков охлаждающей жидкостью:
1 – станок; 2 – бак-отстойник; 3 – пластинчатый конвейер; 4 – приемник для шлама; 5 – насос; 6 – фильтр; 7 – бак для отчистки жидкости.
Централизованно-групповой способ характеризуется тем, что охлаждающие жидкости попадают по трубопроводам из центральной установки к разборным кранам, установленным на участках. В процессе управления станка используется автономная система охлаждения станка, которая ежесуточно пополняется из разборных кранов для восполнения потерь жидкости вследствие ее разбрызгивания, уноса со стружкой о обработанной заготовкой. Способ применяют для цехов с большим числом станков использующих разные жидкости.
|
|
|
Для небольших цехов используют децентрализованную систему снабжения, при которой жидкости на отделения СОЖ доставляют к станкам в таре и так же удаляют отработанную жидкость.
Площадь отделения для приготовления и раздачи СОЖ составляет 40 – 120 м2 при числе станков 50 – 400.
Учитывая пожарную опасность, отделения для приготовления и раздачи СОЖ и склад масел располагают у наружной стены здания с отдельным наружным входом.






