Особая трудность в отношении нормирования точностных требований к зубчатым передачам заключается в том, что эти детали являются сложными по своей геометрической форме, а кроме того, они являются элементами кинематической цепи. Поэтому и необходимо учитывать при нормировании, что их основное служебное назначение — передача движения с одного вала на другой при необычной геометрической форме.
Требования к характеристикам передаваемого движения оказываются не одинаковыми для всего многообразия зубчатых передач. Так, для передач в счетно-решающих машинах, в кинематических цепях металлорежущих станков основное требование к зубчатой передаче — это обеспечение точности углов поворота за полный оборот колеса. Для зубчатых передач в автомобилях, редукторах станков одним из основных показателей является плавность работы, т.е. минимальный шум, а это происходит из-за точности вращения колеса за малые углы его поворота, т.е. из-за непостоянства передаточного отношения в пределах оборота.
|
|
|
Для зубчатых колес в подъемных машинах, лебедках не так важно, какова будет точность угла поворота в пределах оборота или на малых углах поворота, как важно, чтобы сопрягаемые зубья касались при зацеплении как можно больше своей поверхностью, т.е. обеспечивали хороший контакт рабочих поверхностей.
Специфические требования возникают к зубчатым передачам, работающим в условиях высоких температур, а также к так называемым реверсивным передачам, направление вращения которых регулярно переключается. Для таких передач очень важным является требование к боковому зазору, так как подавляющее большинство зубчатых колес работают по одной стороне профиля, а по другой стороне, т.е. по нерабочим поверхностям зубьев, должен обеспечиваться (гарантированный) зазор, так называемый боковой зазор.
Таким образом, в зависимости от области применения зубчатых передач к ним могут быть предъявлены различные требования (критерии) в отношении точности: требования в отношении точности за один поворот, в пределах одного оборота, или требования постоянства точности контакта по сопрягаемым поверхностям, или требования к обеспечению необходимого бокового зазора.
Используются диаметры применяемых колес размером от нескольких миллиметров до 5-6 метров. Работают они со скоростью от одного оборота за несколько часов, до скорости, превышающей 100 м/с, к тому же должны работать без больших вибраций и шума. Обрабатываются зубчатые колеса различными способами, а следовательно, возможны разные виды погрешности при разных методах обработки.
Все эти особенности необходимо было учесть при нормировании требований к точности. Поэтому должно быть ясно, с какими трудностями приходится сталкиваться не только при разработке, но и при использовании норм точности на зубчатые колеса и передачи. В нормах точности учитываются и все размеры зубчатых колес, и разные области их применения, а также возможности измерений.
|
|
|
Исходя из необходимости правильного нормирования требований к точности зубчатых колес для обеспечения разнообразных эксплуатационных требований в нормативных документах по точности колес и передач установлены (нормируются) четыре группы почти независимых требований, которые названы нормами точности.
Нормы точности на зубчатые колеса и передачи представляют собой набор требований к точности геометрических и кинематических параметров зубчатых колес и передач для оценки этой точности в отношении определенного эксплуатационного признака.
Называются эти нормы:
1) нормы кинематической точности,
2) нормы плавности работы,
3) нормы контакта зубьев,
4) нормы бокового зазора.
В нормах кинематический точности нормируются требования к точности таких геометрических и кинематических параметров колеса и передачи, погрешность которых влияет на погрешность передаточного отношения за полный оборот колеса, т.е. характеризует погрешность в угле поворота за один его оборот по сравнению с тем, если бы вместо него находилось абсолютно точное колесо.
Это требование особенно важно для зубчатых колес в передачах с точным передаточным отношением, например, в кинематических цепях станков, в делительных механизмах и т.д.
В нормах плавности работы нормируются требования к точности таких геометрических и кинематических параметров колеса и передач, погрешность которых также влияет на кинематическую точность, но эта погрешность проявляется многократно за один оборот колеса, т.е. один или несколько раз на каждом зубе. Эти требования имеют наибольшее значение для передач, работающих на больших скоростях, поскольку такие погрешности являются источником ударов, приводящих к появлению шума и вибраций.
В нормах контакта нормируются требования к таким геометрическим и кинематическим параметрам колес и передач, погрешность которых влияет на поверхность касания при вращении зубьев сопрягаемых колес.
Требования к контакту поверхностей имеют особо важное значение для передач, передающих большие нагрузки.
В нормах бокового зазора нормируются требования к таким параметрам колес и передач, которые влияют на зазор по нерабочим профилям при соприкосновении по рабочим профилям.
Эти нормы важны для передач, работающих в тяжелых температурных условиях, при большой загрязненности, для реверсивных передач.
5.2.2. Степени и нормы точности, виды сопряжений
Если внимательно прочесть приведенные определения в отношении норм точности, то можно заметить, что первые три группы норм (кинематической точности, плавности работы и полноты контакта) относятся к характеристике процесса вращения, а четвертая норма (боковой зазор) не характеризует точности вращения колес и передач, поскольку нормируются требования к нерабочим профилям.
Поэтому при нормировании точности зубчатых колес принято давать единые ряды точности для первых трех норм точности, т.е. характеризующим процесс зацепления, но на разные параметры. Эти ряды точности названы степенями точности (термин "степень точности" идентичен "классу точности", "квалитету" — все они обозначают ряды точности).
"Передачи зубчатые цилиндрические. Допуски" нормируется 12 степеней точности для эвольвентных зубчатых колес и передач с диаметром колес до 6300 мм, модулем от 1 до 55 мм. Чем меньше номер степени точности, тем точнее колесо или передача (меньше допуски).
|
|
|
Оригинальным в этом стандарте и в ранее существующих государственных стандартах является то, что хотя и говорится о 12 рядах точности, но числовые значения даются для степеней точности от 3 до 12, а степени точности 1—2 оставлены для будущего развития, чтобы не вводить, как это мы видели в других стандартах, ряды точности с обозначением "0", "01" или "00" и т.д.
Практически невозможно найти колесо, чтобы от него требовался одинаковый уровень точности и в отношении точности вращения за полный оборот, и в отношении точности вращения за доли оборота (плавность), и в отношении контакта. Обычно одно из этих требований является доминирующим. Поэтому при нормировании допускается (и этим необходимо, как правило, пользоваться) так называемое комбинирование разных степеней точности по нормам кинематической точности, плавности работы и контакта. Этим самым можно, например, принять по нормам кинематической точности 7-ю степень, а по плавности работы более точную 6-ю степень для колеса и передачи, у которых должна быть обеспечена плавность работы.
Таким образом, если в ранее рассмотренных соединениях, как правило, для детали устанавливалось точностное требование единого уровня, то для зубчатых колес, в принципе, может быть установлено четыре уровня точности (частично с этим мы имели дело в резьбовом соединении, когда поле допуска на средний диаметр могло отличаться от поля допуска на поверхность выступов, которая не участвует в сопряжении). При комбинировании степеней из разных норм существуют определенные ограничения из-за невозможности практического изготовления колес и передач при большой разнице в степенях точности по разным нормам, т.е. разным эксплуатационным показателям.
Зубчатая передача может быть очень точной по указанным выше степеням точности, т.е. по параметрам зацепления, но очень грубой (с большими допускаемыми отклонениями) в отношении бокового зазора. Таким образом, нормы на боковой зазор не должны быть связаны с точностью зацепления, хотя отдельные рекомендации и взаимосвязи этих норм с нормами плавности в стандарте даются, поскольку невозможно сделать грубую передачу с малым боковым зазором. На практике может возникнуть необходимость в самых разнообразных сочетаниях между точностью вращения (степень точности) и точностью по боковому зазору. Поэтому в стандарте дается набор показателей (ряды точности), относящиеся к боковому зазору; некоторые из них разрешается изменять, т.е. брать не по стандарту. Коротко говоря, нормируемая точность по боковому зазору носит рекомендательный характер.
|
|
|
Основным показателем бокового зазора в стандартах указывается гарантированный боковой зазор — это наименьший зазор, который получается при выполнении требований к колесу пары, которые нормируют в стандарте (jn min). Этот показатель может нормироваться для передач с регулируемым межосевым расстоянием. При проектировании передач гарантированный зазор является исходным значением для выбора требований к параметрам колеса и передачи, определяющим этот зазор. Поскольку этих параметров существует несколько и нормы на них не могут быть одинаковыми, то в стандарте нормируется ряд, состоящий из шести групп точности, которым дано название виды сопряжений и введены условные обозначения: Н, Е, В, С, В, А (Н — гарантированный зазор равен нулю, А — наибольший боковой зазор). Можно считать, что виды сопряжения — это первый ряд (основной) точности для нормирования наименьшего (гарантированного) бокового зазора.
В связи с тем, что на значение бокового зазора оказывает влияние межосевое расстояние передачи, а не только параметры колес, в стандарте установлены ряды точности, состоящие из шести классов отклонений межосевого расстояния, обозначенных римскими цифрами с I по VI в порядке убывания точности (это можно считать вторым рядом точностей по боковому зазору). Гарантированный боковой зазор обеспечивается при соблюдении для сопряжений Н и Е класса II по межосевому расстоянию, а для сопряжений D, С, В и А классов III, IV, V и VI соответственно. Стандарт разрешает изменять указанные соответствия, т.е. ряды являются рекомендуемыми.
Приведенный принцип нормирования направлен на обеспечение гарантированного (наименьшего) бокового зазора. Наибольшее предельное значение бокового зазора и его колебание в разных передачах одной точности стандарт непосредственно не нормирует, а ограничивает также условными видами допусков на боковой зазор, обозначенных буквами h, d с, b, а, z, у, х в порядке возрастания допуска. Эти нормы являются третьим рядом точности нормирования бокового зазора.
Назвали мы их условными потому, что допуск на боковой зазор или наибольшее значение зазора непосредственно в стандартах не устанавливается, а виды допусков на боковой зазор так же как и виды сопряжений относятся к группе параметров колес, размеры которых влияют на значение зазора и на которые установлены допуски. При этом в нормах, содержащих в рядах виды сопряжений и виды допусков, нормируются требования к одним и тем же параметрам колеса, для обеспечения требований в отношении минимального (гарантированного) зазора задается отклонение параметров от номинального значения (в "тело" колеса, т.е. в минус), а для ограничения максимального зазора и его колебания — допуск (в "тело" колеса) на этот же параметр. Более ясно это будет видно при рассмотрении этих параметров. Стандарт устанавливает, что видам сопряжений Н и Е должен соответствовать вид допуска h, а видам сопряжений D, С, В и А — виды допусков d, с, b и а соответственно. Однако это соответствие можно изменять и использовать виды допусков х, у, z, т.е. и эти ряды точности имеют рекомендательный характер.
Сказанное о двух группах норм точности бокового зазора условно изображено на рис. 5.7, а пояснения даны в подписи к рисунку.

Рис. 5.7. Схема расположения отклонений и допусков,
образующих боковой зазор:
Б 1 и Б 2 — отклонения параметров колеса и шестерни,
образующих минимальный зазор fnmin (нормируется группа параметров по видам сопряжений А, В, С, Е, Н);
Т 1 и T 2 —допуски на параметры колеса и шестерни,
определяющие максимальный зазор fnmax (нормируются
допуски группы параметров по видам допусков х, y, z, а, b, с, d, h)
5.2.3. Условные обозначения требований к точности
зубчатых колес и передач
Если подвести итог сказанному, то можно считать, что точность колеса и передачи характеризуется (а следовательно, это должно найти отражение и в условном обозначении) степенью точности по трем эксплуатационным показателям вращения (кинематической точности, плавности работы и полноты контакта), видом сопряжения, видом допуска и классом межосевого расстояния — для указаний требований к необходимому боковому зазору. Более того, бывают случаи, когда надо указывать значение бокового зазора, если класс межосевого расстояния принят грубее, чем это рекомендовано стандартом, так как нормы на боковой зазор носят рекомендательный характер.
Некоторым неудобством является то, что обозначения передачи и колеса одинаковы, т.е. по внешнему виду нельзя понять, обозначена ли точность колеса или передачи.
Пример наиболее полного условного обозначения точности: 8-7-6 -Са/V- 128. Оно означает, что задана 8-я степень в отношении кинематической точности, 7-я степень в отношении плавности работы, 6-я степень в отношении контакта. Боковой зазор при межосевом расстоянии, указанном на чертеже, должен быть не более 128 мкм, вид сопряжения зубчатых колес С, вид допуска на боковой зазор "а" и класс отклонений межосевого расстояния V (а рекомендуется по стандарту IV класс, поэтому и указано значение бокового зазора).
Пример самого краткого обозначения: 8-С. Оно означает, что передача (колесо) имеет 8-ю степень точности по всем трем нормам, характеризующим точность вращения (т.е. по кинематической точности, плавности работы и полноте контакта), вид сопряжения С и используются рекомендуемые стандартом соответствия между видом сопряжения и видом допуска по боковому зазору, а также между видом сопряжения и классом отклонения межосевого расстояния (вид допуска " с ", класс межосевого расстояния IV). Все другие обозначения являются промежуточными между самым подробным и самым коротким.
Наиболее часто используются обозначения, содержащие раздельные степени точности, например 8-7-6-Ва.
Возможен случай, когда конструктору совершенно безразлична степень точности по какой-либо из норм точности по зацеплению, тогда вместо конкретного номера степени указывается буква N, например 8 -N- 6 - В. Это означает, что конструктор не устанавливает требования к точности в отношении плавности работы. По приведенным требованиям можно предполагать, что это, видимо, относится к тихоходной высоконагруженной передаче, для которой важно обеспечение контакта (6-я степень) с тем, чтобы рабочие поверхности соприкасались на больших площадках. Однако это не означает, что плавность работы будет грубой, поскольку по характеру обработки зубчатых колес невозможно будет обеспечить 8-ю степень по нормам кинематической точности и 6-ю по полноте контакта при грубых показателях по плавности работы.
Прежде чем рассмотреть параметры, с помощью которых нормируется точность зубчатых колес и передач, надо обратить внимание на особенность набора этих нормируемых параметров. В каждой из норм точности дается набор параметров, значительно больший, чем это требуется для оценки нормируемых эксплуатационных свойств. Другими словами, в нормах точности нормируются требования к параметрам, которые дублируют друг друга по выявляемым свойствам. Поэтому при нормировании точности возникает необходимость выбора не только уровня точности (степени точности или значения бокового зазора), но и выбора параметров, с помощью которых выявляются определенные эксплуатационные свойства. Такой подход к нормированию точности связан с тем, что при разных способах изготовления колес разного размера, при разных условиях производства определенные эксплуатационные свойства могут быть выявлены измерением различных параметров.
5.2.4. Нормируемые параметры (показатели),
характеризующие кинематическую точность зубчатых колес
и передач
Показатели кинематической точности и охватываемые степени точности приведены в табл. 5.2 (желательно запомнить обозначения и названия параметров).
В табл. 5.2 показано, что требования к кинематической точности можно нормировать одним из 10 вариантов, содержащих требования к одному или двум параметрам. Один параметр применяется для нормирования в тех случаях, когда он один полностью выявляет кинематическую точность (N 1,2, 3, 10) или когда предъявляются требования к грубым колесам (N 8, 9), где погрешность выявляется доминирующим параметром. Во всех остальных случаях содержатся требования к двум параметрам, в сумме характеризующим кинематическую точность. Объясняется это тем, что кинематическая точность колеса обеспечивается точностью кинематической цепи станка и точностью установки заготовки колеса относительно оси зубообрабатывающего станка. Таким образом, параметры под N 1, 2, 3, 10 выявляют влияние погрешности станка и влияние погрешности установки на точность колеса, а там, где указано два параметра, то один параметр выявляет отдельно погрешность от станка (так называемая тангенциальная составляющая — кинематический эксцентриситет), а другой — погрешность от установки (так называемая радиальная составляющая — геометрический эксцентриситет).
В табл. 5.2 параметры FCr, FuWr характеризуют тангенциальную составляющую, а параметры Frr и F”ir— радиальную. Необходимо запомнить, что в зависимости от степени точности принимаются нормы из табл. 5.2, т.е. один из 10 вариантов.
Таблица 5.2
| № п/п | Нормируемые показатели точности или комплекс показателей | Условные обозначения | Степень точности |
| Наибольшая кинематическая погрешность зубчатого колеса Накопленная погрешность шага и накопленная погрешность "К" шагов зубчатого колеса Накопленная погрешность шага зубчатого колеса Погрешность обката и радиальное биение зубчатого венца Колебание длины общей нормали и радиальное биение зубчатого венца Колебание длины общей нормали и колебание измерительного межосевого расстояния за оборот зубчатого колеса Погрешность обката и колебание измерительного межосевого расстояния за оборот зубчатого колеса Колебание измерительного межосевого расстояния за оборот зубчатого колеса Радиальное биение зубчатого венца Наибольшая кинематическая погрешность передачи | Fir FPr и FPkr FPr FCr и Frr FuWr и Frr FuWr и Fir FCr и Fir Fir Frr F`ior | 3...8 3...6 7...8 3...8 3...8 5...8 5...7 10...12 8...12 Колеса св. 1600мм 3...8 |
Коротко рассмотрим параметры, нормируемые для выявления кинематической точности:
а) Кинематической погрешностью колеса (F`ir) называется разность между действительным (измеренным) и номинальным (расчетным) углами поворота зубчатого колеса на его рабочей оси, ведомого точным (измерительным) зубчатым колесом, при номинальном взаимном положении осей вращения этих колес. Выражается эта погрешность в линейных величинах длиной дуги делительной окружности (рис. 5.8).

Рис. 5.8. Кинематическая погрешность колеса (а)
и передачи (б)
б) Кинематической погрешностью передачи (F`ior) называется разность между действительным (измеренным) и номинальным (расчетным) углами поворота ведомого зубчатого колеса передачи. Выражается в линейных величинах длиной дуги его делительной окружности.
в) Накопленной погрешностью К шагов N (Fpkr) (раньше этот параметр назывался окружным шагом) называется наибольшая раз ность дискретных значений кинематической погрешности зубчатого колеса при номинальном повороте на К целых угловых шагов (рис. 5.9).

Рис. 5.9. Накопленная погрешность шага
г) Накопленной погрешностью шага зубчатого колеса (Fрг) называется наибольшая алгебраическая разность значений накопленных погрешностей в пределах зубчатого колеса.
Таким образом, в принципе этот параметр должен характеризовать кинематическую погрешность колеса, но при измерениях определяется положением точек профилей зубьев, находящихся на окружности, проходящей где-то на середине каждого профиля зуба. Все измеряемые точки должны располагаться на одной окружности.
д) Погрешностью обката (Fcr) называется составляющая кинематической погрешности зубчатого колеса, определяемая при вращении его на технологической оси и при исключении циклических погрешностей зубцовой частоты и кратных ей более высоких частот. Под технологической осью зубчатого колеса понимается ось, вокруг которой оно вращается в процессе окончательной обработки зубьев по обеим их сторонам. Указанные в определении понятия "погрешность обката" условия измерений показывают, что практически этим параметром устанавливаются требования к кинематической погрешности зуборезного станка, на котором осуществляется окончательная обработка зубчатого венца. Поэтому погрешность обката может определяться как погрешность кинематической цепи деления зубообрабатывающего станка.
е) Колебание длины общей нормали (FuWr) называется разность между наибольшей и наименьшей действительными длинами общей нормали в одном и том же колесе. Под действительной длиной общей нормали понимается расстояние между двумя параллельными плоскостями, касательными к двум разноименным активным боковым поверхностям зубьев зубчатого колеса (рис. 5.10).

Рис. 5.10. Длина общей нормали
Крайние точки, которые относятся к длине общей нормали, характерны тем, что они получаются на колесе при разных угловых положениях колеса; поэтому, если расстояния между этими точками постоянны, то нет кинематической, нет погрешности станка, на котором нарезалось это колесо, т.е. проходило равномерное вращение при нарезании зубьев по всему колесу. Поэтому нормируется непостоянство (колебание) длины общей нормали.
ж) Колебанием измерительного межосевого расстояния за оборот колеса (Fir) называется разность между наибольшим и наименьшим действительными (измеренными) межосевыми расстояниями при двухпрофильном зацеплении измерительного зубчатого колеса с проверяемым зубчатым колесом при повороте последнего на полный оборот (рис. 5.11.) (комплексная радиальная погрешность). Этот параметр часто называют комплексным двухпрофильным или просто двухпрофильным.

Рис. 5.11.Колебание измерительного межосевого расстояния
за оборот
з) Радиальным биением зубчатого венца (Fгг) называется разность действительных (измеренных) предельных положений исходного контура в пределах зубчатого колеса (от его рабочей оси) (рис. 5.12).

Рис. 5.12. Радиальное биение зубчатого венца
Этот параметр характеризует дискретные значения колебаний измерительного межосевого расстояния за оборот или, другими словами, дискретные значения радиальной составляющей кинематической погрешности колеса.
5.2.5. Нормируемые параметры (показатели),
характеризующие плавность работы
Показатели плавности работы и охватываемые степени точности приведены в табл. 5.3 (желательно запомнить только обозначения и названия параметров).
Особенность нормирования требований к точности в отношении плавности работы заключается в том, что даются раздельные требования для колес и передачи, которые в табл. 5.3 названы широкими косозубыми, и для колес прямозубых вместе с узкими косозубыми.
В стандарте эти термины не используются, но нормы задаются с учетом осевого перекрытия, что отражает существо работы колес. Дело в том, что настоящим косозубым колесом с проявлением всех его достоинств в работе является колесо, в котором есть осевое перекрытие, т.е. одновременно при зацеплении находится более одной пары зубьев в сечении осевой плоскостью. Если такого перекрытия нет, то колеса даже с косыми зубьями по нормам точности относятся к прямозубым.
Принципиальный подход при нормировании точности по плавности работы тот же, что и при нормировании кинематической точности, т.е. нормируются требования по одному параметру либо комплексу из двух параметров.
Таблица 5.3
| Колеса или передача | № п/п | Нормируемые показатели точности или комплексы показателей | Условные обозначения | Степени точности | |
| Прямозубые и узкие косозубые | колеса | Местная кинематическая погрешность зубчатого колеса | f`` ir | 3…6 | |
| Циклическая погрешность зубцовой частоты колеса | fzzr | 3…6 | |||
| Отклонение шага зацепления и погрешность профиля зуба | fpbr и ffr | 3…6 | |||
| Отклонение шага зацепления и отклонение шага | fpbr и fptr | 3…6 | |||
| Колебание измерительного межосевого расстояния на одном зубе | fir | 5…8 | |||
| передачи | Местная кинематическая погрешность передачи | f` ior | 3…8 | ||
| Циклическая погрешность зубцовой частоты в передаче | fzzor | 3…8 | |||
| Любые колеса | Колебание измерительного межосевого расстояния на одном зубе | fir | 9…12 | ||
| Отклонение шага зацепления | fpbr | 9…12 | |||
| Отклонение шага | fptr | 9…12 | |||
| Широкие косозубые | колеса | Циклическая погрешность зубчатого колеса | fzkr | 3…8 | |
| Отклонение шага | fptr | 3…8 | |||
| передачи | Циклическая погрешность передачи | fzkor | 3…8 |
Из приведенных в табл. 5.3 параметров колебание измерительного расстояния на одном зубе fir отличается от ранее рассмотренного, только выявлением этой погрешности ориентировочно на одном зубе.
Местная кинематическая погрешность колеса (f ` ir) и передачи (f ` ior) циклическая погрешность зубцовой частоты колеса (fzzг) и передачи (fzzor), циклическая погрешность колеса (fzkr) и передачи (fzkor) получаются по результатам измерения кинематической погрешности колеса или передачи,
а) Местной кинематической погрешностью колеса (f ` ir) и передачи (f ` ior) называется наибольшая разность между местными соседними экстремальными (минимальными и максимальными) значениями кинематической погрешности колес в пределах одного оборота (f ` ir, рис. 5.13) или за полный цикл изменения относительного положения зубчатых колес передач (f ` ior) - Эти погрешности выявляются непосредственно по кривой записи погрешности.

Рис. 5.13. Местная кинематическая погрешность
зубчатого колеса
б) Циклической погрешностью колес (fzkr) и передачи (fzkor) называется удвоенная амплитуда (размах) гармонической составляющей кинематической погрешности колеса или передачи (рис. 5.14).
в) Циклической погрешностью зубцовой частоты колеса (fzzr) и передачи (fzzor) называется циклическая погрешность с частотой повторения, равной частоте входа зубьев в зацепление с измерительным зубчатым колесом (fzzr) или при зацеплении в паре (fzzor).
Все циклические погрешности выявляются по результатам гармонического анализа данных, полученных при измерении кинематической погрешности. Использование этих параметров на практике пока еще не распространено, но можно предположить, что в дальнейшем они получат распространение в связи с развитием и широким использованием электронных приборов и для анализа точности технологического процесса.

Рис. 5.14. Циклическая погрешность колеса (а) и передачи (б)
г) Отклонением шага зацепления (fpbr) называется разность между действительным (измеренным) и номинальным шагами зацепления. Под действительным шагом зацепления понимается кратчайшее расстояние между двумя параллельными плоскостями, касательными к двум одноименным активным боковым поверхностям соседних зубьев зубчатого колеса (рис. 5.15). Раньше этот параметр назывался основным шагом.

Рис. 5.15. Шаг зацепления
д) Отклонением шага зубчатого колеса (fptr) (раньше этот параметр назывался окружным шагом) называется дискретное значение кинематической погрешности зубчатого колеса при повороте его на один номинальный угловой шаг. Однако, как и в случае накопленной погрешности шага, определяется положение рабочих поверхностей по положению одной точки на поверхности зуба. Вместо отклонения шага стандарт допускает нормировать разность шагов (fuptr), т.е. разность между двумя отклонениями шагов в любых участках зубчатого колеса.
е) Профилем цилиндрических зубчатых колес называется линия пересечения действительной боковой поверхности зуба плоскостью, перпендикулярной его рабочей оси. Погрешностью профиля (ffr) (рис. 5.16) называется расстояние по нормали между двумя ближайшими друг к другу номинальными торцевыми профилями зуба, между которыми размещается действительный (измеренный) торцовый активный профиль зуба зубчатого колеса.

Рис. 5.16. Погрешность профиля зуба
В цилиндрических зубчатых колесах, в основном, используются эвольвентные поверхности для получения профиля.
5.2.6. Нормируемые параметры (показатели),
характеризующие полноту контакта
Показатели полноты контакта и охватываемые степени точности приведены в табл. 12 (желательно запомнить обозначения и названия параметров). В этих нормах, так же как и в нормах плавности различается нормирование точности для прямозубых (и узких косозубых колес) от нормирования точности широких косозубых колес.
Таблица 5.4
| Колесо или передача | № п/п | Нормируемые показатели точности или комплексы показателей | Условные обозначения | Степень точности |
| Прямозубые и узкие косозубые колеса | Погрешность направления зуба | Fβr | 3…12 | |
| Суммарная погрешность контактной линии | Fkr | 3…12 | ||
| Широкие косозубые колеса | Отклонение осевых шагов по нормали и суммарная погрешность контактной линии | Fpxnr и Fkr | 3…9 | |
| Отклонение осевых шагов по нормали и отклонение шага зацепления | Fpxnr и fpbr | 3…9 | ||
| Передача | Отклонение от параллельности осей и перекос осей | fxr и fyr | 3…12 | |
| Суммарное пятно контакта | - | 3…11 | ||
| Мгновенное пятно контакта | - | 3…11 |
Среди приведенных параметров есть fxz и fyr, которые относятся к положению осей колес в пространстве и, строго говоря, нормируют требования к корпусу передачи с нерегулируемым расположением осей.
Нормируемый параметр - отклонение шага зацепления fpbr уже рассмотрен в нормах плавности для прямозубых и узких косозубых колес. В нормах контакта этот параметр нормируется для широких косозубых колес с целью выявления контакта зубьев по высоте.
а) Суммарным пятном контакта называется часть активной боковой поверхности зуба зубчатого колеса, на котором располагаются следы прилегания зубьев парного зубчатого колеса в собранной передаче после вращения под нагрузкой, устанавливаемой конструктором (рис. 5.17).

Рис. 5.17. Пятно контакта
б) Мгновенным пятном контакта называется часть активной боковой поверхности зуба большего зубчатого колеса передачи, на которой располагаются следы его прилегания к зубьям меньшего зубчатого колеса, покрытого красителем, после поворота большего зубчатого колеса собранной передачи на полный оборот при легком торможении, обеспечивающим непрерывное контактирование зубьев обоих зубчатых колес.
Как видно из определений, суммарное пятно выявляется в процессе приработки, (используют при изготовлении высокоточных и ответственных передач), а мгновенное пятно контакта относится к нормированию при измерений с использованием краски (способом, который указан в определении термина — мгновенное пятно контакта).
Стандартом предусматриваются возможности определения пятна контакта с измерительным колесом, что бывает необходимо при изготовлении запасных частей, но нормы не указываются.
В связи с тем, что метод измерения по пятну контакта в большей мере субъективен, стандартом разрешается конструктору указывать способ определения пятна контакта и место его расположения на поверхности зуба, при этом он может назначить собственные нормы.
Нормы на пятно контакта устанавливаются в процентах от длины и высоты зуба (рис. 5.17). На практике наиболее часто определяется мгновенное пятно контакта.
в) Погрешностью направления зуба (Fβr) называется расстояние между двумя ближайшими друг к другу номинальными делительными линиями зуба в торцевом сечении, между которыми размещается действительная делительная линия зуба, соответствующая рабочей ширине зубчатого колеса (рис. 5.18). Под действительной делитель ной линией зуба понимается линия пересечения действительной боковой поверхности зуба зубчатого колеса делительным цилиндром, т.е. ось которого совпадает с рабочей осью.
Погрешность направления зуба нормируется для прямозубых и узких косозубых колес, но возможности измерения при этом различны.

Рис. 5.18. Погрешность направления зуба
г) Суммарной погрешностью контактной линии (погрешность формы и расположения) (Fkr) называется расстояние по нормали между двумя ближайшими друг к другу номинальными контактными линиями, условно наложенными на плоскость (поверхность) зацепления, между которыми размещается действительная контактная линия на активной боковой поверхности (рис. 5.19). Под потенциальной контактной линией понимается линия пересечения поверхности зуба плоскостью зацепления.
Эвольвентная поверхность является линейчатой поверхностью, т.е. состоящей из большого количества прямых линий.

Рис. 5.19. Суммарная погрешность контактной линии:
I — направление рабочей оси вращения колеса;
II — номинальные контактные линии; III — действительная контактная линия; IV — граница активной поверхности зуба
В прямозубых колесах эти прямые должны располагаться параллельно оси цилиндра (колеса), а в косозубом колесе под углом к оси. Это и есть контактные линии.
При таких видах зубообработки как зубодолбление контактная линия полностью получается как след кромки режущего инструмента. При зубофрезеровании каждая контактная линия состоит из следов многих режущих кромок фрезы и образована участками от каждой режущей кромки.
Обеспечение необходимого бокового зазора в той мере, в которой это зависит от одного зубчатого колеса, связано с толщиной его зуба, если говорить о колесе как геометрической фигуре. Толщина же зуба зависит от положения режущего инструмента в виде рейки относительно оси колеса при изготовлении этого колеса. Чем ближе рейка к оси, тем тоньше получается зуб, чем дальше от оси, тем толще. Вот это относительное положение рейки и заготовки носит название смещение исходного контроля.
Зубья колес нарезают, как правило, тоньше номинального значения, т.е. дается обязательное смещение исходного контакта к оси колеса от номинального положения (рис. 5.20), для обеспечения гарантированного бокового зазора. Это обязательное смещение носит название дополнительного смещения исходного контура (Енг), которое может быть непосредственно измерено.
Дополнительное смещение исходного контура — это смещение от номинального положения в тело зубчатого колеса, осуществляемое для обеспечения в передаче гарантированного бокового зазора (рис. 5.20).
Но вместо этого показателя для обеспечения гарантированного (наименьшего) бокового зазора можно нормировать или отклонение средней длины общей нормали (Еwmr), или отклонение просто длины общей нормали (Еwr), или наименьшее отклонение толщины зуба (Еcr), или верхнее предельное отклонение измерительного межосевого расстояния (+Еа"s). Для передач с нерегулируемым межосевым расстоянием еще нормируется отклонение межосевого расстояния (+fаг).

Рис. 5.20. Смещение исходного контура
Наименьшее дополнительное смещение исходного контура (или дублирующие его параметры) можно, в принципе, рассматривать как аналогичное основному отклонению в гладких и резьбовых сопряжениях (в данном случае это верхнее отклонение). Помимо основного отклонения в нормах бокового зазора даются допуски на смещение исходного контура (Тн), вместо которого можно использовать или допуск на среднюю длину общей нормали (Тwm), или допуск на длину общей нормали (Тw), или допуск на толщину зуба (Тс), или нижнее предельное отклонение межосевого расстояния (—Еai).
Значения основных отклонений и допуски по нормируемым параметрам выбираются в зависимости от принятого вида сопряжений (А, В,...) и вида допуска (а, в, с...). В свою очередь основное отклонение выбирается по гарантированному зазору. Особенностью нормирования параметров, характеризующих боковой зазор, является то, что и основное отклонение, и допуски задаются в "тело" колеса, т.е. в сторону уменьшения толщины зуба с тем, чтобы обеспечить обязательность зазора между неработающими профилями (вспомните, что в системе допусков на гладкие сопряжения всегда давались верхние отклонения для полей допусков, располагаемых ниже нулевой линии).
5.3. Лабораторные работы
5.3.1. Лабораторная работа № 7
ИЗМЕРЕНИЕ ПАРАМЕТРОВ РЕЗЬБЫ
Цель работы: ознакомление со стандартами на метрические резьбы, с устройством инструментов и приборов, служащих для измерения отдельных элементов резьбы, приобретение навыков работы с инструментами и приборами. Ознакомление с методикой контроля.
Оборудование, приборы и инструменты: резьбовой микрометр с пределами измерений 0 + 25 или 25 + 50 с ценой деления шкалы барабана 0,01 мм, штангенциркуль ЩЦ-1,
0-125, цена деления 0,1 мм, резьбовые шаблоны, резьбовая деталь.
Резьбовые соединения широко распространены в машиностроении (в большинстве современных машин свыше 60 % всех деталей имеют резьбы). По эксплуатационному назначению различают резьбы общего применения и специальные, предназначенные для соединения одного типa деталей определенного механизма.
Эксплуатационные требования к резьбам зависят от назначения резьбовых соединений. Общим для всех резьб являются требования долговечности и свинчиваемости без подгонки независимо изготовлению резьбовых деталей при сохранении эксплуатационных качеств соединений.
Точность резьбы можно контролировать дифференциальным (контроль каждого параметра в отдельности) и комплексным (контроль расположения контура резьбы в предписанном поле допуска) методами. Метод контроля каждого параметра резьбы в отдельности трудоемок, поэтому его применяют для точных резьб: ходовых винтов, резьбовых калибров, метчиков и т.п. Иногда по результатам контроля отдельных параметров судят (после вычислений) о комплексном параметре, например о приведенном среднем диаметре резьба. Комплексный контроль резьб выполняют либо с помощью предельных калибров, либо с помощью проекторов и шаблонов с предельными контурами.
Средства измерений параметров резьбы
Р е з ь б о в ы е м и к р о м е т р ы (рис. 5.21) предназначены для измерения среднего диаметра наружной резьбы. По конструкции отличаются от гладких микрометров наличием в неподвижной пятке 2 и конце микровинта 7 глухих отверстий, в которые устанавливаются специальные измерительные вставки 5 и 6.

Рис. 5.21. Резьбовой микрометр
Призматическая вставка 5 устанавливается в неподижную пятку 2, а коническая вставка б - в микровинт 7. Резьбовой микрометр снабжается набором вставок, которые подбираются в зависимости от шага резьбы. Интервал шагов, для которого предназначена вставка, наносится на ее цилиндрическую хвостовую часть. Для расширения диапазона регулирования неподвижная пятка 2 за счет контргайки 4 и гайки 3 может быть смещена в осевом направлении (рис. 5.22).
Перед тем, как начать измерения рекомендуется проверить нулевое положение микрометра. С этой целью необходимо привести вставки в соприкосновение и выставить нулевое положение барабана 10 с продольным штрихом стеблем 9. При этом начальный поперечный штрих (0,25 или 50) шкалы стебля с ценой деления 0,5 мм должен быть виден полностью, а кромка барабана должна отстоять от него на величину не более 0,1 мм.

Рис. 5.22. Вставки к резьбовому микрометру
Регулировать резьбовой микрометр на измерение заданной резьбы необходимо в такой последовательности:
подобрать вставки, соответствующие шагу измеряемой резьбы, промыть их авиационным бензином и протереть мягкой тканью. Коническую вставку установись до упора в отверстие микровинта, призматическую - в отверстие пятки;
вращением винта совместить нулевой штрих барабана 10 с продольным штрихом стебля 9, а край барабана - с нулевым поперечным штрихом стебля и зафиксировать это положение стопором 8;
отпустить контргайку 4 регулируемой пятки, вращением гайки 3 переместить пятку до соприкосновения вставок 5 и 6, закрепить контргайку 4 и освободить стопор 8;.
вращая микровинт за трещотку 12, развести вставки на 1-2 мм и плавно свести их до поучения двух-трех щелчков трещотки. Если при этом показания прибора не уйдут за нуль, то вписать их в графу отчета "Нулевой отсчет";
если показания прибора уйдут за нуль (прибор зашкалит), то необходимо зафиксировать микровинт стопором 8, придерживая барабан 10, отвернуть на один-два оборота колпачок II, надавить на барабан 10 в осевом направлении, совместить продольный штрих стебля с нулевым штрихом барабана 10 и, не давая провернуться стеблю к барабану, завернуть колпачок II. После этого проверить показания прибора.
Микрометры с нижним пределом измерения 25 мм и более регулируют по установочной мере.
Для того, чтобы измерительное усилие не превосходило допустимое (5-9 Н), микровинт следует вращать только при помощи трещотки 12.
Микрометрические инструменты имеют два отсчетных устройства. Первое отсчетное устройство состоит из продольной шкалы, нанесенной на стебле, и указателя, которым является торец барабана 10.
Продольная шкала имеет два ряда поперечных штрихов, расположенных по обе стороны продольного штриха и сдвинутых относительно друг друга на 0,5 мм. Оба ряда штрихов образуют, таким образом, одну продольную шкалу с ценой деления, равной шагу микровинта.
Второе отсчетное устройство, являющееся нониусом, состоит из школы с ценой деления 0,01 мм, нанесенной на конусной поверхности барабана 10 и указателя в виде продольного штриха на стебле 9. При шаге микровинта, равном 0,5 мм, одному обороту микровинта и скрепленного с ним барабана 10 соответствует перемещение торца барабана на одно деление. Двa оборота микровинта будут соответствовать 1,0 мм. На круглой шкале барабана нанесено пятьдесят делений. Следовательно, поворот барабана с микровинтом на одно деление относительно продольного штриха стебля 9 будет соответствовать 0,01 мм.
Для определения размера проверяемой детали отсчет снимают по двум отсчетным устройствам, суммируя их показания.
П р и м е р. На стебле 1 (рис. 5.23, а) отсчитывается количество делений с интервалом 0,5 равное 17. Следовательно, по первому отсчетному устройству отсчет равен 17 х 0,5 = 8,5 мм. После этого по второму отсчетному устройству, т.е. по шкале нониусного барабана 2 отсчитываются десятые и сотые доли миллиметра - 0,27 (27 делений соответствуют продольному штриху стебля 1).
Результат измерения: 8,5 + 0,27 = 8,77.

а) б) в)
Рис. 5.23. Примеры отсчета по резьбовому микрометру
Если кромка барабана остановится между верхним и нижним штрихом стебля (рис. 5.23, б), то полученный размер представляет собой сумму трех величин: числа целых миллиметров до ближайшего нижнего к кромке барабана деления на стебле, полмиллиметра от этого деления до верхнего деления и показания в сотых долях миллиметра по барабану.
В рассмотренном случае, этот размер будет складываться из следующих величин: 5 + 0,5 + 0,37 = 5,87 мм.
Если же кромка барабана остановится между нижним и верхним штрихами стебля (рис. 5.23, в), то число целых миллиметров полученного размера определяется по нижнему делению шкалы и к нему непосредственно прибавляется число сотых долей миллиметра по показаниям барабана. В данном случае этот размер буде равен: 7 + 0,28 = 7,28 мм.
Отсчет показаний микрометра следует производить при застопоренном барабане.
Р е з ь б о в ы е ш а б л о н ы (рис. 5.24) применяются при определении шага резьбы, для чего приплывают шаблоны последовательно к резьбе и наблюдают просветы между ними и профилем резьбы.
Пластинка, обеспечивающая на всей своей длине одинаковый просвет с профилем резьбы, будет характеризовать искомый шаг резьбы.

Рис. 5.24. Резьбовые шаблоны
Задание:
1. Ознакомиться со стандартами на метрические резьбы.
2. Определять значение элементов резьбы данной резьбовой детали по справочнику /1/. или государственному стандарту.
3. Построить поля допусков резьбы по найденным данным.
4. Ознакомиться с устройством резьбового микрометра, определить числовые значения основных метрологических характеристик резьбового микрометра.
5. Измерить с помощью резьбовых шаблонов шаг резьбы и подобрать соответствующие вставки к резьбовому микрометру.
6. Измерить средний диаметр резьбы резьбовым микрометром.
7. Определить годность резьбы по результатам измерений.
8. Полученные результаты внести в форму отчета.
Определить и внести в форму отчета числовые значения элементов резьбы по справочнику /1/.
Определить для проверяемой резьбы продольные отклонения элементов резьбы из табличных данных справочника /1/ и занести в форму отчета.
Построить cхемy расположения полей допусков резьбы с обозначением на ней номинальных диаметров с их предельными отклонениями согласно порядку построения полой допусков, приведенному в справочнике /1/.
Определить шаг проверяемой резьбы с помощью резьбовых шаблонов.
Определить и внести в форму отчета числовые значения метрологических характеристик резьбового микрометра.
Проверить начальный отсчет и при необходимости отрегулировать микрометр.
Измерить средний диаметр резьбы микрометром в соответствии со схемой измерения и методикой измерения и отсчета показаний.
Ввести соответствующие измерения и форму отчета.
ОТЧЕТ
по лабораторной работе № 7
ИЗМЕРЕНИЕ ПАРАМЕТРОВ РЬЗЬБЫ
Требуется проверить резьбу поэлементным методом и дать заключение о годности.
Выполнение работы
1. С помощью штангенциркуля и резьбовых шаблонов определить номинальное значение наружного диаметра и шага резьбы детали, найдя остальные значение элементов резьбы и занести их в табл. 5.5.
Таблица 5.5
Номинальные размеры элементов резьбы
| Наружный диаметр, ми | Средний диаметр, мм | Внутренний диаметр, мм | Шаг, мм | Угол профиля, град. |
2. Из таблиц стандарта для проверяемой резьбы определить предельные отклонения основных элементов и внести их в табл. 5.6.
Таблица 5.6
Предельные отклонения элементов резьбы
| Обозначение поля допуска | Наименование отклонения | Г | ||||
| верхнее | . | |||||
| нижнее | ! | • |
3. Начертить схему расположения полей допусков резьбы с обозначением на ней номинальных диаметров с их предельными отклонениями (табл. 5.7).
4. Измерить средний диаметр резьбы резьбовым микрометром, подобрав предварительно вставки к резьбовому микрометру в соответствии с шагом резьбы.
Таблица 5.7
Схема измерения

5. Характеристика резьбового микрометра
Цена деления шкалы
Пределы измерения
6. Дать заключение о годности, сравнивая полученные действительные значения основных элементов резьбы с допускаемыми по соответствующему государственному стандарту.
Допуск среднего диаметра резьбы, указанный в стандартах, является суммарным и включает в себя допуск на соответственно средний диаметр, а также величины диаметральных компенсаций погрешностей шага fp и угла наклона профиля fα.
Годность резьбового изделия определяется по приведенному среднему диаметру резьбы, подсчитанному по результатам измерений отдельных элементов следующим образом: если подсчитанный диаметр по результатам измерений находится в пределах допуска, то резьба считается годной.
Вопросы для самоконтроля
Назначение резьбы.
Обозначение резьба на чертежах.
Какие основные элементы резьбы регламентированы предельными отклонениями по стандарту?
Что такое диаметральные компенсации погрешностей шага и угла профиля и как их определить?
С какой целью введено понятие приведенного среднего диаметра резьбы?
Назначение комплексного и поэлементного методов контроля.
Какие средства измерения используются при установлении действительных значений наружного и среднего диаметров, шага и угла профиля резьбы?
С какой целью измеряют половину угла профиля, а не полный угол?
Что такое наивыгоднейший диаметр проволочек?
C какой целью производят измерение шага и половины угла профиля по левой и правой сторонам профиля резьбы?
Как дается заключение о годности резьбы при комплексном и поэлементном методах контроля?
5.3.2. Лабораторная работа № 8
КОНТРОЛЬ ПАРАМЕТРОВ ЦИЛИНДРИЧЕСКИХ ЗУБЧАТЫХ КОЛЕС
Цель работы: изучить методы и средства контроля зубчатых колес. Проанализировать требования к точности зубчатых колес. Измерить параметры, характеризующие точность зубчатых колес. Дать заключение о годности зубчатого колеса по контролируемым параметрам.
Общие положения
Зубчатые передачи широко применяются как в машинах, так и в приборах. По эксплуатационному назначению можно выделить четыре основные группы передач: отсчетные, скоростные, силовые и общего назначения. Точностные требования к передачам устанавливают исходя из их назначения. Установлено двенадцать степеней точности зубчатых колес и передач, обозначаемых в порядке убывания: 1, 2, 3, … 12. Для каждой степени точности установлены нормы допускаемых отклонений параметров, определяющих кинематическую точность колес и передачи, плавность работы и контакт зубчатых колес и передач, что позволяет назначить различные нормы и степени точности для передач в соответствии с их эксплуатационным назначением.
Лабораторная работа состоит из трех заданий:
Контроль параметров кинематической точности зубчатых колес;
Контроль параметров плавности работы зубчатых колес;
Контроль параметров, характеризующих нормы базового зазора.
Объект контроля: прямозубое цилиндрическое колесо
m = 2…5 мм, zn = 20…40, степень точности зубчатого колеса
4 …9, вид сопряжений и допуск базового зазора – произвольные.
Контроль параметров кинематической точности зубчатых колес.
Средства измерений и вспомогательные устройства: межцентромер, нормалемер, колеса измерительные, плоскопараллельные концевые меры длины и принадлежности к ним.
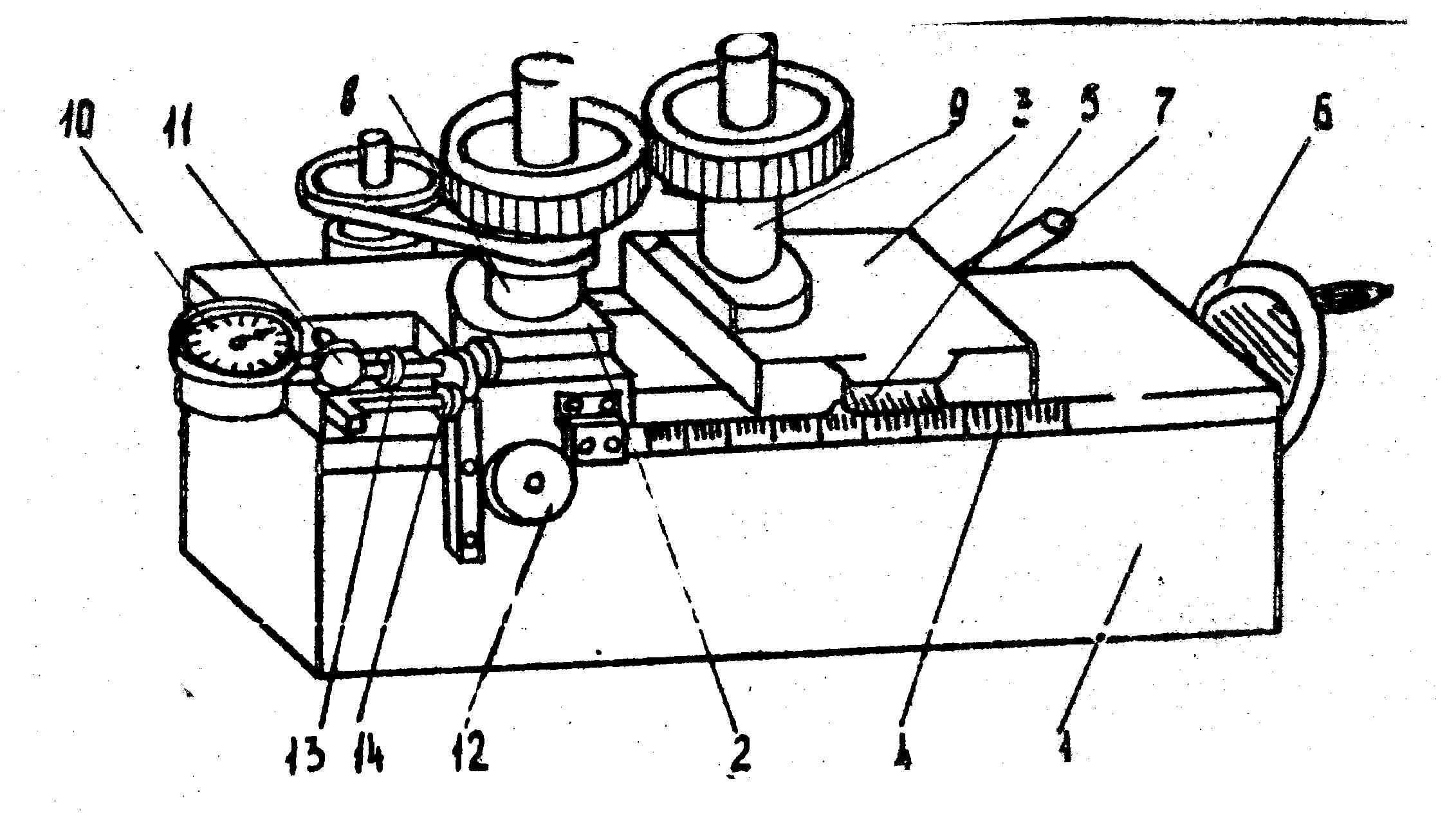
МЕЖЦЕНТРОМЕР (рис. 5.25) имеет основание 1, плавающий суппорт 2, смонтированный на шариках, жесткий суппорт 3, устанавливаемый в требуемое положение по шкале 4 и нониусу 5 при помощи винта с маховичком 6 и стопора 7.

Рис. 5.25. Межцентромер
Оправки 8 и 9 жестко связаны с суппортами 2 и 3; на оправку 8 сажается измерительное колесо, на оправку 9 проверяемое колесо. Суппорт 2 под действием пружины, находящейся внутри него, прижимает измерительное колесо к проверяемому колесу, создавая плотное зацепление.
Индикатор 10, закрепленный в державке 11, регистрирует отклонения и колебание измерительного межцентрового расстояния при проворачивании колес относительно друг друга.
НОРМАЛЕМЕР (рис. 5.26) состоит из цилиндрической пустотелой штанги I, по которой перемещается разрезная втулка 2, четко соединенная с переставной измерительной губкой 3.

Рис. 5.26. Нормалемер
Подвижная измерительная губка 4, укрепленная на двух параллельных пружинах, может перемещаться параллельно оси штанги и передавать свое перемещение индикатору 5 через угловой рычаг. Нормалемер настраивают на требуемый размер по концевым мерам, перемещаемым между его губками.
Измерение колебаний межосевого расстояния и длины общей нормали осуществляются методом непосредственной оценки.
Контроль кинематической точности зубчатого колеса осуществляется с использованием двух показателей, составляющих комплекс, достаточный для оценки колеса по норме кинематической точности.
При измерении межосевого расстояния на межцентромере измеряемое и контрольное зубчатые колеса устанавливают на оправке межцентромера. Перемещая его подвижную каретку, вводят колесо в двухпрофильное зацепление, поворачивает контролируемое зубчатое колесо на полный оборот и. фиксируют размах показаний индикатора, характеризующий колебание измерительного межосевого расстояния за оборот колеса.
При измерении колебания длины общей нормали, губки нормалемера настраивают на произвольную общую нормаль колеса. Число зубьев Zn, определяющих длину нормали, рассчитывают по формуле
Zn = Z / 9+0,5,
где Z - число зубьев колеса.
Рассчитанное значение Zn округляют до ближайшего большего условного числа.
Колебание измерительного межосевого расстояния определяют как алгебраическую разность между наибольшим и наименьшим показаниями прибора за полный оборот контролируемого колеса. При контроле межосевого расстояния записывают измеренные значения наибольшего в наименьшего отклонений и колебание межосевого расстояния.
Колебание длины обшей нормали определяют как алгебраическую разность между наибольшим и наименьшим отклонениями от произвольного значения, на которое был настроен нормалемер. В качестве результатов измерений фиксируют все измеренные отклонения от настроенного размера общей нормали.
Результаты намерений проставляют с указанием погрешностей.
Проанализировать требования к точности зубчатого колеса.
Оценить погрешности измерений.
Измерить отклонения межосевого расстояния от произвольно настроенного размера и определить колебание межосевого расстояния.
Рассчитать число зубьев, укладывающихся на длине общей нормали колеса.
Настроить прибор на произвольную общую нормаль и измерить отклонение длин общих нормалей от настроенного значения. Определить значение колебания длины общей нормали.
Сравнить измеренные значения колебания межосевого расстояния и длины общей нормали с предельными допускаемыми значениями.
Дать заключение о годности зубчатого колеса по норме кинематической точности.
Контроль параметров плавности работа зубчатых колес
Средства измерений и вспомогательные устройства: шагомер тангенциальный, принадлежности к шагомеру, набор концевых мер длины..
ШАГОМЕР ТАНГЕНЦИАЛЬНЫЙ, используемый для проверки основного шага, изготовляют трех моделей (рис. 5.27):
БВ - I086 для m = 2 - 10 мм;
БВ - 1081 для m = 10 - 16 мм;
БВ - 1101 для m = 10 - 36 мм.
Чувствительный измерительный наконечник I прибора подвешивается на плоских пружинах и связан со встроенной в корпус прибора двухсторонним отсчетным устройством с ценой деления 0,001 мм. Измерительный наконечник 2 может перемещаться при помощи винта 3 и стопорится винтом 4. Специальный опорный наконечник 5 поддерживает прибор при измерении колеса. Наконечник 5 может перемещаться винтом 6 и поворачиваться вокруг оси при помощи винта 7. Стопором служит маховик 8. Перед измерением прибор настраивают на номинальное значение основного шага= m π cosα0 при помощи державки 9, в которую закладываются струбцина 10 с блоком концевых мер и специальными боковиками. Блок помещают между боковиками II и 12 и зажимают винтом 13.
Прибор устанавливается в струбцине 10 таким образом, чтобы неподвижный измерительный наконечник 2 поместился между роликами и боковиком 12, а подвижный измерительный наконечник I контактировал с боковиком II. При помощи винта 3 отсчётному прибору сообщается натяг на один оборот стрелки.

Рис. 5.27. Шагомер тангенциальный
После закрепления винта 4 отсчетный прибор окончательно устанавливается на нулевое положение. Настроенный прибор переносится на зубчатое колесо и устанавливается таким образом, чтобы измерительные наконечники I и 2 касались одноименных профилей двух соседних зубьев колеса по нормали к их профилям, а упор 5, устанавливаемый винтами 5 и 7 и касающийся своим концом противоположного профиля третьего зуба, обеспечивал полное прилегание неподвижной губки к профилю зуба. Наконечники закрепляются винтами 4 и 8. Отклонение стрелки отсчетного прибора покажет отклонение основного дата от номинального.
При измерении шагомером шага зацепления используется метод сравнения с мерой.
Перед началом измерений шага зацепления шагомер настраивают по блоку концевых мер длины, установленному в струбцину с