Амплитуда импульса Um=¼В;
Длительность импульса tи=¼мкс;
Длительность фронта tф=¼мкс.
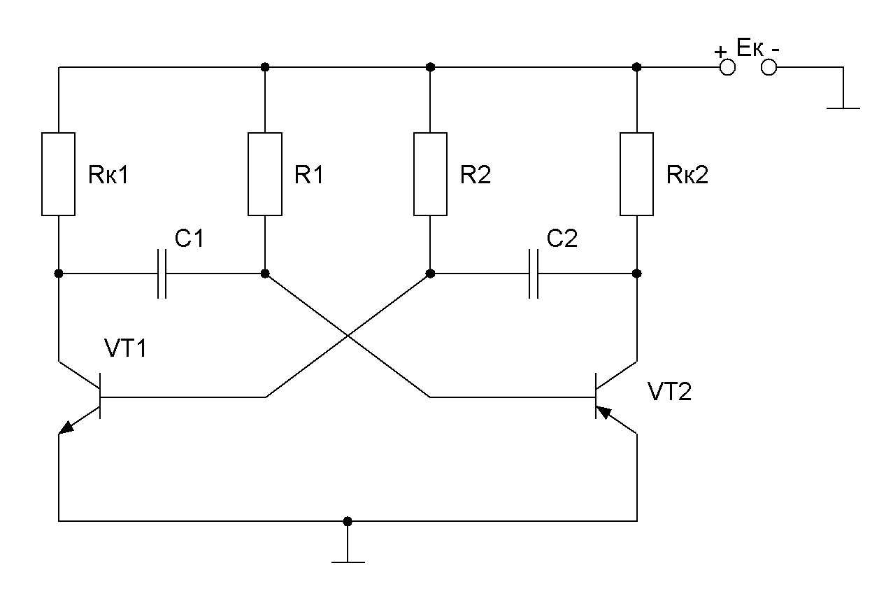
Рассчитываемая электрическая схема

| |||||||||
Рисунок 1
Амплитуда импульса Um=¼В;
Длительность импульса tи=¼мкс;
Длительность фронта tф=¼мкс.
Рассчитываемая электрическая схема

| |||||||||
Рисунок 1
|
|