Применяемые при обработке воды реагенты вводятся в нее в виде порошков или гранул (сухое дозирование), или в виде водных растворов или суспензий (мокрое дозирование). Оба способа дозирования требуют организации на водоочистном комплексе реагентного хозяйства. Наибольшее распространение в практике получило мокрое дозирование. Это предполагает наличие в составе реагентного хозяйства специальных баков для растворения реагентов, кислотных насосов для перекачки и дозирования, воздуходувных установок и аппаратов-дозаторов.
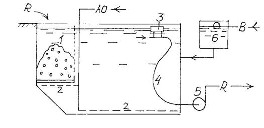
На предприятие (шахту) реагенты могут поступать с заводов-поставщиков в виде готовой продукции или полуфабрикатов. С учетом различных поставок возможны две схемы организации реагентного хозяйства. Первая имеет место при получении с заводов-поставщиков готовой продукции, которую затем с помощью дозаторов вводят в обрабатываемую воду. При использовании второй схемы должны быть предусмотрены состав полуфабрикатов, а также аппаратура для приготовления растворов (или суспензий) реагентов и их дозирования в обрабатываемую воду. Складирование реагентов-полуфабрикатов возможно в сухом виде (навалом или в специальной таре) или в жидком (в виде высококонцентрированных растворов крепостью до 30% в специальных емкостях). Для предотвращения потерь коагулянта от слеживания, а также снижения трудоемкости погрузочно-разгрузочных работ в настоящее время переходят на хранение реагентов в жидком виде. С этой целью на водоочистном комплексе предусматривают резервуары большой емкости (баки мокрого хранения), которые загружают сухим коагулянтом и заготавливают его расчетный запас в виде раствора высокой концентрации (до 30%). Схема одного из вариантов устройства резервуара для складирования реагентов в жидком виде приведена на рисунке 4.4.
![]() |
Рис.4.4. Бак мокрого хранения коагулянта: 1 - корзина раствора, 2 - дырчатые трубы, 3 - поплавок, 4 - резиновый шланг, 5 - насос, 6 - бак постоянного уровня.
Баком является бетонный резервуар с горизонтальными поддерживающими колосниковой решеткой и перемешивающим устройством (с помощью сжатого воздуха и пара). Сухой коагулянт засыпают на решетку, заполняют бак водой и перемешивают ее до полного растворения коагулянта. Кроме барботирования для побуждения и интенсификации растворения реагентов можно предусматривать механическое перемешивание или непрерывную циркуляцию раствора с помощью насоса.







