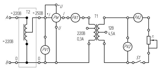
1. Принципиальная схема установки для исследования однофазного трансформатора приведена на рис. 5.1. Исследуемый трансформатор Т1 представляет собой две катушки (первичная и вторичная обмотки), надетые на стальной сердечник с закрепленным сверху ярмом. В качестве регулируемого источника напряжения применен автотрансформатор Т2. Нагрузкой r н трансформатора является реостат (15 Ом; 50 Вт):

Рис. 5.1. Принципиальная схема установки для исследования однофазного трансформатора
Выбор пределов измерений измерительных приборов производится исходя из номинальных данных трансформатора, приведенных на принципиальной схеме (рис. 5.1).
2. Для выполнения опыта холостого хода выключить выключатель S1.
С помощью автотрансформатора Т2 установить на первичной обмотке номинальное напряжение 220 В. Результаты измерений записать в табл. 5.1.
Таблица 5.1
Результаты опыта холостого хода трансформатора
| Измеренные величины | Вычисленная величина | |||
| U1xx, B | U2xx, B | I1xx,A | P1xx, Вт | К |
3. Для выполнения опыта короткого замыкания рукоятку автотрансформатора Т2 поставить в нулевое положение. Движок реостата r н поставить в нулевое положение. Включить выключатель S1. Плавно увеличивая автотрансформатором напряжение на первичной обмотке трансформатора Т1, установить в этой обмотке номинальный ток 0,3 А. Результаты измерений записать в табл. 5.2.
|
|
|
Таблица 5.2
Результаты опыта короткого замыкания
| Измеренные величины | Вычисленные величины | ||||
| U 1кз, В | I 1кз , А | Р 1кз, Вт | I 2кз, А | сosφ1кз | U 1кз , % |
4. Для исследования трансформатора под нагрузкой движок реостата rн поставить на максимум. С помощью автотрансформатора Т2 установить на первичной обмотке номинальное напряжение 220 В. Плавно уменьшая сопротивление реостата rн, изменять вторичный ток от 1,5 до 4,5 А через 0,5 А. Результаты измерений для каждого значения вторичного тока записать в табл. 5.3.
Таблица 5.3
Результаты исследования работы трансформатора под нагрузкой
| № п/п | Измеренные величины | Вычисленные величины | |||||||
| U1, B | I1, A | P1,Bт | U2, B | I2, A | P2,Вт | η, % | сosφ1 | β | |
| … … |






