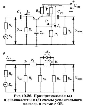
Усилительный каскад на биполярном транзисторе, включенном по схеме с общей базой, может использовать один или два источника питания. Рассмотрим каскад с ОБ с одним источником питания, принципиальная схема которого приведена на рис. 10.26, а. В этом каскаде для создания оптимального тока базы в режиме покоя 1бо, обеспечивающего работу усилительного каскада на линейном участке входной характеристики, служат резисторы R1 и R2. Конденсатор Сб имеет в полосе пропускания усилителя сопротивление значительно меньше R2, и падение напряжения на нем от переменной составляющей тока мало, поэтому можно считать, что по переменной составляющей тока база соединена с общей точкой усилительного каскада. Входное напряжение подается между эмиттером и базой через разделительный конденсатор Ср1. Выходное напряжение снимается между коллектором и базой через разделительный конденсатор Ср2. Резистор Rэ служит для прохождения постоянной составляющей тока эмиттера и для того, чтобы Rэ не шунтировало входное сопротивление каскада, оно на два-три порядка выше этого сопротивления каскада.
|
|
|
При подаче на вход рассматриваемого каскада положительной полуволны входного сигнала ток эмиттера и ток коллектора будут уменьшаться. Это приводит к уменьшению падения напряжения на Rк и увеличению Uкб, что приводит к формированию положительной полуволны выходного напряжения Uвых. Полярности входного и выходного напряжений совпадают, схема не инвертирует входной сигнал. Анализ работы усилительного каскада с общей базой по входным и выходным характеристикам проводится аналогично анализу работы каскада с ОЭ. Выходные характеристики транзистора в схеме с ОБ более линейны, чем в схеме с ОЭ, поэтому нелинейные искажения в каскаде с ОБ меньше, чем в каскаде с ОЭ.
Анализ работы усилительного каскада с общей базой по входным и выходным характеристикам проводится аналогично анализу работы каскада с ОЭ. Выходные характеристики транзистора в схеме с ОБ более линейны, чем в схеме с ОЭ, поэтому нелинейные искажения в этом случае меньше. Расчет параметров усилительного каскада с ОБ по переменному сигналу в области средних частот проводится по эквивалентной схеме, представленной на рис1О.26, б. На ней не показаны разделительные конденсаторы Ср1, Ср2 и конденсатор Сб, с помощью которого заземляется база транзистора по переменному току, так как их номиналы выбраны такими, что емкостные сопротивления даже в области низких частот невелики и при анализе их можно не учитывать.

