


27. Однокаскадный усилитель на БТ с общим эмиттером.
Усилительные каскады на биполярных транзисторах с резисторными нагрузками в цепи коллектора нашли широкое применение в предварительных каскадах усиления. Они обеспечивают
усиление по напряжению, току, мощности.
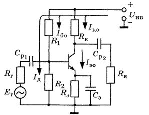
Принципиальная схема усилительного резисторного каскада с ОЭ представлена на рис. 10.22. Входной сигнал поступает на базу транзистора от генератора напряжения с внутренним сопротивлением Rr. Разделительный конденсатор Ср1 служит для предотвращения протекания постоянной составляющей тока базы через источник входного сигнала. При отсутствии Ср1 в цепи источника входного сигналавходного сигнала создавался бы постоянный питания Uип который мог бы вызвать падение напряжения на внутреннем сопротивлении Rг источника сигнала, изменяющее режим работы транзистора и приводящее к нагреву источника сигнала. Конденсатор Сp2 на выходе усилительного каскада обеспечивает выделение переменной составляющей коллекторного напряжения, которая поступает на нагрузочное устройство с сопротивлением Rn. Элементы R1, R3, Rэ обеспечивают режим каскада по постоянному току и температурную стабилизацию.
|
|
|
Параметры усилителя (коэффициенты усиления по току KI, напряжению KU и мощности Kp ρ; входное Rвх и выходное Rвых сопротивления) находятся с использованием аналитического метода, при котором на основе малосигнальной эквивалентной схемы транзистора строится эквивалентное представление каскада по переменному току и проводится его расчет по переменному току (рис. 10.23).










