Разностный (дифференциальный) усилитель

Uвых= Кu инв*Uвх1+ Кu неинв*Uвх1*R3/(R2+R3)
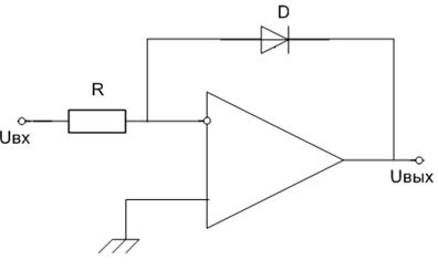
Логарифмический усилитель

Uвх/R=Iо(exp(Uвых/
-1)=> Uвых=
*ln(Uвх/Io*R)=
*(ln(Uвх)- ln(Io*R)). Из этого следует, что на выходе напряжения пропорциональна ln Uвх, а член ln(Io*R) – ошибка логарифмирования.
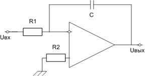
Интегратор

Uвх/R1=-C*dUвых/dt







