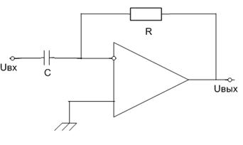
Интегратор

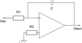
Дифференциатор

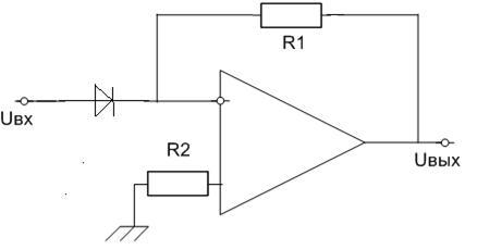
Логарифмирование

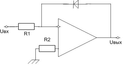
Потенцирование
41. Оптоэлектроника.
Оптоэлектроника – направление электроники, охватывающее вопросы использования оптических и электрических методов обработки, хранения и передачи информации.
О. отличается от вакуумной и полупроводниковой электроники наличием в цепи сигнала оптического звена или оптической (фотонной) связи.
Из-за электрической нейтральности фотонов в оптическом канале связи не возбуждаются электрические и магнитные поля, сопутствующие протеканию электрического тока. Иными словами, фотоны не создают перекрестных помех в линиях связи и обеспечивают полную электрическую развязку между передатчиком и приёмником, что принципиально недостижимо в цепях с электрической связью. Передача информации с помощью светового луча не сопровождается накоплением и рассеиванием электромагнитной энергии в линии. Отсюда — отсутствие существенного запаздывания сигнала в канале связи, высокое быстродействие и минимальный уровень искажения передаваемой информации, переносимой сигналом.
|
|
|
Высокая частота оптических колебаний (1014—1015 гц) обусловливает большой объём передаваемой информации и быстродействие. Соответствующая оптической частоте малая длина волны (до 10–4—10–5 см) открывает пути для микроминиатюризации передающих и приёмных устройств О., а также линии связи.
Основные элементы О.: источники света (лазеры, светодиоды), оптические среды (активные и пассивные) и фотоприёмники. Эти элементы применяются как в виде различных комбинаций, так и в виде автономных устройств и узлов с самостоятельными частными задачами. Существует 2 пути развития О.: оптический, основу которого составляет когерентный луч лазера (когерентная оптоэлектроника), и электрооптический, основанный на фотоэлектрическом преобразовании оптического сигнала (оптроника). Сущность оптроники состоит в замене электрических связей в цепях оптическими. С когерентной О. связаны новые принципы и методы построения больших систем вычислительной техники, оптические связи, запоминания и обработки информации, не имеющих аналогов в традиционной радиоэлектронике. Сюда относятся Голография с её огромными возможностями записи, хранения и отображения больших массивов информации, ЭВМ с параллельным вводом информации в виде картин (машины с картинной логикой), сверхбыстродействующие вычислительные системы со скоростью обработки информации Оптоэлектроника109—1011 операций в 1 сек, устройства памяти большой ёмкости (1010—1012 бит), лазерное телевидение и прочие. Большие перспективы открывает когерентная О. перед многоканальной оптической связью.






