В некоторых случаях рационально объединение требований к точности формы и расположения, исходя из соображений функционирования деталей и их контроля. К суммарным отклонениям формы и расположения относятся в первую очередь торцовое и радиальное биения.
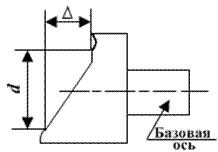
Торцовое биение (рис. 3.18) является следствием одновременного проявления отклонения от перпендикулярности торцовой поверхности по отношению к базовой оси вращения и отклонений от плоскостности части торцовой поверхности (ее узкой кольцевой зоны, лежащей на окружности заданного диаметра).
При контроле полного торцового биения рассматривают отклонения от плоскостности всей торцовой поверхности. Для нахождения экстремально расположенных точек при измерении полного торцового биения необходимо не только вращать деталь, но и обеспечить относительное перемещение наконечника измерительного прибора по радиусу от центра к периферии (или наоборот) в плоскости, перпендикулярной к базовой оси. Главным требованием к перемещению будет сохранение координаты первоначально настроенного нуля. В этом случае нельзя просто переустанавливать прибор для измерения торцового биения в выбранных сечениях, как это делают при измерении торцового биения. Разность наибольшего и наименьшего показаний даст искомое полное биение.
|
|
|

Рис. 3.18. Торцовое биение
Радиальное биение – следствие одновременного проявления отклонения рассматриваемой поверхности вращения от соосности по отношению к базовой оси, а также отклонений от круглости профиля поперечного сечения измеряемой поверхности. При контроле полного радиального биения оценивают предельные отклонения радиуса-вектора на всей цилиндрической поверхности, для чего при измерении, следует вращать деталь и дополнительно перемещать ее или наконечник прибора вдоль образующей на всём нормируемом участке параллельно базовой оси, сохраняя первоначальную настройку нуля.
Контроль полного радиального и полного торцового биений имеет ту отличительную особенность, что в отличие от контроля биений в нескольких сечениях с произвольной переустановкой измерительного наконечника прибора, полное биение определяют как разность экстремальных показаний прибора, найденных в любых контрольных сечениях. Именно этим обусловлена необходимость перемещать измерительный прибор строго параллельно или перпендикулярно базовой оси, чтобы получить отклонения радиусов-векторов или положения реальных точек торца детали в фиксированной системе координат.
Кроме радиального и торцового биений стандарт позволяет нормировать еще и биение в заданном направлении, (рис. 3.19) которое отличается от радиального и осевого направлений, например, биение по нормали к образующей конической поверхности.
|
|
|
Стандартом предусмотрена возможность ограничивать суммарные отклонения формы и расположения в ряде других сочетаний, например, отклонения от плоскостности и параллельности (плоскопараллельности), плоскостности и перпендикулярности, плоскостности и наклона.

Рис. 3.19. Биение в заданном направлении:
а – заданное направление; б – базовая ось
Отклонения формы заданного профиля и отклонения формы заданной поверхности являются результатом совместного проявления отклонений размеров и формы профиля (поверхности), а также отклонений их расположения относительно заданных баз. Отклонения формы и расположения заданного чертежом криволинейного профиля (поверхности) отсчитывают от номинального расположения идеального профиля (поверхности).
Стандартами установлены такие виды допусков формы и расположения поверхностей, как допуски радиального биения, торцового биения и биения в заданном направлении. Кроме того, предусмотрены допуски полного радиального и полного торцового биений. К суммарным допускам формы и расположения поверхностей стандарт относит также допуски формы заданного профиля и формы заданной поверхности. Фактически это не допуски формы, а суммарные допуски формы и расположения.
Поле допуска формы заданного профиля – область на заданной плоскости сечения, ограниченная двумя линиями, эквидистантными номинальному профилю, расстояние между которыми равно допуску формы заданного профиля Т в диаметральном выражении. Указание допуска в диаметральном выражении предпочтительно, хотя он может быть задан и в радиусном выражении (Т /2).
Поле допуска формы заданной поверхности – область, ограниченная двумя поверхностями, эквидистантными номинальной, расстояние между которыми равно допуску формы заданного профиля Т в диаметральном выражении.
Все названные суммарные допуски формы и расположения подкрепляются наличием специальных условных знаков.
Для нормирования суммарных допусков формы и расположения можно использовать определенные сочетания автономных допусков формы и расположения, которые оформляются с помощью ранее приведенных конкретных терминов и комбинации соответствующих знаков. Примерами таких допусков являются допуски плоскопараллельности, «плоскоперпендикулярности» и т.д.
Суммарные допуски формы и расположения поверхностей предусматривают обязательное наличие базы, которая используется для отсчета отклонений и построения полей допусков. Базами являются не реальные поверхности и профили, а прилегающие элементы базовых поверхностей, их оси или геометрические центры.
Метрологической (измерительной) базой для контроля радиальных и торцовых биений, а также биения в заданном направлении служит заданная конструктором определенная ось, вокруг которой вращается контролируемая поверхность. Один и тот же базовый элемент («базовая ось») может одновременно быть базой для контроля биений в разных направлениях. По нормали к оси контролируют радиальное биение, в параллельном ей направлении – торцовое, и в любом другом назначенном – биение в заданном направлении. Аналогом такой базы при нормировании допусков расположения (только расположения, а не суммарных) является базовая плоскость, относительно которой заданы допуски параллельности, перпендикулярности и наклона элементов сложной детали.
Допуски формы заданного профиля и заданной поверхности требуют базы типа точки или оси, линии или плоскости или соответствующего комплекта баз.
Построение полей суммарных допусков формы и расположения отличается той особенностью, что расположение поля допуска фиксированное и зависит от координирующих размеров, связывающих базу и нормируемый элемент. В отличие от них поля допусков формы или расположения поверхностей «привязывают» только к рассматриваемому или только к базовому элементу, и поэтому они могут занимать произвольное положение внутри поля допуска размера.
|
|
|