Фотодатчики, или фотоэлементы – это устройства, изменяющие свои параметры под действием меняющегося светового потока.
В сельскохозяйственной автоматике фотоэлементы используются как датчики, входной величиной которых может быть: изменение потока лучистой энергии вследствие поглощения, рассеяния, изменения траектории луча в контролируемом объекте; изменение яркости и спектрального состава излучения, количество, частота, амплитуда и длительность световых импульсов. Выходной величиной является фототок, напряжение или фотоэлектродвижущая сила.
Фотоэлементы могут быть с внешним фотоэффектом (фотоэмиссионные) и внутренним фотоэффектом (фоторезистивные и фотогальванические).
Фотоэлементы с внешним фотоэффектом бывают вакуумные и газонаполненные.
Внешним фотоэффектом называют излучение, т. е. выход в окружающее пространство потока свободных электронов с поверхности металла (фотоэмиссия) под действием энергии электромагнитного излучения.
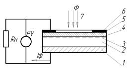
Вакуумный фотоэлемент (рисунок 1.1) представляет стеклянный баллон, внутри которого расположены фотокатод и анод, имеющие выводы к наружным контактным штырькам. Катодом является светочувствительный слой из щелочных металлов, например окиси цезия, нанесенный на металлическую пластинку, стенку баллона или на серебряную подложку, предварительно осажденную химическим способом на внутреннюю стенку стеклянного баллона.
|
|
|
Рисунок 1.1
Катод занимает около половины внутренней поверхности баллона, а остальная прозрачная часть служит входным окном. Анод представляет собой металлическое кольцо, стержень или сетку.
К аноду прикладывается положительное напряжение, а к катоду – отрицательное. Вакуум обычно составляет 10-6–10-7 мм. рт. ст.
Газонаполненные (ионные) фотоэлементы (рисунок 1.l, например, элемент ЦГ-4) конструктивно ничем не отличаются от вакуумных. Внутри колбы газонаполненных фотоэлементов имеется инертный газ под небольшим давлением.
Газонаполненные элементы более чувствительны, чем вакуумные, но обладают большой инертностью. Вакуумные фотоэлементы практически безинерционные.
Еще большей инерционностью обладают фотоумножители, представляющие собой фотоэлемент с несколькими промежуточными электродами-эмиттерами.
Различают два вида внутреннего фотоэффекта: фоторезистивный и вентильный. Фоторезистивный эффект состоит в изменении электрического сопротивления полупроводника под воздействием энергии электромагнитного излучения. Фоторезистивным эффектом обладают фоторезисторы (фотосопротивления), в них под действием света увеличивается количество свободных электронов, а следовательно, и электропроводность. В большинстве случаев фоторезистор представляют собой нанесенный на стеклянную пластинку 5 тонкий слой полупроводникового вещества 4 (рисунок 1.2).
|
|
|

Рисунок 1.2
К противоположным сторонам полупроводникового слоя припаиваются металлические электроды 1. В качестве светочувствительного материала используется сернистый свинец, сернистый висмут, сернистый кадмий и др. Поверх полупроводникового слоя наносится пленка светопроницаемого лака 3 для предохранения фоторезистора от внешней среды. Корпус фоторезистора, в который помещен светочувствительный элемент, может иметь различную форму.
Промышленность выпускает сернисто-свинцовые фоторезисторы ФСА-1, ФСА-2, ФСА-6 и др.; селенисто-кадмиевые ФСД-Г1, ФСД-1; сернисто-кадмиевые ФСК-1, ФСК-2, ФСК-4, ФСК-6, ФСК-7 и пленочные ФСК-П, ОФ и др.
Фоторезисторы характеризуются высокой светочувствительностью, простотой конструкции, малыми габаритами, значительной мощностью и большим сроком службы. Фоторезисторы могут работать в цепях переменного и постоянного тока. Однако фоторезисторам присуще нелинейная зависимость силы фототока от светового потока, относительно высокая инерционность и некоторая зависимость параметров от температуры. Постоянная времени у фоторезисторов составляет порядка 3 ´ 10-3, 3 ´ 10-5 с при световом потоке 10-5 лм.
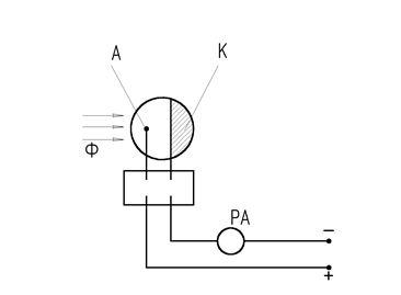
Другим видом внутреннего эффекта является фотогальванический (вентильный) эффект, сущность которого состоит в возникновении электродвижущей силы между двумя разнородными слоями полупроводника, обладающими электронной n и дырочной p проводимостями, под действием электромагнитного излучения. На этом принципе работают фотодиоды, фототриоды, фототиристоры.
Фотодиод – это приемник лучистой энергии, имеющий направленное движение носителей тока при воздействии светового потока.
Фотодиод может включаться в схему с внешним источником питания (фотопреобразовательный режим) и без него (генераторный режим).
Вентильные элементы конструктивно аналогичны, отличаются лишь формой и размерами, исходным полупроводниковым материалами и т. п. (рисунок 1.3).

Рисунок 1.3
Вентильный фотодиод имеет металлическое основание 1 толщиной 1–2 мм, выполняющее функции электрода и подложки, на которую нанесен тонкий слой селена 2, покрытый сверху полупрозрачным металлическим слоем или сеткой 5, изготовленной из серебра, золота или платины менее 1 мкм. Металлический слой пропускает световой поток в слой селена и выполняет функцию верхнего электрода.
Путем специальной обработки над исходным слоем р -селена 2, обладающим дырочной проводимостью, образован слой n -селена 4 с электронной проводимостью, а между ними – тончайший запирающий слой 3, называемый р–n – переходом; фотоэлемент заключается в эбонитовую пластмассовую оправу 6 в форме диска или прямоугольника с окном и двумя клеммами.
Для значительного увеличения чувствительности вентильных фотоэлементов применяют германиевые или кремниевые фототранзисторы (рисунок 1.4) которые под действием лучистой энергии усиливают фототок. Трехслойная структура фототранзисторов (эмиттер–база–коллектор) подобна структуре обычных плоскостных или диффузионных транзисторов. Конструктивно фототранзистор представляет собой полупроводниковую пластину c тремя чередующимися областями р–n–р проводимостей. Под действием света в базовой области образуются пары электрон-дырка, которые под влиянием электрического поля диффундируют в эмиттерную и коллекторную части триода. В результате создается ток, проходящий через эмиттерно-базовый переход, который усиливает ток коллектора. При помощи фототранзистора можно управлять не только световым потоком, но и электрическим сигналом.
|
|
|
а | б |
Рисунок 1.4 – Фототранзистор
а – схематичное изображение устройства; б – схема включения
Фототиристор является полупроводниковым прибором, который сочетает в себе положительные свойства тиристора и преобразователя оптической энергии в электрическую. Принцип действия фототиристора аналогичен принципу действия фототранзистора.
Светодиоды – электронные приборы, служащие для непосредственного преобразования электрической энергии в световую и обладают высокой экономичностью, быстродействием, небольшими размерами и т. д. Светодиод способен создавать некогерентное оптическое излучение при прохождении через него прямого тока. В основе принципа действия светодиодов лежат два явления: инжекция неосновных носителей через электронно-дырочный переход при прямом напряжении на нем и излучение света при рекомбинации пар электрон–дырка.
Основными характеристиками фотоэлементов являются:
– световая I ф = f (Ф) – зависимость фототока от интенсивности падающих на фотокатод лучей;
– спектральная I ф = f( l ) – зависимость фототока от длины волны падающих лучей;
– вольтамперная I ф = f (U) – зависимость фототока от напряжения (при заданной интенсивности лучистого потока);
– частотная (инерционная) I ф = f (F) – зависимость фототока от частоты изменения интенсивности падающего светового потока;
– температурная I ф = f (T) и l= f (T) – зависимость фототока и спектрального состава от температуры (превышение некоторых значений температур вызывает резкое изменение фотоэлектрических свойств фотоэлемента).
а
б 





