1. Снять и построить вольтамперные статические характеристики вакуумных СЦВ-3, СЦВ-4 фотоэлементов, фоторезистора ФСК-1, фотодиода ФД-2 при двух значениях освещенности (Ф1 = 60 люкс и Ф2 = 90 люкс) и определить статическую чувствительность по напряжению:
мА/В. (1.1)
Перед началом работы необходимо включить источник питания УИП-1 тумблером с надписью «Сеть» на лицевой панели источника и тумблер SA4 в положение «12 В» на стенде. Все остальные тумблеры должны быть выключены.
А. При снятии вольтамперной характеристики элемента BL1 переключательSA1 перевести в положение «СЦВ-3». Включить тумблерSA2в положение стрелки вниз «СЦВ-3», переключательSA3 – в положение «50». Установить переменным резистором R3 «Яркость» вначале световой поток Ф1 = 60 люкс, затем Ф2 = 90 люкс. Величина освещенности измеряется по встроенному в стенд люксметру А при нажатой кнопке с надписью «100–103–104–105». Отключение прибора осуществляется нажатием кнопки «OFF».
Изменяя напряжение питания фотоэлементов переменным резистором на источнике УИП-1 от 0 до 220 В через каждые 20 В, напряжение контролируют по вольтметру PV 1,по микроамперметруРА отмечают значение тока. Результат измерений заносят в таблицы 1.1 и 1.2.
|
|
|
Таблица 1.1 – Вольтамперная характеристика при Ф1 = 60 люкс
| U, B | |||||||||||||
| СЦВ-3 | I ф1, мА | ||||||||||||
| СЦВ-4 | I ф2, мА | ||||||||||||
| ФСК-1 | I ф3, мА |
Таблица 1.2 – Вольтамперная характеристика при Ф2 = 90 люкс
| U, B | |||||||||||||
| СЦВ-3 | I ф1, мА | ||||||||||||
| СЦВ-4 | I ф2, мА | ||||||||||||
| ФСК-1 | I ф3, мА |
Б. При снятии вольтамперной характеристики фотоэлемента BL2 переключательSA1 перевести в положение «СЦВ-4». Повторить пункт 1А.
В. При снятии вольтамперной характеристики фоторезистора переключательSA1 перевести в положение «ФСК-1».ПереключательSA3перевести в положение «100 мА». Повторить пункт 1А.
Г. При снятии вольтамперной характеристики фотодиода (ФД-2) тумблерSA2 установить в положение «Фотодиод» переключательSA3– в положение «50 мА», переключательSA5 – в положение «R6».
Установить переменным резистором R3 «Яркость» вначале световой поток Ф1, затем Ф2. Регулируя переменным резистором R4 напряжение питания от 0 до 12 В при световом потоке Ф1 и Ф2 через каждые 2 В, напряжение контролируют по вольтметру PV2, величину тока – по микроамперметруPA.
Результаты измерений записать в таблицу 1.3.
Таблица 1.3 – Вольтамперная характеристика фотодиода
| U, B | |||||||
| I Ф1 (Ф = 60 люкс) | |||||||
| I Ф2 (Ф = 90 люкс) |
2. Снять и построить световые характеристики для фотоэлементов.
|
|
|
А. При снятии световых характеристик для элементов СЦВ-4, СЦВ-3 и ФСК-1 установить напряжение питания 220 В.
ПереключательSA1 перевести в положение «СЦВ-4», тумблерSA2 – в положение стрелки вниз «СЦВ-3», переключательSA3 – в положение «50 мА».
Величина освещенности контролируется по люксметру. Изменяя освещенность от 0 (условно) до 90 люкс через каждые 10 люкс при помощи переменного резистора R3, контролируют значение тока для исследуемого фотоэлемента по прибору РА.
Результаты измерений записать в таблицу 1.4.
Таблица 1.4 – Световая характеристика фотоэлементов
| Ф, люкс | |||||||||||
| СЦВ-3 | I ф1, мА | ||||||||||
| СЦВ-4 | I ф2, мА | ||||||||||
| ФСК-1 | I ф3,мА | ||||||||||
| ФД-2 | I ф4, мА |
Устанавливая переключательSA1 последовательно в положение «СЦВ-3» «ФСК-1» снимаем световые характеристики. В случае зашкаливания стрелки прибора РА переключательSA3 в положение «100 мА».
Б. При снятии световой характеристики для фотодиода ФД-2 установить напряжение питания 12 В потенциометром R4. ТумблерSA2 перевести в положение «Фотодиод» переключательSA3 – в положение «50 мА», переключательSA5 – в положение «R6».
Повторить п. 2А в части снятия зависимости I ф4 = f (Ф).
3. По данным таблиц 1.1–1.4 построить характеристики:
I ф i = f(U),
I ф i = f( Ф ).
Построение выполнить в одном масштабе.
По полученным характеристикам I ф i = f (U) определить статическую чувствительность К ст, по I ф i = f (Ф) – интегральную К и и удельную К о чувствительность:
;
,
где I ф i – фототок i -го фотоэлемента.
4. Изучить устройство и работу фотореле ФР-2.
Фотореле как средство автоматики широко используется в промышленности и сельском хозяйстве в качестве устройств автоматического отключения и включения уличного освещения, автоматических сигнализаторов дымности воздуха и мутности воды, устройств контроля пламени в топках котлов, а также в различных защитных устройствах.
Принцип действия фотореле основан на преобразовании светового потока в электрический сигнал. Оно состоит из фотодатчика, электронного усилителя и слаботочного реле, являющегося выходным регулирующим (сигнализирующим) устройством.
Усилитель и слаботочное реле конструктивно выполняют в виде отдельного блока КЕ, к входным зажимам которого дистанционно подключается блок фотодатчика, устанавливаемый непосредственно на объекте контроля. В качестве фотодатчика используют один из выше рассмотренных фотоэлементов.
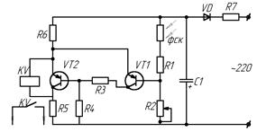
Конструкция одного из типов фотореле представлена в лабораторном стенде, его принципиальная схема изображена на рисунке 1.5.

Рисунок 1.5 – Схема фотореле
Реле работает следующим образом. При уменьшении освещенности сопротивление датчика (фоторезистора ФСК-1) увеличивается. Увеличение сопротивления датчика приводит к уменьшению тока базы транзистора VТ1. При этом транзисторы VT1 и VT2 закрываются, в результате возрастает напряжение на участке эмиттер-коллектор транзистора VТ2, параллельно которому включена катушка КV реле РПНВ. Реле срабатывает и своими контактами включает цепи освещение. При увеличении освещенности процессы в фотореле происходят в обратном порядке.
При исследовании работы фотореле включить тумблерSA6 в положение «Фотореле», тумблер SA4 должен быть установлен в положение «12 В». Переменный резистор R3 установить в крайнее положение, обеспечивающее минимальную освещенность лампы HL2.
Регулируя резистором R3 освещенность от нуля (условно) до момента включения лампы HL3, сигнализирующей срабатывание фотореле, измерить величину освещенности Фср по люксметру и записать ее в отчет по работе.
Содержание отчета
1. Устройство и схемы включения фотоэлементов: фото- и вакуумного резистора, фото- и вентильного транзистора.
|
|
|
2. Таблицы результатов измерений.
3. Графические вольтамперные и световые характеристики исследованных фотоэлементов.
4. Коэффициент статической К ст, интегральной К и и удельной К о чувствительности, определенные по соответствующим экспериментальным характеристикам.
5. Принципиальная схема фотореле ФР-2.
Контрольные вопросы
1. Объяснить устройство и принцип действия фотоэмиссионных, фоторезистивных и фотогальванических (полупроводниковых) фотоэлементов.
2. Как определить статическую, интегральную и удельную чувствительность фотоэлементов?
3. Для каких целей используются фотоэлементы в схемах автоматики?
4. Объяснить физическую сущность явлений внешнего и внутреннего фотоэффектов.
5. Что понимают под световой и вольтамперной характеристиками?
6. Объяснить работу фотореле.
Литература
1. Бохан, Н.И. Основы автоматики и микропроцессорной техники: учеб. пособие / Н.И. Бохан. – Минск: Ураджай, 1987. – 376 с.
2. Загинайлов, В.И. Основы автоматики / В.И. Загинайлов, Л.И. Шеповалов. – Москва: Колос, 2001.
3. Литвак, В.И. Фотореле в системах автоматики / В.И. Литвак. – Москва: Энергия,1979. – 104 с.
4. Бородин, И.Ф. Автоматизация технологических процессов/ И.Ф. Бородин, Ю. А. Судник. – Москва, КолосС, 2007. – 344с.






