В соответствие с требованиями «Правил учета тепловой энергии и теплоносителя» (РД 34.09.102. Утв. Минтопэнерго России 12.04.97 г.) каждая теплоснабжающая и теплопотребляющая организации, независимо от форм собственности, должны вести учет тепловой энергии и расхода теплоносителя. С этой целью источники теплоты (котельные и ТЭЦ) и потребители теплоты (тепловые пункты) оборудуются узлами учета теплоты.
Основные сведения об узлах учета тепловой энергии. Узел учета теплоты – это комплект приборов и устройств, обеспечивающий учет тепловой энергии, массы (объема) теплоносителя, а также контроль и регистрацию его параметров. Уровень оснащенности узлов учета источников и потребителей теплоты средствами измерений зависит от схемы теплоснабжения, вида и величины тепловой нагрузки и устанавливается настоящими Правилами. Энергоснабжающая организация (ЭСО) не имеет права дополнительно требовать от потребителя установки на узле учета приборов, не предусмотренных Правилами. С другой стороны, потребитель по согласованию с ЭСО может дополнительно установить приборы учета и контроля, если это не нарушает технологию и точность коммерческого учета. При этом показания дополнительных приборов не могут использоваться при взаимных расчетах между потребителем и ЭСО.
Все работы по оборудованию узла учета должны выполняться организацией. Имеющей лицензию (разрешение) Ростехнадзора.
Приборы учета выполняют одну или несколько функций, такие как: измерение, накопление, хранение, отображение информации о количестве тепловой энергии, расходе теплоносителя, его давлении и температуре, а также о времени работы приборов. В зависимости от возможности использования информации приборы подразделяются на показывающие и регистрирующие. В последних измеряемая величина отображается на бумаге в цифровой или графической форме.
По роду измеряемых физических величин приборы подразделяются на:
- манометры – приборы для измерения давления;
- термометры – приборы для измерения температуры;
- водосчетчики – приборы для измерения расхода воды;
- теплосчетчики – приборы для измерения количества теплоты.
Наиболее сложным из приборов является теплосчетчик. Он состоит из двух функционально самостоятельных частей: тепловычислителя и датчиков расхода теплоносителя, его температуры и давления. Получив данные о расходе, температуре и давлении воды тепловычислитель производит расчет количества теплоты.
Как известно, расход теплоты прямо пропорционален произведению расхода воды G на разность энтальпий сетевой воды в подающем трубопроводе h1 и в обратном трубопроводе h2:
Q = G (h1 - h2)
Энтальпия воды характеризует внутреннюю энергию 1 кг воды и находится как произведение теплоемкости воды С на ее температуру t:
h = С × t
Теплоемкость воды определяет количество теплоты, которое нужно подвести к 1 кг воды, чтобы изменить его температуру на 1 0С в кДж/кг град или в ккал/ кг градус. Теплоемкость, а следовательно и энтальпия, зависит от температуры и давления. Поэтому для ее нахождения в тепловычислитель должна поступать информация от датчиков температуры и давления.
Для измерения расхода воды в теплосчетчиках применяются такие способы, как способ переменного давления на сужающих устройствах, тахометрический, электромагнитный, ультразвуковой, вихревой и др. Поэтому теплосчетчики кратко называются электромагнитными, ультразвуковыми, вихревыми, тахометрическими и т.д.
В подавляющем большинстве теплосчетчики измеряют объемный расход воды. Для перехода к массовому расходу вычислитель вычисляет плотность воды на основании данных о ее температуре.
В общем случае теплосчетчики вычисляют и фиксируют следующие параметры:
- расход теплоносителя в м3/ч (т/ч);
- суммарные объем (м3) и массу (т) теплоносителя (нарастающим итогом);
- суммарное потребление тепловой энергии в Гкал (нарастающим итогом);
- тепловую мощность в Гкал;
- температуру теплоносителя в подающем и обратном трубопроводах;
- разность температур в трубопроводах;
- среднечасовые и суточные значения перечисленных выше параметров.
Кроме того теплосчетчик выдает данные о времени работы в штатном режиме и при технической неисправности прибора. При возникновении неисправности в измерительном комплексе указывается код неисправности и время работы при наличии каждой нештатной неисправности.
В теплосчетчике хранится информация об измерениях, которая может выдаваться из архива на компъютор, принтер, пульт диспетчера и др. Просмотр архивных данных может производиться на жидко кристаллическом мониторе прибора.
Прибор фиксирует параметры в следующих диапазонах:
- количество теплоты – от 0 до 10 9 Гкал;
- массу или объем – от 0 до 10 9 т или м3;
- расход воды - от 0 до 10 6 м3/ч или т/ч;
- температуру воды – от 0 до 150 0С;
- разность температур воды в подающем и обратном трубопроводах – от 2 до
150 0С;
- давление воды – от 0 до 2,5 МПа;
- время – от 0 до 10 9 часов.
Погрешность измерения количества теплоты, расхода теплоносителя, разности температур, давления воды и температуры не превышает ± 2 %. Время измеряется с точностью ± 0.02 %
.В настоящее время тепосчетчики выпускаются многими производителями (не менее 45 фирм), в том числе и петербургскими фирмами «Взлет», «Логика», «Теплоком». Фирма «Взлет», например, выпускает тепосчетчики типа ТСР в количестве 13 тыс. шт. в год. В С-Петербурге узлами учета теплоэнергии оборудовано не менее 10500 зданий. Применение узлов учета, как показывает практика, позволяет экономить на оплате за отопление в среднем 30 %.
Примеры установки узлов учета тепловой энергии в котельной и тепловых пунктах показаны на рис. 1, 2 и 3.

Рис. 1. Схема размещения точек измерения расхода теплоносителя и его регистрируемых параметров в котельной.
Рис.2. Схема размещения точек измерения расхода теплоносителя и его регистрируемых параметров тепловом пункте открытой системы теплоснабжения
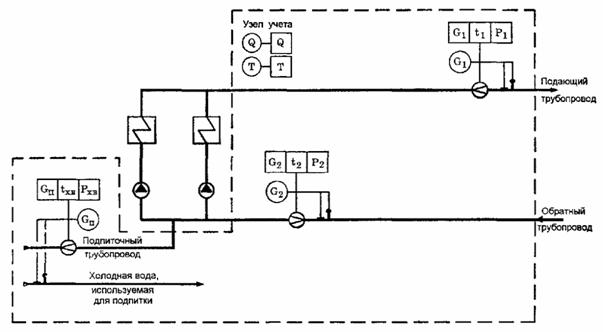
Рис.3. Схема размещения точек измерения расхода теплоносителя и его регистрируемых параметров в тепловом пункте закрытой системой теплоснабжения
Допуск в эксплуатацию УУТЭ у потребителя. Выбор приборов для использованя на узле учета потребителя осуществляет потребитель по согласованию с ЭСО. В случае разногласий между ними окончательное решение принимает Ростехнадзор. Приборы должны быть защищены от несанкционированного вмешательства в их работу и проходить поверку с периодичностью, предусмотренной Госстандартом (например, 1 раз в 4 года).
Допуск в эксплуатацию УУТЭ осуществляет представитель ЭСО в присутствии представителя потребителя, о чем составляется Акт в 2 –х экземплярах. Акт утверждается руководителем ЭСО.
Для допуска УУТЭ представитель потребителя предсталяет в ЭСО следующую документацию:
- принципиальную схему теплового пункта;
- проект на УУТЭ, согласованный с ЭСО;
- паспорта на приборы узла учета;
-документы о проверке приборов с действующем клеймом госповерителем;
-технологические схемы узла учета, согласованные с Госстандартом, если расход воды измеряется методом переменного давления.
После получения Акта о допуске в эксплуатацию представитель ЭСО производит пломбирует приборы УУТЭ.
Перед каждым отопительным периодом осуществляется проверка готовности УУТЭ к эксплуатации, о чем составляется соответствующий акт.
Эксплуатация УУТЭ у потребителя. Эксплуатация УУТЭ должна производиться в соответствие с технической документацией, указанной выше. Ответственность за эксплуатацию УУТЭ несет лицо, назначенное руководителем организации, в чьем ведении находится данный узел учета. Нарушение требований эксплуатации, изложенной в технической документации, приравнивается к выходу УУТЭ из строя. Кроме того УУТЭ считается вышедшим из строя в следующих случаях:
- несанкционированного вмешательства в его работу;
- нарушения пломб на оборудовании уза учета и линий электрических связей;
- механического повреждения приборов и элементов УУТЭ;
- работы любого из приборов за пределами установленных норм точности;
- при истечении срока действия Госповерки, хотя бы одного из приборов узла учета;
- врезок в трубопроводы, не предусмотренных проектом УУТЭ.
Время выхода узла учета фиксируется записью в журнале, о чем немедленно (в течение не более одних суток) сообщается в ЭСО. Выход УУТЭ из строя оформляется протоколом. После восстановления работоспособности узла учета допуск его в эксплуатацию производит представитель ЭСО в присутствии представителя потребителя, о чем составляется соответствующий Акт.
Показания приборов фиксируются потребителем ежесуточно в одно и то же время в специальном журнале. В срок, установленный Договором, потребитель представляет в ЭСО копии журнала для расчета за потребленную тепловую энергию и теплоноситель.
Периодическую проверку УУТЭ проводят представители ЭСО и (или) Ростехнадзора в присутствии представителя потребителя.
Приложение 1
Контрольные вопросы с ответами
Примечания: В скобках указываются:
1. ПТЭ ТЭ – правила технической эксплуатации тепловых энергоустановок
2. ПТБ – правила техники безопасности при эксплуатации теплопотребляющих энергоустановок и тепловых сетей потребителей.