В данной лабораторной работе комбинационные схемы на сумматорах исследуются моделированием их на ЭВМ с помощью пакета прикладных программ Electronics Workbench версии 6.2 (Multisim), а также в пакете Max+ Plus2.
При выполнении лабораторной работы используются полусумматоры, сумматоры и разрядные сумматоры.
Блок создаётся нажатием клавиш «CTRL» + «B».
Таблица 6.6 Таблица истинности полусумматора
| A | B | P | S |
Таблица 6.7 Таблица истинности одноразрядного сумматора
| A | B | P0 | S | P |
Таблицу истинности для микросхем можно получить сначала выделив её, а затем нажав клавишу F1.
Вам необходимо собрать схему согласно Вашему варианту. Провести моделирование. Получите таблицы истинности для схемы. Сумматоры берутся из библиотек, описанных в первой работе.
|
|
|
6.6 Порядок проведения работы в пакете MAX+plus II
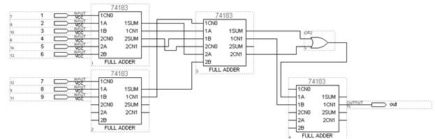
В качестве примера приведем построение пороговой схемы 5/9. На входе будет единица, если на 5-ти или более входов будет единица.
Сумматоры в пакете MAX+plus II сдвоенные, т.е. два полных сумматора объединены в одной схеме. Это позволяет упростить построение.
Схема имеет номер 74183 (FULL ADDER) и находится в библиотеке mf.
В соответствии с порядком создания пороговой схемы, приведенном выше, получаем:

Рис. 6.61 Пороговая схема 5/9
Задаем входные сигналы. Для этого подаем последовательно единицу сначала на один вход, затем на два и т.д.:

Рис. 6.62 Входные сигналы
Запускаем компилятор, затем симулятор. Проводим анализ временных задержек между входами и выходом:

Рис. 6.63 Матрица задержек
Нажав в окне симулятора кнопку Open SCF, получаем результат работы схемы:

Рис. 6.64 Временные диаграммы
Из графика видно, схема срабатывает тогда, когда больше, чем на четырех входах сигнал высокого уровня (единица), что и требуется по заданию.
Контрольные вопросы
1. Чем отличается полусумматор от сумматора? Как построить сумматор для n-разрядных чисел?
2. По каким признакам классифицируют сумматоры?
3. Что называется пороговой схемой и для решения каких задач она применяется?
4. Что называется мажоритарным элементом и для решения каких задач он применяется?
5. Как формируется код Грея и для решений каких задач он используется?
6. Что такое умножители двоичных чисел?
7. Для чего применяются умножители?
8. Какие умножители называются матричными?
9. Какие виды умножителей Вы еще знаете?
10. В чем отличие матричного умножителя от быстрого умножителя?
|
|
|
11. В чем отличие матричного умножителя от последовательного умножителя?
12. В чем отличие последовательного умножителя от быстрого умножителя?
13. Что такое частичные произведения?
14. Какой метод вычисления произведения называется модифицированным алгоритмом Бута?
15. Почему все вычисления проще выполнять при представлении чисел в двоичном коде?
16. Какой метод умножения называется последовательным?






