| Сечение нормального ремня | Конструкция шкива при d, мм | Сечение узкого ремня | ||
| Монолитная | С диском | Со спицами | ||
| О А | 63...90 90...100 | 80...160 112...200 | ≥180 ≥224 | УО УА |
| Б В | — — | 125...250 200...355 | ≥280 ≥400 | УБ УВ |
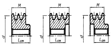
а
|
б
|
в
|
Рис. 3.4.1. Конструкции шкивов:
а — монолитная; б — с диском; в — со спицами
| ||
| а | б | в |
Рис. 3.4.2. Конструкции монолитных шкивов (ГОСТ 20889—88):
а — тип 1 — с односторонней выступающей ступицей; б — тип 2 — с односторонней выточкой; в — тип 3 — с односторонней выточкой и выступающей ступицей
| ||
| а | б | в |
Рис. 3.4.3. Конструкции шкивов с диском и ступицей
(ГОСТ 20889—88): а — тип 4 — с выступающей с одного
торца обода; б — тип 5 — с укороченной с одного торца обода;
в — тип 6 — с выступающей с одного и укороченной
с другого торца обода
|
а б в
Рис. 3.4.4. Конструкции шкивов со спицами и ступицей
(ГОСТ 20889—88): а — тип 7 — с выступающей с одного
торца обода; б — тип 8 — с укороченной с одного торца обода;
в — тип 9 — с выступающей с одного и укороченной
с другого торца обода.
• Размеры профиля канавок = f (сечения ремня) выбираются по таблице 3.4.2.
• Наружный диаметр шкива:
de = d + 2t, мм.
• Ширина венца шкива:
М = (z — 1)p + 2f, мм.
• Другие размеры элементов шкивов высчитываются по формулам, приведенным в п. 2.4.3.
3.4.3. Шероховатость поверхностей шкивов.
• Рабочая поверхность канавок Ra = 0,8…1,25.
• Поверхности ступицы (см. п. 2.4.2).
• Другие обрабатываемые поверхности Ra = 6,3…12,5.
• Фаски Ra = 1,25…25.
• Другие необрабатываемые поверхности 
Таблица 3.4.2
а
б
в






