| ||||||||||
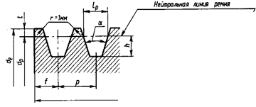
| Тип ремня | Сечение ремня | t | lp | p | f | h | Значение α, град | |||
| Размеры, мм | Расчетные диаметры шкивов dp, мм | |||||||||
| Клиновой | О А Б В | 2,5 3,3 4,2 5,7 | 8,5 | 25,5 | 12,5 | 8,7 10,8 14,3 | 63…71 90…112 125…160 — | 80…100 125…160 180…224 200…315 | 112…160 180…400 250…500 355…630 | >180 >450 >560 >710 |
| Узкий клиновой | УО УА УБ | 2,5 3,0 4,0 | 8,5 | 12,5 | 63…80 90…118 140…190 | — — — | >80 >118 >190 | — — — |
Пример нанесения шероховатости на чертеже представлен на рисунке 3.4.5.

Рис. 3.4.5. Шероховатость поверхностей шкивов
3.4.4. Отклонения формы и расположения поверхностей шкивов (ГОСТ 20889—88).
• Допуск биения
конусной рабочей поверхности канавки шкива на каждые 100 мм диаметра относительно оси вращения должен быть не более:
0,20 мм — при частоте вращения шкива до 80 с-1;
0,15 мм — при частоте вращения шкива до 160 с-1;
0,10 мм — при частоте вращения шкива св. 160 с-1.
• Допуск осевого биения
поверхности обода относительно оси посадочного отверстия (табл. 3.4.3).
• Допуск радиального биения
поверхности обода относительно оси посадочного отверстия (табл. 3.4.3).
• Отклонения размеров поверхностей ступицы (см. рис. 2.4.1, табл. 2.4.1).
• Предельные отклонения угла канавки шкивов, обработанных резанием, должны быть не более:
± 1° — для ремней О, А, Б;
± 30´ — для ремней В, Г, Д.
Таблица 3.4.3






