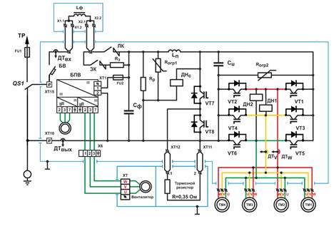
Контейнер тягового инвертора предназначен для размещения оборудования и аппаратуры управления тяговым приводом и питания четырех асинхронных тяговых двигателей. Тяговый инвертор, оборудование которого размещается в контейнере, является преобразователем напряжения контактной сети в трехфазное напряжение, регулируемое по амплитуде и частоте. Контейнер содержит:
-линейный контактор ЛК;
-зарядный контактор ЗК;
-зарядный резистор RЗ;
-датчики входного и обратного тока ДТВХ и ДТВЫХ;
-источник вторичного электропитания ИПК;
-панель промежуточных реле ПР;
-блок управления тяговым приводом БУТП;
-датчики тока и напряжения ДТW, ДТV, ДН1,ДН2 и ДНС;
-модуль силового инвертора МСИ (транзисторы VT1-VT8);
-вентилятор охлаждения МСИ;
-блок питания вентиляторов БПВ;
-промежуточный дроссель LП;
-выключатель быстродействующий БВ;
-разрядный резистор RР;
-варисторы ROГР1 и ROГР2;
-конденсатор сетевого фильтра СФ;
-конденсатор инвертора СИ.
Вне контейнера смонтированы дроссель сетевого фильтра LФ и тормозной резистор.
|
|
|
Принципиальная схема тягового инвертора приведена на рис. 15.
| Рис. 15. Принципиальная схема тягового инвертора. |

Контейнер представляет собой металлическую сварную конструкцию, разделенную на отсеки со смонтированным оборудованием. Управление оборудованием тягового инвертора производится посредством блока управления тяговым приводом.
Расположение отсеков и оборудования контейнера представлено на рис. 16.
![]() |
| Рис. 16. Контейнер тягового инвертора. |







