Позволяет создать обозначение допуска формы и расположения поверхности.
Для построения объекта необходимо:
1. Нажать кнопку допуск формы на инструментальной панели обозначения.
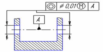
2. Указать точку вставки рамки допуска (рис. 2.6). По умолчанию в выбранную точку помещается левый нижний угол рамки. При этом в списке базовая точка выбран вариант слева внизу. Чтобы изменить положение рамки относительно точки вставки, необходимо развернуть указанный список и выбрать нужную строку.
Чтобы включить вертикальное расположение рамки, следует активизировать опцию вертикально.
Доступно два способа формирования таблицы допуска формы и расположения поверхности: полуавтоматический и ручной.
Чтобы создать таблицу допуска в полуавтоматическом режиме, необходимо нажать кнопку таблица на панели свойств.

Рис. 2.6. Допуск формы и расположения поверхности
На экране появится диалог создания таблицы, в котором можно выбрать нужные параметры для ввода в ячейки. В нем можно полуавтоматически сформировать текстовые надписи в ячейках таблицы допуска формы.
|
|
|
Чтобы сформировать таблицу допуска в ручном режиме, следует щелкнуть мышью в поле текст на панели свойств. На экране появится диалог ввода и редактирования надписи допуска формы. В нём можно сформировать таблицу произвольной конфигурации, ввести и отформатировать нужные символы в её ячейках. В нём можно ввести текст надписи для обозначения допуска формы и расположения поверхностей и сформировать таблицу допуска.
Завершив формирование таблицы в том или ином диалоге, необходимо нажать кнопку ОК. На экране появится созданная таблица допуска формы и расположения.
Таблица, созданная в полуавтоматическом режиме, может быть в любое время отредактирована в ручном режиме. Например, возможно сочетание полуавтоматического ввода и ручного форматирования текстов в ячейках.
Чтобы создать ответвление со стрелкой или треугольником, следует нажать соответствующую кнопку на панели специального управления.
На фантоме рамки появятся восемь точек, показывающих возможные места выхода ответвлений, где необходимо щелкнуть мышью вблизи точки, в которой должно начинаться создаваемое ответвление.
Ответвления, сегменты которых перпендикулярны друг другу, удобно создавать в режиме ортогонального черчения. Для его включения и выключения служит кнопка ортогональное черчение на панели текущего состояния. Если режим ортогонального черчения отключен, возможно создание ответвлений, сегменты которых наклонены друг к другу под произвольными углами.
Чтобы завершить формирование ответвления, следует отжать соответствующую кнопку на панели специального управления.
Для создания следующего ответвления необходимо снова нажать нужную кнопку.
Чтобы изменить конфигурацию созданных ответвлений, необходимо нажать кнопку редактировать ответвления на панели специального управления. Система перейдет в режим редактирования характерных точек объекта, в котором следует внести необходимые изменения, после чего отжать кнопку редактировать ответвления.






