Принципиальную конструкцию машины иллюстрирует ее кинематическая схема. В очистной барабан закладываются отливки. При вращении барабана они очищаются благодаря соударениям между собой. Вал электродвигателя нельзя соединять напрямую с валом очистного барабана, т.к. они вращаются с разным числом оборотов, поэтому в приводе используются механизмы, понижающие число оборотов от вала электродвигателя к валу рабочей машины.
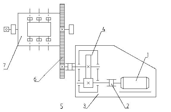
На рис. 6.1 представлена кинематическая схема привода очистного барабана. Привод барабана состоит из асинхронного электродвигателя 1, одноступенчатого редуктора 4, открытой зубчатой передачи 6, зубчатый венец колеса которой закреплен на барабане 7, а вал шестерни опирается на подшипники качения. Редуктор 4 соединен с электродвигателем 1 упругой втулочно-пальцевой муфтой 2, а с валом шестерни – зубчатой муфтой 5. Редуктор и электродвигатель установлены на сварной раме 3.

Рис. 6.1. Кинематическая схема привода очистного барабана.
- Электродвигатель.
- Муфта.
- Рама.
- Редуктор.
- Муфта.
- Открытая зубчатая передача
- Очистной барабан.
Исходные данные:
Мощность на барабане Pб=10,5 кВт
Диаметр барабана d=1 м
Частота вращения барабана n= 40 об/мин
Срок службы t0= 4,5тыс. часов






