Цель работы: Снятие рабочих и регулировочных характеристик двигателя параллельного возбуждения, приобретение навыков по управлению двигателем параллельного возбуждения.
Оборудование:
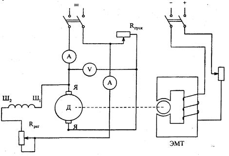
1) Двигатель параллельного возбуждения - 1 шт.
2) Пусковой реостат Rпуск - 1 шт.
3) Регулировочный реостат Rрег - 1 шт.
4) Электромагнитный тормоз – 1 шт.
5) Амперметры - 2 шт.
6) Вольтметр - 1 шт.
7) Автоматический выключатель-1 шт.
8) Тахометр – 1 шт.
1) Собрать электрические цепи двигателя параллельного возбуждения в соответствии с рисунком

2) Снять рабочие характеристики, для чего: пустить двигатель при полностью введенном сопротивлении пускового реостата Rпycк и выведенном реостате в цепи возбуждения Rpeг.; (электромагнитный тормоз должен быть отключен). Затем, включить автоматический выключатель и, после выведения пускового реостата, снять показания приборов при холостом ходе двигателя. После чего, доведя нагрузку до номинального значения тока (путем увеличения тока электромагнит-ного тормоза), руководствуясь при этом показаниями амперметра в цепи якоря, снять 5 показаний приборов для соответствующего числа значение нагрузки и записать в таблицу 1.
Для построения рабочих характеристик испытуемого двигателя необходимо предварительно вычислить:
а) потребляемую двигателем мощность;
б) полезную мощность двигателя,
в) коэффициент полезного действия двигателя.
Рабочие характеристики электродвигателя параллельного возбуждения должны иметь вид, показанный на рисунке.

3) Снять регулировочную характеристику, n = f (Iв) при U = пост., М = пост. Пустить двигатель, установить момент нагрузки. Изменяя ток возбуждения, измерять обороты. Характеристика должна иметь вид, показанный на рисунке 2.
4) Реверсирование двигателя. Заметить направление вращения якоря и остановить двигатель. Поменять местами соединительные провода, подходящие к зажимам, обозначенным «ЯЯ». Пустить двигатель и заметить направление вращения якоря
Отчет:
Паспортные данные ____________________________________________________
Таблица 1 - Рабочие характеристики
| Измерено | Вычислено | ||||||
| U,В | I,A | Iв, А | n, об/мин | М2, кгм | P1, кВт | P2, кВт | η, % |
Таблица 2 – Регулировочная характеристика
| Iв, А | ||||||
| N, об/мин |

Графики характеристик
Вывод: ________________________________________________________________
_______________________________________________________________________
_______________________________________________________________________
_______________________________________________________________________
_______________________________________________________________________
_______________________________________________________________________
_______________________________________________________________________
_______________________________________________________________________
_______________________________________________________________________
_____________________________________________________________________
_______________________________________________________________________
_______________________________________________________________________
______________________________________________________________________
.






