ИССЛЕДОВАНИЕ МСМЕНТОВ ИНЕРЦИИ И КООРДИНАТ ЦЕНТРОВ ТЯЖЕСТИ КОНСТРУКЦИЙ РЭС
I. ОБЩИЕ УКАЗАНИЯ
1.1. Цель работы
Освоить экспериментальные методы измерений и уточнить теоретические расчеты по определению моментов инерции и координат центров тяжести конструкций РЭС. Изучить определение геометрических характеристик сложных сечений конструкций РЭС и учет их при деформациях изгиба и кручения.
1.2. Общая характеристика работы
Основным содержанием практической части работы является измерение координат центров тяжести различных конструкций РЭС уравновешиванием их на треугольной опоре и определение моментов инерции с помощью низкочастотных крутильных маятников.
Для определения моментов инерции конструкций РЭС разработаны специальные автоматические лабораторные установки. Каждая установка включает в себя крутильный маятник, электронный блок автоматического возбуждения механических резонансных крутильных колебаний, электронный частотомер и осциллограф.
|
|
|
При исследовании статического и динамического прогиба используется специальная установка, включающая электромеханический вибростенд.
В процессе работы необходимо соблюдать общие правила по технике безопасности при работе, с электроустановками с напряжением до 1000 В.
2. ДОМАШНИЕ ЗАДАНИЯ И МЕТОДИЧЕСКИЕ УКАЗАНИЯ ПО ИХ ВЫПОЛНЕНИЮ
Задание №.1. Изучить методы определения координат центров тяжести конструкций радиоэлектронных средств (РЭС). В заготовку отчета занести недостающие виды координат центров тяжести прямоугольных конструкций РЭС.
Методические указания по выполнению первого задания.
При выполнении задания изучить материал /1, с. 78-82; 2, с. 158-163; 3, с. 73-76/. При проработке материала следует учитывать, что положение центра тяжести элементов и блоков РЭС определяется косвенными методами. Одним из способов уравновешивание блока РЭС на опоре. Блок устанавливается на круглый или треугольный стержень и уравновешивается. При этом центр тяжести находится непосредственно над стержнем в некоторой точке плоскости, проходящей через стержень перпендикулярно опорной плоскости. Затем прямоугольный блок поворачивается вокруг оси на 90 ° и опять уравновешивается. Пересечение этих двух положений соответствует проекции центра тяжести на горизонтальную плоскость (рис. I) и дает координаты ХС, YC,, ZC.

Рис. 1. Уравновешивание на опоре
Если затем блок повернуть на одну из его боковых граней
и повторить уравновешивание, то положение центра тяжести (ХС,,YC,,ZC) будет определено однозначно. Второй способ определения центра тяжести состоит в уравновешивание блока на подвеске. Если блок РЭС подвесить на тросе, который прикрепляется к различным его точкам, то пересечение линий, образованных продолжениями троса, определяется положением центра тяжести (рис. 2). Для определения центра тяжести достаточно двух таких линий, но для проверки полезно получить и третью линию.
|
|
|

Рис. 2. Схемы подвеса
Достроить недостающие положения при уравновешивании прямоугольного блока на треугольной опоре и занести их в заготовку отчета (рис. 3).

Рис. 3. Определение недостающих координат
Задание № 2. Изучить метода экспериментального определения моментов инерции конструкций РЭС.
Методические указания по выполнению второго задания
При выполнении задания изучить геометрические характеристики плоских сечений /2, с. 160-163; 4, с. 134-135/. Особое внимание следует обратить на экспериментальное определение моментов инерции. Для определения их наибольшее распространение получили метода, основанные на свойствах физических маятников качения и кручения. В этих методах момент инерции определяют по периоду малых колебаний. В методе маятниковых колебаний испытываемый блок РЭС подвешивают на тросах так, чтобы его ось ОО', относительно которой требуется определить момент инерции, была горизонтальна и параллельна неподвижной оси 00*, относительно которой блок может совершать колебания под действием собственного веса без большого трения (рис. 4 а). Отклонив испытуемый блок РЭС на небольшой угол 5 - 10 °, выводят его из состояния равновесия и опускают без начальной скорости. Измерив время 40 -50 колебаний вычисляют период одного колебания
Т =
(1)
где t - измеряемое время;
N - число колебаний.

а) б)
Рис.4. Методы маятниковых колебаний
Момент относительно оси подвеса находят по формуле
I0 = (mgl/4π2)*T2 (2)
и момент инерции относительно оси СС, приходящей через центр тяжести равен
IC = ml2 [(
)2
- 1] (3)
где l - длина маятника;
m - масса блока РЭС;
g - 9,810 м/с2.
Точность метода зависит от точности измерения расстояния l и периода Т. Необходимая точность не будет достигнута, если l больше радиуса инерции
С около оси СС’, причем IC = m
С2.Если, выражение, стоящее в квадратных скобках для определения IС будет очень мало. Таким образом, метод маятниковых колебаний чувствителен к малым ошибкам как в измерении Т, так и l. Основное требования метода заключается в том, что l должно быть выбрано по возможности малым, что практически не всегда удается с дать. В связи с этим переходят к другому методу, получившему название метода крутильных колебаний (рис. 4б). Верхний конец упругой проволоки (стержня) жестко закрепляют в неподвижной стойке, к нижнему концу жестко крепят испытуемый блок РЭС (несущую конструкцию). Для исключения боковых колебаний необходимо, чтобы ось стержня была главной и центральной осью инерции всей системы. Закрутив проволоку на небольшой угол 3 - 5 °, сообщают блоку малые крутильные колебания. Момент инерции относительно оси кручения определяется из выражения
Ikp = Kkp T2 / 4 π2 (4)
где K kp =GIp - крутильная жесткость стержня;
G - модуль сдвига материала стержня;
Iр = π d 4 / 32 - полярный момент инерции поперечного сечения стержня;
d - диаметр стержня.
Чтобы не определять величину Kkp можно применять, следующий метод. Определив предварительно период крутильных колебаний блока и не меняя точки крепления, подвешивают к этому стержню другое тело, момент инерции которого IТ известен и определяют его период ТТ. Тогда момент инерции первого объекта можно определить из выражения
Ikp = IT (T/TT) 2 (5)
Искомый момент можно определить и другим способом. После того, как определен период колебаний T блока, к нему симметрично прикрепляют две равные массы дополнительно, величина которых m и расстояние от оси вращения r известны. Затем определяют период колебаний Т rновой системы и момент инерции вычисляют по формуле
|
|
|
Ikp = 2 m r 2 T 2/ (Tr 2 - T 2) (6)
С другими экспериментальными методами можно ознакомиться в /I, 2/. В настоящей работе моменты инерции несущей конструкции РЭС, блоков, отдельных типовых элементов замены (ТЭЗ) определяются методом крутильных колебаний с использованием маятника, на котором устанавливают испытуемые объекты (рис. 5) относительно координатных осей, проходящих через их центры тяжести. Для повышения точности измерений в лаборатории используются две установки: большой крутильный маятник (БКМ) для несущей конструкции РЭС и малый крутильный маятник (МКМ) для малогабаритных элементов к ТЭЗ. Для определения момента инерции конструкции РЭА необходимо первоначально измерить собственный период колебаний маятника, период колебаний маятника с телом простой формы, момент инерции которого известен. Затем, измеряют период колебаний
маятника о конструкцией РЭС. Конструкция РЭС должна устанавливаться на маятнике таким образом, чтобы ее центр тяжести проходил через ось вращения колебательной системы.

Рис. 5. Установка для измерения моментов инерции (1 - крутильный маятник; 2 - электрическая лампочка; 3 - фоторезистор; 4 - индуктивная катушка; 5 - магнит; 6 - электронно-цифровой частотомер; 7 - электронный блок автоматического возбуждения резонансных колебаний; 8 – осциллограф)
На рис. 6 показаны схемы измерения несущие конструкции (блока РЭС) и малых блоков или ТЭЗов относительно оси X.

Рис. 6. Схемы измерений
Дополнить недостающие изображения конструкций для измерения периодов колебаний маятников относительно других координатных осей.
После проведения описанных выше Измерений можно определить моменты инерции несущей конструкции РЭС на большом маятнике
IXБ =
,
IYБ =
, (7)
IZБ =
,
где IТБx, IТбу, IТБz - моменты инерции тела простой формы относительно осей Х,Y,Z;
ТХБ, ТУБ,, TZБ, - периода колебаний большого маятника с несущей конструкцией РЭС относительно координатных осей X,Y, Z;
|
|
|
ТБX, ТБY,, TБZ - периоды колебаний большого маятника с телом простой формы относительно осей X, Y, Z ',
ТТБ - период свободных колебаний большого маятника;
IXБ ,IYБ , IZБ,- экспериментальные значения моментов инерции несущей конструкции РЭС, установленной на большом маятнике.
Для ТЭЗ и малых элементов конструкции моменты инерции, измеренные на малом крутильном маятнике, имеют формулы расчета аналогичные с точностью до замены индексов "Б" на индексы "М". Так, вместо ТТБ будет TMБ - период свободных колебаний малого маятника; ТМХ , ТМY, ТМZ - периоды колебаний малого маятника с ТЭЗом, а ТХМ, ТYМ, ТZМ - периоды колебаний
малого маятника с телом простой формы относительно осей X, Y, Z, заменят соответственно ТХ, ТYМ, ТZМ моменты инерции тел простой формы для малого маятника.
Задание № 3. Рассчитать моменты инерции двух тел простой формы.
Методические указания по выполнению третьего задания
Из формул (7) следует, что для определения моментов инерции конструкций РЭС необходимо знать момент инерции тела простой формы (ITMX, ITMY, ITMZ) или (IТБХ, IТБУ, IТБZ). При выполнении лабораторных заданий применяют два стальных прямоугольных параллелепипеда. Для большого крутильного маятника используется тело с геометрическими размерами 0,3 х 0,16 х 0,019 м, а для малого - 0,195 х 0,064 х 0,024 м. Моменты инерции этих тел рассчитать по формулам, данным в приложении (табл. I).
Задание № 4. Изучить геометрические характеристики плоских сечений, в заготовку отчета занести основные формулы для определения осевых и полярных моментов инерции, а также их моменты сопротивления.
Методические указания по выполнению четвертого задания
При выполнении задания изучить материал / 1, с. 78-80; 4, с. 135-136 /, При проработке материала следует учитывать, что в теории изгиба и кручения используются следующие геометрические характеристики плоских фигур: осевые момент инерции плоских фигур, представляющие собой интегральную сумму произведений элементарных площадей dА фигуры на квадрат расстояния их до соответствующих осей (рис. 7)
IY =
; IZ =
; (8)
полярный момент инерции плоской фигуры, который определяется аналогично
Iρ=
; (9)
(ρ - расстояние элементарной площадки до начала координат).
Учитывая, что I2=X2+Z2, имеем
Iρ = IY + IZ,(10)
центробежный момент инерции сечения IYZ равный
IYZ=
(11)
осевые и полярные моменты сопротивления
WY =
; WZ =
; Wρ =
. (12)
(Zmax, Ymax, ρmax - наибольшие расстояния точек сечения до осей Y,Z и начала координат).
Геометрические характеристики для прямоугольного сечения высотой h шириной b, а оси Yt Z - являются главными центральными осями инерции. Моменты инерции равны
IY = bh 3/12; IZ = hb 3/12. (13)
Моменты прямоугольного сечения балки вычисляют по формулам:
WY =
=
; WZ =
(14)

Рис. 7. Координаты инерции сечения
Глазными осями инерции сечения называют такие оси координат, относительно которых центральный момент инерции равен нулю, т. е. IYZ = D. Обычно начало главных осей инерции совмещают с центром тяжести сечения. Такие оси называют главными центральными осями инерции сечения. Для круглого сечения радиусом r полярный момент инерции этого сечения равен
I
=
, (15)
а осевые моменты инерции круглого сечения равны
IY = IZ = C15Iρ =
. (16)
Осевой момент сопротивления сечения находится по формуле
WY = WZ =
=
0,1 d3 (17)
Полярный момент сопротивления сечения, используемый в расчетах при деформации кручения, равен
Wρ =
=
0.2d3 (18)
При определении геометрических характеристик сложных сечений используют аналитические зависимости между моментами инерции относительно параллельных осей. Пусть для плоской фигуры площадью А известны моменты инерции IY и IZ относительно главных центральных осей Y и Z. Требуется определить моменты инерции этой фигуры относительно новых Y1, Z1, которые параллельны главным центральным и расположены на расстояниях а и в (рис. 7). Пользуясь формулами (8), имеем
IY1 =
=
= 
Эти интегралы имеют следующие значения
=
u2 A;
= IY;
= 0.
Так как
представляет собой статический момент относительно оси Y, проходящей черезего центр тяжести, тоучитывая это, получаем:
IY1 = I y +a2A, I y = I z + b 2 A. (19)
Формулы (19) называют теоремой Штейнера, согласно которой
момент инерции тела относительно произвольной оси равен сумме момента инерции этого тела относительно оси, проходящей через центр инерции тела параллельно рассматриваемой оси ипроизведение площади сечения на квадрат расстояния между осями.
Задание № 5. Оформить заготовку отчета к лабораторным занятиям.
Методические указания по выполнению пятого задания.
Для выполнения задания необходимо подготовить дома заготовку отчета по всей работе. Заготовка отчета должна содержать номер, наименование, цель работы, содержание, все пункты домашних заданий и результаты ихвыполнения, все пункты лабораторных заданий и свободные места для их выполнения.
3. ВОПРОСЫ К ДОМАШНЕМУ ЗАДАНИЮ
1. Какие Вы знаете способы определения моментов инерции конструкций ГЭС?
2. Какие существуют способы определения координат центров тяжести конструкций РЭС?
3. В каких координатных системах обычно определяют координаты центров тяжести несущих конструкций?
4. Запишите формулы для определения моментов инерции через периоды колебаний крутильного маятника.
5. Какие параметры конструкций РЭС необходимо знать для определения их моментов инерции?
6. Как определяются осевые и полярные моменты инерции плоских фигур?
7. Как определяются осевые моменты сопротивления прямоугольного сечения балки?
8. Назовите основные преимущества и недостатки маятникового метода.
9. Какие вызнаете способы, исключающие расчет жесткости при определении моментов инерции методом крутильных колебаний и в чем их сущность?
10. Какие дополнительные параметры необходимо знать при определении моментов инерции методом крутильных колебаний?
4. ЛАБОРАТОРНЫЕ ЗАДАНИЯ И МЕТОДИЧЕСКИЕ УКАЗАНИЯ ПО ИХ ВЫПОЛНЕНИЮ
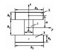
Задание первое. Определить моменты инерции несущей конструкции РЭС, представленной двутавровой балкой.
Методические указания по выполнению первого задания
Рассчитать моменты инерции IY и момент сопротивления WY. Сечения двутавровой балки, размеры которой даны в приложении и составленной из трех прямоугольных полос. Искомый момент инерции сечения балки равен
IY = I1Y + I2Y + I3Y ,
где I1Y - момент инерции вертикальной полосы, определяемой выражением: I1Y = l1 h3 /12. Моменты инерции горизонтальных полос 2 и 3 (рис. 8) с учетом теоремы Штэйнера равны
I2Y = I3Y =
.
Момент сопротивления сечения балки находится из выражения (14).
Измерить координаты центра тяжести двутавровой балки, а затем с помощью малого низкочастотного маятника экспериментально измерить момент инерции IY.
Сравнить расчетные и экспериментальные данные.
Задание второе. Определить геометрические характеристики сложных сечений.
Методические указания по выполнению второго задания.
Рассчитать моменты инерции сложных сечений конструкций РЭС. Вид сечения и основные формулы даны в приложении (табл. 2).

Рис. 8. Сечение двутавровой балки
При расчете прямоугольных сечений учесть, что момент инерции прямоугольника относительно оси проходящей через основание равен IY =
. Вид сечения: кольцо, двутавр, швеллер, уголок, однотавр и другие задается преподавателем. Расчеты выполнить в соответствии с компьютерной программой к этой лабораторной работе. Измерить уравновешиванием на опоре данный вид конструкции и затем экспериментально определить моменты инерции сложных сечений. Результаты измерений и расчеты занести в отчет.
Задание третье. Определить координаты тяжести конструкций РЭС и найти их моменты инерции.






