Формат АЗ. Основная надпись на форме 2. Выполнить задачи по оформлению чертежа узла строительной конструкции. Пример оформления приведен на рис. 72.
Задача. Перечертить в масштабе 1: 5 чертеж узла сварной стропильной фермы, изображенный на рис. 72, согласно варианту табл. 31.

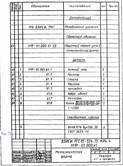
Указания к выполнению задачи. При выполнении работы необходимо изучить содержание спецификации узла (рис. 73) и особенности графического оформления чертежей металлических строительных изделий, изложенных в ГОСТ 2.410- 68, а т же в ГОСТ 2.312-72 и 2.315-68. Таблица 31
| Поз. | Наименование элемента конструкции | Условное обозначение профиля | Варианты | Кол., штук | ||||
| 0; 1 | 2; 3 | 4; 5 | 6; 7 | 8; 9 | ||||
| Размеры профиля | ||||||||
| Нижний пояс | | 100х10 | 110х8 | 100х8 | 125х10 | 125х9 | ||
| Раскосы | | 100х63х8 | 100х70х6,5 | 100х63х6 | 125х80х8 | 110х70х8 | ||
| Стойка | | 70х6 | 70х5 | 75х5 | 75х6 | 70х6 | ||
| Фасонка | | 370х500 | 370х500 | 370х500 | 370х500 | 370х500 | ||
| Накладка | | 150х330 | 150х330 | 150х330 | 150х330 | 150х330 | ||
| Ребро связей | | 125х330 | 125х330 | 125х330 | 125х330 | 125х330 | ||
| Накладка | | 250х850 | 250х850 | 250х850 | 250х850 | 250х850 | ||
| Уголок | | 90х56х6 | 80х50х6 | 90х56х8 | 100х63х6 | 100х63х7 |
Одной из основных особенностей выполнения металлических строительных изделий (элементов конструкций) зданий (сооружений) является система расположения видов изображаемых проекций: вид сверху в проекционной связи - над главным дом; вид снизу - под главным видом; вид справа- справа от главного вида; вид слева - слева от главного вида; над каждым видом (кроме главного) делают надпись по типу «Вид А», а направление взгляда указывают стрелкой, обозначенной соответствующей буквой.
|
|
|
На чертежах металлических строительных изделий допускается условное обозначение и размеры профиля материалов указывать на изображениях деталей. Данные о профилях наносят параллельно изображениям деталей. Допускается наносить эти данные на полках линий-выносок. Размеры профиля или его номер и длину детали наносят рядом с условным обозначением, справа от него. Количество примененных деталей в изображенном на чертеже изделии указывают рядом с размерами детали через тире.
Детали металлических строительных изделий соединяют сварными швами, клепаными или болтовыми соединениями, которые имеют также свои специфические условные обозначения и правила выполнения.
Сварные соединения выполняют на чертежах по требованиям ГОСТ 2.312-72. При наличии на чертежах одинаковых швов обозначение наносят у одного из изображений, а от изображений остальных одинаковых швов проводят линии-выноски с полками. Всем одинаковым швам присваивают один порядковый номер (рис. 74).
В изображениях металлических конструкций и строительных изделий широко используют сварные соединения заводские и сварные соединения монтажные. В графическом изображении эти два вида со
единения отличаются только одним вспомогательным знаком, размещенным на пересечении линии-выноски и полки линии-выноски в случае выполнения монтажного сварного соединения.
|
|
|


Кроме вспомогательного знака монтажного сварного соединения необходимо повторить все вспомогательные знаки, регламентированные ГОСТ 2.312-72. В работе студенту понадобятся вспомогательные знаки: - незамкнутый контур, - замкнутый контур.






