Формат АЗ. Основная надпись на форме 1. Выполнить задачу на построение плана здания. Пример оформления листа см. на рис. 75. План здания специально недооформлен: отсутствуют ряд размерных чисел и размеры площадей помещений.

Задача. Вычертить в масштабе 1: 100 план двухэтажного жилого дома. При этом требуется самостоятельно рассчитать и нанести на плане все не указанные размеры: размерные числа первых внешних и внутренних по отношению к контуру здания размерных линий, размеры площадей помещений. Индивидуальные задания взять из табл. 32 и рис. 76, 77, а, б. Таблица 32
| № вариант | Схема здаввя (рис. 76) | Разрез | Высота здания, м | Номер узла (рис. 83) |
| б | 1 - 1 2- 2 1 - 1 2- 2 1 - 1 2- 2 1 - 1 2- 2 1 - 1 2- 2 | 2,8 3,0 2,8 3,0 2,8 3,0 2,8 3,0 2,8 3,0 | 1; 2 1; 3 1; 4 2; 3 2; 4 3; 4 1; 3 1;4 2; 3 2; 4 |
Указания к выполнению задачи. По табл. 32 в соответствии с номером своего варианта студент определяет схему здания и по ней вычерчивает план здания. Положение внутренних перегородок, дверных и оконных проемов в стенах и перегородках следует наметить самостоятельно. При размещении проемов в наружных и внутренних стенах необходимо стремиться к тому, чтобы простенки были одинаковы и кратны 100 мм.
|
|
|
Оформление плана должно соответствовать требованиям ГОСТ 21.501-80, 21.105-79, 2.107-78.
При выполнении плана этажа здания (сооружения) положение мнимой горизонтальной плоскости разреза принимают, как правило, на уровне 1/3 высоты изображаемого этажа или 1 м над изображаемым уровнем.


Встроенные помещения и другие участки здания (сооружения), на которые выполняют отдельные чертежи, на планах изображают схематично сплошной тонкой линией по контуру. Данные участки зданий должны иметь ссылку на детальные чертежи.
На планах этажей наносят и указывают:
1) координационные оси здания (сооружения), расстояния между ними и крайними осями, оси у деформационных швов;
2) отметки участков плана, расположенных на разных уровнях; направление и величину уклонов полов;
3) толщину стен и перегородок и их размерную привязку;
4) все проемы, отверстия и т. п. с необходимыми разрезами и привязками. Для проемов с четвертями размеры показывают по наименьшей величине проема. Размеры дверных проемов в перегородках на планах не показывают;
5) площади помещений. Площади помещений (до второго знака после запятой) приводят в нижнем правом углу плана и подчеркивают сплошной толстой линией;
6) тип заполнения проемов ворот и дверей (в кружках диаметром 5 мм);
7) марки элементов зданий, например лестниц, сантехкабин и т. п.;
8) ссылки на фрагменты и узлы.
Конструкции (например, антресоли), расположенные выше секущей плоскости, изображают схематично штрихпунктирной линией с двумя точками.
|
|
|
План рекомендуется вычерчивать в такой последовательности: нанести сетку координационных сетей, затем вычертить наружные и несущие внутренние стены и перегородки в соответствии е правилами привязки их к координационным осям, показать оконные и дверные проёмы, лестничные марши, вентиляционные и дымовые каналы. После этого нанести все необходимые наружные и внутренние размеры.
Внутри плана здания проставляют ширину, глубину каждого помещения, толщину стен и перегородок. Указывают привязку наружной плоскости стены к координационным осям, В дверных и оконных проемах указывают марку (тип) двери и окна.

Вне контура плана наносят три линии (цепочки) размеров: на первой (считая от контура плана) - размеры проемов и простенков с привязкой их к координационным осям; на второй - расстояния между осями; на третьей - расстояния между крайними координационными осями.
Первую линию размеров наносят на расстоянии 20 мм от контура стены, последующие на расстоянии 7 мм друг от друга. Координационным осям присваивают марку, которую помещают на конце оси в кружке диаметром 8 мм. Размер шрифта для обозначения марок принимают 5. Вертикальные оси обозначают слева направо арабскими цифрами, горизонтальные оси - снизу вверх русскими заглавными буквами в алфавитном порядке.
Размеры оконных (ОК1, ОК2, ОКЗ) и дверных (Д1, Д2, ДЗ, Д4) проемов принять по рис. 78, а, б.
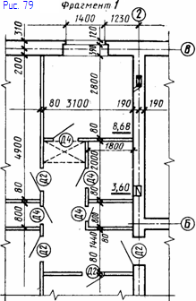
На схематизированном плане здания (см. рис. 76) буквами обозначены следующие помещения: К - кухня, В - ванная, Т - туалет, Ш - встроенный шкаф. Толщину перегородок следует назначать равной 80...100 мм. Пример оформления фрагмента плана показан на рис. 79.
План здания вычерчивать основной сплошной линией толщиной 0,4 мм, а капитальные стены, попавшие в разрез, - 0,8 мм.
Сечение стен, выполняемых из материала, являющегося для здания основным, не заштриховывают.






