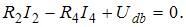
При известных сопротивлениях и токах напряжение
(см. рис.) на зажимах источника тока можно определить из уравнения …
|
Решение:
По второму закону Кирхгофа
Отсюда 
|
| 1,5 |
| 0,67 |
|
|
Тема: Закон Ома и его применение для расчета электрических цепей
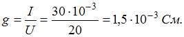
Проводимость g приемника с заданной вольт-амперной характеристикой (см. рис.) равна ____ См.
Решение:
По закону Ома проводимость приемника 
|
Тема: Анализ цепей постоянного тока с одним источником энергии
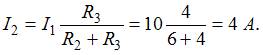
Если
(см. рис.), то ток
равен ___ А.
Решение:
По формуле разброса тока ток 
|
| 0,6 |
| 0,25 |
| 0,4 |
| 0,8 |






