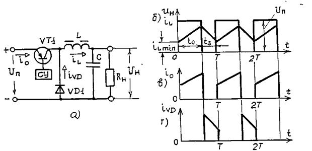
НППН понижающего типа. Простейший способ непосредственного преобразования постоянного напряжения заключается в периодической коммутации коллекторного тока в цепи, подключенной к источнику постоянного напряжения (рис.6.3,а) с помощью ключевого элемента - силового транзистора VT 1. В мощных низкочастотных преобразователях данного типа коммутация тока нагрузки осуществляется с помощью тиристоров. Работа вентильных элементов в ключевом режиме позволяет обеспечить КПД такого преобразователя, близким к единице.
Для НППН выделяют два режима работы. Первый режим характеризуется тем, что к моменту очередного замыкания ключа (открывания мощного транзистора или тиристора) в дросселе протекал некоторый минимальной величины ток - iLmin (рис.6.3,б). Этот режим получил название “режима непрерывного тока”. Он характеризуется также наименьшим внутренним сопротивлением преобразователя и поэтому является предпочтительным.

Рисунок 6.3 - Непосредственный преобразователь постоянного напряжения
понижающего типа:
а – электрическая схема; б, в,г – временные диаграммы токов
На интервале времени открытого состояния транзистора (t - t 0) коллекторный ток i 0 повторяет форму тока в дросселе, а в течение интервала времени t = t з, когда транзистор закрыт, ток i 0 равен нулю.
Второй режим носит название “режима прерывистого тока”. Он имеет место при сравнительно малых нагрузках (велико сопротивление резистора R н) преобразователя, когда ток в дросселе фильтра успевает уменьшиться до нулевого значения раньше, чем происходит очередное открывание мощного транзистора VT 1.
В дальнейшем будем рассматривать работу различных схем НППН в режиме непрерывных токов и периодическом замыкании-размыкании ключа с периодом следования импульсов T.
Изменяя с помощью системы управления соотношение между длительностями открытого t 0 и закрытого t 3 (рис.6.3,б) состояний транзистора в силовой схеме НППН, можно осуществить получение различных уровней среднего значения напряжения на нагрузке. В таком режиме использования данные преобразовательные устройства на практике часто называют импульсными регуляторами.
При замкнутом ключе (транзистор VT 1 открыт) на входе фильтра напряжение равно напряжению U п источника питания. Это напряжение формирует импульс напряжения на приемнике U н= U п, а длительность импульса t и равна времени открытого состояния транзистора (t 0= t и).
При разомкнутом ключе (транзистор VT 1 заперт) напряжения на приемнике равно нулю. Поскольку импульсы следуют с периодом T, то интервал времени закрытого состояния транзистора равен t з= Т - t о.
Среднее значение напряжения на приемнике за период согласно (6.1) прямопропорционально коэффициенту заполнения к з.
.
Выходное напряжение ППН и есть среднее значение напряжения на нагрузке
U н= U ср= U п× к з. (6.3)
Соответственно, коэффициент передачи ППН по напряжению для данной схемы имеет вид
(6.4)
И напряжение U н, и коэффициент передачи U н/ U п прямопропорциональны относительной длительности импульсов.
Если бы в схеме не было ветви с блокирующим диодом VD 1, то при размыкании ключа (запирании транзистора VT 1) на дросселе наводилась бы значительная нерасчетная противо-ЭДС eL = - L × di / dt, что могло либо привести к пробою изоляции обмотки дросселя, либо к электрической дуге в месте разрыва цепи (на ключе, т.е. на эмиттерно-коллекторном р - n переходе транзистора VT 1) и к выходу из строя либо дросселя, либо транзистора.
В схеме с диодом в начале процесса нарастания этой ЭДС появляется отрицательное напряжение на катоде диода, он открывается, что дает возможность дросселю разрядиться через сопротивление приемника и конденсатор фильтра. Ток дросселя в течение интервала t 0 проходит через источник, а в течение интервала t 3 - через диод VD 1 (рис.6.3,в,г).
Выражение (6.4) определяет собой регулировочную характеристику НППН, изображенного на рис. 6.3,а, в силовой цепи которого включены последовательно дроссель фильтра L и ключ - транзистор VT 1. Из (6.4) следует, что с увеличением к з коэффициент передачи НППН изменяется линейно (см. рис. 6.6) от нуля (при t 0 = 0) до единицы (при t 0 = T). Рассмотренная выше схема позволяет получить напряжение на нагрузке, равное или меньшее напряжения питания, т.е. U н£ U п. Поэтому такой НППН иногда называют преобразователем понижающего типа.
Наряду с рассмотренным выше типом НППН с последовательным включением с приемником мощного транзистора и дросселя фильтра на практике применяются (хотя и существенно реже) также другие НППН понижающего типа, отличающиеся друг от друга конфигурацией силовых схем.
НППН повышающего типа. Вторым вариантом соединения элементов силовой цепи в ППН является схема с последовательным с приемником включением дросселя и параллельным включением ключа (рис. 6.4, а).
С момента размыкания ключа (закрытия транзистора VT 1) в интервале времени закрытого состояния транзистора t з начинается спад тока iL в дросселе, производная тока изменяет свой знак и в обмотке дросселя наводится противо-ЭДС e др= L × di / dt, препятствующая спаду тока в дросселе и направленная по направлению тока. Уравновешивающее эту ЭДС напряжение на дросселе u др=- е др суммируется с напряжением источника питания и на эмиттер-коллекторном переходе транзистора VT 1 суммарное напряжение U э-к= U п+ u др возрастает.
Диод VD 1 открывается и конденсатор С вновь начинает заряжаться (рис. 6.4,б). Напряжение U эк на закрытом транзисторе равно выходному напряжению U н преобразователя.

Рисунок 6.4 - Непосредственный преобразователь постоянного напряжения
повышающего типа:
а – схема; б – временные диаграммы токов и напряжений
Энергия, накопленная в дросселе, передается в конденсатор С и резистор R н через открывшийся диод VD 1. Ток в дросселе спадает, достигая в конце данного интервала своего минимального значения.
Чтобы определить коэффициент передачи U н/ U п данной схемы ППН, введем допущение о том, что индуктивность дросселя L является очень большой величиной, близкой к L =¥.
В этом случае постоянные времени цепей заряда-разряда дросселя велики, процесс нарастания-спада тока в дросселе очень длительный и на интервале периода следования импульсов Т изменения тока незначительны. Можно принять средние значения токов заряда-разряда равными и неизменными, т.е. считать IL .зар.ср= IL .разр.ср= IL =const. При указанных допущениях можно составить баланс энергий источника питания при заряде и разряде дросселя в пределах периода Т (пренебрегая потерями).
Энергия, отдаваемая в цепь источником питания за весь период следования импульсов Т = t 0+ t з, частично запасается в дросселе (в интервале времени открытого состояния транзистора), а в интервале времени t з, соответствующем закрытому состоянию транзистора, частично идет на подзаряд конденсатора и частично расходуется в резисторе нагрузки R н. Уравнение энергии источника за период имеет вид
W и= U п× IL × T. (6.5)
С другой стороны, можно записать уравнение той же энергии источника W и¢, отдаваемой в цепь в сумме с накопленной в дросселе энергией в интервале времени закрытого состоянии транзистора t з.
Для составления такого уравнения с равными в обоих случаях количествами отдаваемой источником во внешнюю цепь энергии (W и= W¢ и), нужно считать, что напряжение источника в интервале t з уже не равно U п, а иное: U н= U п+ u др, где U др – добавочное напряжение на дросселе, эквивалентное рассмотренной ранее противо-ЭДС в обмотке дросселя
W и¢= U н× IL × tз=U н× IL ×(Т - t 0). (6.6)
Приравнивая выражения (6.5) и (6.6), получим
(6.7)
Из выражения (6.7) можно определить коэффициент передачи рассматриваемого НППН, предварительно разделив правую часть на T:
. (6.8)
Графическая зависимость коэффициента передачи такой схемы ППН, изображенной на рис. 6.4, приведена на рис. 6.6.
Таким образом, в НППН с такой силовой схемой выходное напряжение всегда больше входного. Это происходит потому, что на этапе разряда дросселя в нагрузку поступает и энергия, запасенная в дросселе, и энергия источника питания. Коэффициент передачи этой схемы изменяется от 1 при K з=0 до бесконечности при K з=1. Такие НППН часто называют преобразователями повышающего типа.
НППН инвертирующего типа. Третий тип НППН показан на рис.6.5,а. Его силовая схема образована транзистором, включенным последовательно с нагрузкой и дросселем, включенным параллельно ей.
![]() |
Рисунок 6.5 - Схема (а) и временные диаграммы токов и напряжений
(б, в, г, д) непосредственного преобразователя постоянного напряжения
реверсивного типа
При замкнутом ключе (транзистор VT 1 открыт в интервале времени t 0) дроссель запасает энергию (“заряжается током”) от источника напряжения U п (рис.6.5,в). Полярность напряжения на дросселе при этом задается полярностью напряжения U п - она такова, что диод VD 1 оказывается закрытым. Конденсатор C, накопивший некоторый заряд в предыдущий период коммутации ключа, разряжается на нагрузки резистор R н, поддерживая в нем ток i н (рис. 6.5,г).
Напряжение на выходе преобразователя U н, определяемое разрядным током конденсатора через резистор R н, имеет противоположную полярность по отношению к полярности напряжения питания U п и уменьшается в течение интервала времени t 0 (рис. 6.5,б).
При размыкании ключа (закрытии транзистора VT 1) разрывается цепь зарядного тока, а значит ток в дросселе начинает уменьшаться. В результате наводится ЭДС eL, препятствующая спаду тока в дросселе с полярностью, противоположной той, которая была на нем в конце интервала времени t 0 (рис. 6.5,б). Нарастание этой ЭДС происходит до тех пор, пока не откроется диод VD 1, подключающий параллельно дросселю конденсатор C и резистор нагрузки R н (разрядную цепь). Разряжаясь в интервале времени t з, дроссель подзаряжает конденсатор C, восстанавливая уменьшившийся за предыдущую часть периода его заряд. Часть разрядного тока дросселя проходит и по резистору нагрузки, поддерживая в нем близкий к постоянному ток i н (рис.6.5,г).
Поскольку выходное напряжение по отношению к входному имеет противоположную полярность, такие НППН называют реверсирующими или инвертирующими преобразователями.
Для получения формулы коэффициента передачи по напряжению рассматриваемого ППН (рис. 6.5,а) введем те же допущения, что и при выводе формулы (6.7).
Если допустить, что индуктивность дросселя L и емкость конденсатора C есть бесконечно большие величины, т.е. L = ¥, C = ¥, ток в дросселе постоянный IL – постоянный, а потери в схеме отсутствуют, то вся энергия W и, отдаваемая источником U п в цепь за время t 0, выделяется в нагрузке преобразователя.
При замкнутом ключе источник напряжения целиком отдает энергию дросселю, где она накапливается в виде энергии магнитного поля
W и= W др= U и IL t 0, (6.9)
В интервале времени закрытого состояния транзистора t з= Т - t 0 дроссель, разряжаясь, отдает эту накопленную энергию конденсатору и приемнику. Отдаваемая дросселем энергия
W др¢ = U п IL (T – t 0). (6.10)
Приравняв правые части равенств (6.8) и (6.9), получим уравнение, из которого легко найти напряжение на нагрузке:
(6.11)
Коэффициент передачи НППН данного типа, выраженный через коэффициент заполнения (к з), принимает вид
(6.12)
Таким образом, как следует из (6.11), коэффициент передачи реверсирующего НППН изменяется от нуля (при к з=0) до бесконечности (при к з=1).
Важнейшей характеристикой НППН рассмотренных типов является регулировочная, показывающая зависимость коэффициента передачи от коэффициента заполнения, т.е. U н/ U п= f (к з). Графически регулировочные характеристики для рассмотренных типов НППН на основании выражений (6.4), (6.7), (6.11) характеризуются зависимостями, изображенными на рис.6.6.
По сравнению с первым из рассмотренных НППН два последних характеризуются существенно худшим использованием элементов сглаживающего фильтра, значительно большими габаритами и массой, большим внутренним сопротивлением, худшим использованием по току регулирующего транзистора и блокирующего диода.

Рисунок 6.6 - Регулировочные характеристики ППН
Для этих преобразователей пульсации выходного напряжения D U н~ при заданном токе нагрузки I н и частоте преобразования f пропорциональны току нагрузки и не зависят от индуктивности дросселя фильтра.
Они могут быть уменьшены лишь посредством увеличения емкости, а следовательно, массы и габаритов конденсатора фильтра

В преобразователе, схема которого изображена на рис. 6.3,а, для достижения того же уровня пульсаций выходного напряжения требуется конденсатор значительно меньшей емкости.
Характер коммутационных процессов при открывании и закрывании мощных транзистора и диода во всех трех силовых схемах рассмотренных НППН идентичен.
Основные недостатки рассмотренных высокочастотных непосредственных преобразователей, заключающиеся в наличии электрической связи по току между источником электроэнергии и приемником преобразователя, в невозможности получения большого числа электрически изолированных друг от друга выходных цепей постоянного тока с напряжениями различных уровней, существенно ограничивают область их практического применения как самостоятельных средств вторичного электропитания аппаратуры РЭС.
