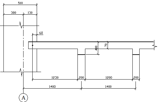
Компоновка монолитного ребристого перекрытия
1-1

Расчет и конструирование плиты покрытия

Таблица 1. Сбор нагрузок на плиту
| № п/п | Наименование нагрузки | Формула подсчета |
| Расчетная нагрузка, кН/м2 |
| а. Постоянная Конструкция пола П-2 (мозаичный) мозаика ц.-п. раствор легкобетон Собственный вес плиты | 0,015·24·0,95 0,020·18·0,95 0,060·6·0,95 0,070·25·0,95 | 1,3 1,3 1,2 1,1 | 0,445 0,445 0,410 1,83 | |
| Итого | 2,926 | 3,13 | ||
| б. Временная | 16,5·0,95 | 1,2 | 18,81 | |
| Итого | 15,675 | 18,81 | ||
| Итого | 18,601 | 21,94 |
Полная расчетная нагрузка на 1 погонный метр рассчитываемой полосы шириной 1 м равна нагрузке на 1 м:
g+v=21,94 кН/м.
Статический расчет
Пролетные моменты в крайних пролетах
кН·м;
Опорные моменты на вторых от края опорах
а) при непрерывном армировании
кН·м;
б) при раздельном армировании
кН·м;
Пролетные и опорные моменты в средних пролетах и на средних опорах
кН·м;
кН·м;
Отрицательный момент в средних пролетах
кН·м;
кН·м;
|
|
|
кН·м;
кН;
кН;
кН.







