Для того, чтобы ускорить процесс ввода в параллельную работу и избежать возможности ошибки персонала, применяют метод грубой синхронизации, который позволяет включить СГ на параллельную работу при отклонении напряжений ΔU на 10% и частот на ±2,5% от номинальных и при любом сдвиге фаз между Ег и Uc.
Грубая синхронизация часто используется в качестве резервного способа при электроснабжении мощных судовых грузовых устройств. Включение ДГ на параллельную работу в условиях резкопеременной нагрузки быстрее и надежнее обеспечивается методом грубой синхронизации.
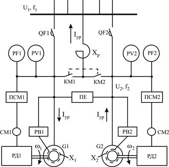
При таком включении всегда будет толчок тока. Для его ограничения каждую фазу обмотки статора в этом случае подключают к сети через реактор (индуктивное сопротивление), который после окончания синхронизации шунтируется. При грубой синхронизации ток включения близок к номинальному значению. Грубую синхронизацию осуществляют следующим образом: уравнивают напряжения и частоты генераторов, замыкают контактор КМ2 вводимого генератора через индуктивное сопротивление Хр. После спада первоначального броска тока и уменьшения колебаний напряжения примерно через 3...5 секунд включают аппарат QF2 генератора G2 и размыкают контакт КМ2. (см. рисунок 2).
При грубой синхронизации (в отличие от точной) включение происходит при некотором угле сдвига фаз между напряжениями U1 и U2. Возникает уравнительный ток:

Сопротивление Хр выбирается значительно превышающим сумму сопротивления генераторов Х1+Х2, таким образом, чтобы провал напряжения был не больше 25%.
Для того, чтобы подключаемый генератор втянулся в синхронизм и не нарушил нормальной работы СЭС, провалы напряжения не должны превышать 25% номинального значения, а броски тока – 2...2,5 кратных значений по отношению к номинальному току.

Рисунок 2 – Схема грубой синхронизации синхронных генераторов