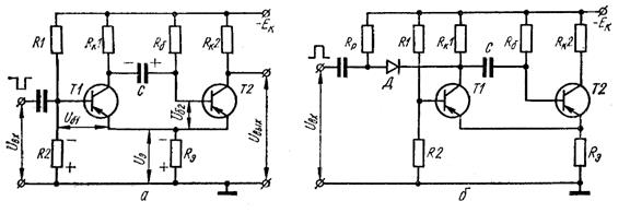
Одновибратор с эмиттерной связью предназначен для формирования прямоугольных импульсов заданной длительности и амплитуды. Можно, также. Обеспечивать задержку импульсов на заданное время. Схема одновибратора приведена на Рис. 75.

Рис. 75. Принципиальная схема одновибратора с эмиттерной связью.
Схема содержит двухкаскадный ключ с положительной обратной связью. Связь между каскадами осуществляется через конденсатор С и резистор R э. В исходном состоянии устойчивого равновесия транзистор Т1 заперт, а Т2 – открыт и насыщен. Насыщение Т2 обеспечивается резистором R б < b R к2. В эмиттерной цепи Т2 течет ток I э = E к / (R к2 + R э). За счет этого тока на R э создается падение напряжения U э = I э R э с полярностью, показанной на рисунке. Через делитель R 1 и R 2 течет ток делителя, который создает на R 2 падение напряжения U R2 с полярностью, показанной на рисунке. Если U э > U R2, то на базу Т1 подается положительное напряжение (U б1 > 0) и обеспечивается запертое состояние Т1. Конденсатор C в исходном состоянии заряжен до напряжения U С = E к - U э (полярность указана на рисунке). Цепь заряда конденсатора: через Rэ - эмиттер-база Т2 - С – R к1 - (- Е к).
При поступлении на базу Т1 отрицательного запускающего импульса с амплитудой, большей, чем U б1, транзистор начинает отпираться и отрицательное напряжение на его коллекторе снижается. Это приращение через конденсатор С передается на базу транзистора Т2, запирая его и уменьшая ток эмиттера. Отрицательное приращение напряжения на R э, равное (U R2 – U э), прикладывается к базе Т1, отпирая его еще больше. Этот лавинный процесс заканчивается запиранием Т2 и насыщением Т1. Схема приходит в квазистационарное состояние.
В состоянии квазиравновесия ток через резистор R 1 достаточен для насыщения Т1, а транзистор Т2 удерживается в запертом состоянии напряжением на конденсаторе С, которое через Т1 приложено к переходу эмиттер-база транзистора Т2, т.е. U б2 = U С > 0. При этом происходит медленный перезаряд конденсатора С по цепи: R э - эмиттер-коллектор Т1 – С - R б - (- Е к). Когда U б2 = 0, отпирается Т2 и одновибратор возвращается в исходное состояние. Конденсатор С снова заряжается до напряжения, почти равного Е к.
Длительность генерируемого импульса равна
(9.4)
Время восстановления зависит от времени заряда конденсатора:
(9.5)
Для нормальной работы надо, чтобы к приходу нового запускающего импульса процесс восстановления закончился. Отсюда период будет равен
T = t и + t в. (9.6)
Амплитуда импульса на коллекторе транзистора Т2 равна:
U макс = E к R к2/ (R к2 + R э) (9.7)
Для обеспечения устойчивости запуска одновибратора находят применение схемы с диодным коллекторным запуском импульсом положительной полярности (Рис.75,б). При этом в процессе опрокидывания диод отключает одновибратор от цепи запуска.






