Регулировка стального каната дроссельной заслонки.
Топливная форсунка и путь масла
Монтаж/демонтаж хомута водной трубы радиатора
Только после погашения двигателя и охлаждения можно добавлять охлаждающую жидкость. Чтобы избежать получения ожогов, не стоит открывать отверстие добавления охлаждающей жидкости до того, пока двигатель не остынет. Охлаждающая жидкость находится в условиях давления. В некоторых случаях охлаждающая жидкость содержит воспламеняющиеся вещества, при возгорании которых может случиться невидимое пламя. Поскольку возгорание при утечке охлаждающей жидкости может привести к серьёзным ожогам, то следует избегать утечки охлаждающей жидкости в частях мотоцикла, находящихся под высокой температурой. Поскольку охлаждающая жидкость содержит высоко ядовитую жидкость, то следует избегать контакта и вдыхания охлаждающей жидкости. Необходимо держать ее в недоступном для детей и домашних животных месте. Если вы вдохнули охлаждающую жидкость, следует немедленно обратиться к врачу. Если охлаждающая жидкость попала на кожу или в глаза, следует немедленно промыть их чистой водой.
Предупреждение!
Хомут водной трубы радиатора – это одноразовая деталь. После снятия хомута не следует его повторно использовать. Необходимы специальные кусачки для хомута, только тогда можно повторно установить хомут. ② В противном случае это может привести к тому, что хомут при установке не достигнет позиции, и это может повлечь за собой неисправность ТС.


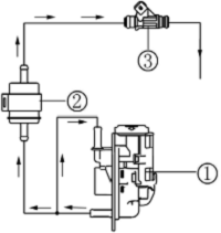
В верхней части топливного насоса ① имеется два стыка. Топливо попадает в форсунку ③ из одного стыка топливного насоса через топливный фильтр ②. В самом конце газ поступает во впускную трубу двигателя. Когда давление топлива повышается, топливо снова возвращается в топливный насос ① через другой стык топливного насоса.
Просьба соединять входящую/выходящую масляную трубу тем способом, который показан на рисунке.

· Обратите внимание
Перед началом регулировки стального каната дроссельной заслонки точно отрегулируйте холостой ход двигателя.
Проверьте свободный ход стального каната дроссельной заслонки.
Свободный ход составляет 3-5 мм.
Если показатель не соответствующий, отрегулируйте.
Отрегулируйте свободный ход стального каната дроссельной заслонки.

Данный мотоцикл оснащен стальным канатом дроссельной заслонки, имеющим структуру из двух проводов. Стальной канат дроссельной заслонки А – провод подачи топлива; Стальной канат дроссельной заслонки В – провод возврата топлива. Просьба отрегулировать свободный ход шейки приклада дроссельной заслонки в соответствии со следующими шагами:
(1) передвиньте пыльник с вытяжного каната дроссельной заслонки
(2) ослабьте подгаечник ③
(3) окончательно вкрутите регулировочную гайку ④
(4) ослабьте подгаечник
(5) поверните регулировочную гайку с тем, чтобы с помощью рукоятки управления дроссельной заслонкой позволить свободному ходу быть 10°~15°
(6) закрутите подгаечник ①
(7) регулировочная гайка ④ позволяет ловко вращаться рукоятке дроссельной заслонки
(8) закрутите подгаечник ③

После регулировки холостого хода необходимо с помощью вращения рукоятки влево/вправо убедиться, что в холостом ходе двигателя не произошло изменений.
Замена воздушного фильтра
С помощью ключа откройте заднее сиденье, снимите заднее сиденье.

Потяните стальной трос сиденья. Откройте переднее сиденье. Вытащите переднее сиденье.

Снимите защитный щиток, снимите передний скрепляющий болт топливного бака, переверните топливный бак.

Снимите крышку воздушного фильтра
Снимите фильтрующий элемент воздушного фильтра
Проверьте, не загрязнен, не испорчен ли фильтрующий элемент.
Если испорчен, просьба заменить на новый
Просьба мягко и тщательно прочистить фильтрующий элемент с помощью дезинфицирующего средства.
Ни в коем случае не используйте бензин, чтобы избежать возникновения пожара.
Ни в коем случае не деформируйте и не нажимайте на фильтрующий элемент, чтобы избежать повреждения пористого материала
Нанесите масло на фильтрующий элемент, но так, чтобы он был влажным, но чобы масло не капало.


Время замены
Если ТС часто используется на ужасной дороге или в дождливую погоду, то лучше заменять как можно раньше.
· Обратите внимание
В время замены фильтрующего элемента воздушного фильтра ни в коем случае не заводите двигатель. В противном случае воздух, не пройдя через фильтр, попадет в двигатель.
Это приведет к тому, что детали и узлы будут быстро изнашиваться.
Также есть возможность поломки двигателя
Кроме того, если не использовать фильтрующий элемент, это может вызвать неисправность карбюратора и перегрев двигателя.
При установке выполняйте демонтаж в обратном порядке.






