Цифро-аналоговые преобразователи (ЦАП) выпускаются в различном исполнении. Рассмотрим наиболее распространенные из них.
ЦАП с весовой резистивной матрицей
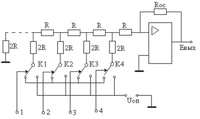
Uоп- источник образцового опорного напряжения.
Цифровой сигнал, подаваемый на n- разрядный вход изменяет коэффициент усиления и, тем самым, изменяет напряжение на выходе.
Второй тип ЦАП – с цепной R-2R матрицей
Если число разрядов равно N, тогда ЦАП имеет 2N выходного сигнала, 2N -1 значений входного сигнала. Параметр, который называется разрешающая способность (весовое значение каждого разряда), определяется как (2N-1)-1. В качестве примера определим разрешающую способность двенадцати разрядного ЦАП, если максимальное выходное напряжение равно10 вольт. N=12, Umax=10. Абсолютная разрешающая способность составит:
.

Цифровые приборы различают по способу преобразования измеряемого сигнала. В основном различают три вида преобразования:
1. Кодо-импульсное преобразование.
2. Время-импульсное преобразование.
3. Частотно-импульсное преобразование.
|
|
|
В приборах кодо-импульсным преобразованием происходит последовательное сравнение значений измеряемой величины с рядом дискретных значений известной величины, изменяющийся по определенному закону.
В приборах с время-импульсным преобразованием измеряемая величина Ux преобразуется во временной интервал Dt с последующим заполнением этого интервала импульсами N образцовой частоты.
В приборах с частотно-импульсным преобразованием (интегрирующих) измеряемое напряжение Ux преобразуется в частоту f следования импульсов, которые подсчитываются за определенный интервал времени.
Рассмотрим конкретные структуры приборов.
Структурная схема и диаграмма, поясняющая работу прибора с время-импульсным преобразованием, показаны на рис.

УПТ- усилитель постоянного тока, ГЛИН- генератор линейно изменяющегося напряжения (генератор счетных импульсов также формирует импульс сброса).

Прибор работает следующим образом: генератор пилообразного напряжения ГЛИН вырабатывает напряжение (на рисунке обозначено Uk) с нормированной частотой. В устройстве сравнения напряжение Uk сравнивается с измеряемым напряжением Ux. В моменты совпадения напряжений формируются (см. диаграмму) импульсы Dt, определяющие интервалы времени, за которые будет производится измерение. Далее эти интервалы “заполняются’ импульсами с генератора счетных импульсов. Количество импульсов N за интервал времени Dt подсчитывается счетчиком импульсов и отображается в отсчетном устройстве. Таким образом, чем больше измеряемое напряжение, тем больше интервал времени
t и количество импульсов N. (Число импульсов N прямо пропорционально напряжению Ux).
|
|
|
Измеряемая величина равна:
.
Схема и диаграмма, поясняющая работу приборов с частотно-импульсным преобразованием, показаны на рис.


Схема работает следующим образом: при подаче на вход интегратора напряжения Uх на его выходе формируется линейно нарастающее напряжение. Скорость нарастания сигнала Uинт, зависит от величины входного напряжения, чем больше напряжение, тем с большей скоростью нарастает сигнал. В устройстве сравнения напряжение Uинт сравнивается с образцовым напряжением Uo. В момент равенства напряжений формируется импульс обратной связи, который запускает схему сброса интегратора и действует до тех пор, пока напряжение на выходе интегратора не обнулится. Очевидно, чем больше входное напряжение, тем больше частота следования импульсов. Частота импульсов fx прямо пропорциональна входному напряжению. В приведенной схеме не контролируется процесс разряда интегратора, что приводит к погрешности преобразования Ux – fx.
Для повышения точности измерения применяют схемы с двойным интегрированием, в которых разряд интегратора также нормируется.
Диаграмма, поясняющая работу прибора с двойным интегрированием, приведена на рис.

ЛЕКЦИЯ 19






