6.Трёхфазные асинхронные машины
6.1. Устройство и принцип действия асинхронного двигателя
Асинхронный двигатель изобретен русским инженером Доливо-Добровольским в 1888 году.
Конструктивно трёхфазный асинхронный двигатель (рис.6.1) состоит из неподвижного статора 1 и подвижного ротора 2.

Рис.6.1. Модель конструкции трёхфазного асинхронного двигателя
Сердечник статора состоит из набора тонких пластин электротехнической стали с полюсными пазами. Пластины изолированы лаком для уменьшения потерь на вихревые токи, их собирают в пакеты и крепят в станине электродвигателя. В пазы статора укладывается статорная обмотка, соединенная в трехфазную систему. На щитке машины имеется шесть зажимов, к которым подсоединяются начала и концы каждой фазы (рис.6.2). Трёхфазную систему образуют подключением зажимов треугольником или звездой перемычками. На щитке двигателя, в зависимости от соединений звездой или треугольником, указываются напряжения питания 380/220 вольт.
Боковые щиты используют для установки вала ротора в подшипники. Сердечник ротора набирают из пластин электротехнической стали, изолированных лаком. Пластины собирают в пакеты, из которых образуется цилиндр с продольными пазами. В эти пазы укладывают обмотку ротора. В зависимости от типа, обмотки ротора выполняют с короткозамкнутым или фазным ротором.
|
|
|
Короткозамкнутый ротор выполняен из медных или алюминиевых стержней в виде беличьей клетки, с торцов обмотка ротора замкнута накоротко. Количество фаз ротора равно количеству стержней.
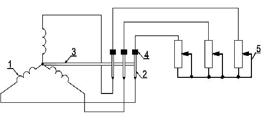
Фазная обмотка ротора (рис.6.3) выполнена в виде трёхфазной обмотки 1, соединённой звездой. Начала этих обмоток подключены к трём медным изолированным кольцам 2, укреплённым на валу 3 ротора. Поверхности колец скользят по неподвижным щёткам 4. Щётки соединены с трёхфазным пусковым реостатом 5, предназначенным для уменьшения пускового тока и увеличения вращающего момента двигателя.

Рис.6.2. Схемы подключений зажимов фаз статорных обмоток асинхронного двигателя, соединёных треугольником и звездой

Рис.6.3. Схема соединения фазной обмотки ротора с пусковым реостатом
На рис.6.4 изображено условное обозначение асинхронных двигателей с короткозамкнутым и фазным роторами.

Рис.6.4. Условное обозначение асинхронных двигателей с короткозамкнутым и фазным роторами
Принцип действия асинхронного двигателя основан на использовании опыта Араго-Ленца (рис.6.5).

Рис.6.5. Схема, поясняющая опыт Араго-Ленца
При вращении рукоятки 1 через ось 2 будет вращаться постоянный магнит 3, образуя вращающее магнитное поле, которое приводит во вращение медный диск 4 в направлении вращения магнитного поля. Частота вращения магнита будет превышать частоту вращения диска
.
|
|
|
В реальной машине при подаче питания к трёхфазной обмотке статора по катушкам потекут мгновенные токи
, сдвинутые по фазе на угол 120°. Эти токи возбуждают в магнитопроводе статора и ротора вращающееся магнитное поле. В обмотках статора индуктируются мгновенные ЭДС
. Тогда при неподвижном роторе, в проводниках его обмотки, вследствие пересечения их линиями вращающегося магнитного поля наведутся мгновенные ЭДС и в короткозамкнутой обмотке ротора появятся переменные мгновенные токи. Взаимодействие этих токов с вращающимся магнитным полем образует вращательный момент и неподвижный ротор приходит во вращение. При этом следует сделать важный вывод о том, что ротор и магнитное поле статора вращаются в пространстве в одном направлении, но с разными частотами. Частота вращения ротора двигателя
меньше частоты вращения магнитного поля статора
. Относительное отставание частоты вращения ротора от магнитного поля статора называется скольжением
.