Параллельные ЦАП.
В качестве примера параллельного ЦАП рассмотрим наиболее простой тип – ЦАП с суммированием весовых токов.
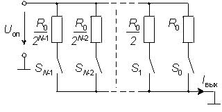
Большинство схем параллельных ЦАП основано на суммировании токов, сила каждого из которых пропорциональна весу цифрового двоичного разряда, причем должны суммироваться только токи разрядов, значения которых равны 1. Пусть, например, требуется преобразовать двоичный четырехразрядный код в аналоговый сигнал тока. У четвертого, старшего значащего разряда (СЗР) вес будет равен 23=8, у третьего разряда - 22=4, у второго - 21=2 и у младшего (МЗР) - 20=1. Если вес МЗР I МЗР=1 мА, то I СЗР=8 мА, а максимальный выходной ток преобразователя I вых.макс=15 мА и соответствует коду 11112. Понятно, что коду 10012, например, будет соответствовать I вых=9 мА и т.д. Следовательно, требуется построить схему, обеспечивающую генерацию и коммутацию по заданным законам точных весовых токов. Простейшая схема, реализующая указанный принцип, приведена на рис. 2.
Сопротивления резисторов выбирают так, чтобы при замкнутых ключах через них протекал ток, соответствующий весу разряда. Ключ должен быть замкнут тогда, когда соответствующий ему бит входного слова равен единице. Выходной ток определяется соотношением


Рис.2. Простейшая схема ЦАП с суммированием весовых токов.
Рассмотренная схема при всей ее простоте обладает целым букетом недостатков. Во-первых, при различных входных кодах ток, потребляемый от источника опорного напряжения (ИОН), будет различным, а это повлияет на величину выходного напряжения ИОН. Во-вторых, значения сопротивлений весовых резисторов могут различаться в тысячи раз, а это делает весьма затруднительной реализацию этих резисторов в полупроводниковых ИМС. Кроме того, сопротивление резисторов старших разрядов в многоразрядных ЦАП может быть соизмеримым с сопротивлением замкнутого ключа, а это приведет к погрешности преобразования. В-третьих, в этой схеме к разомкнутым ключам прикладывается значительное напряжение, что усложняет их построение.
Формирование выходного сигнала в виде напряжения
Существует несколько способов формирования выходного напряжения для ЦАП с суммированием весовых токов. Два из них показаны на рис. 3.

Рис. 3. Формирование напряжения по токовому выходу ЦАП
На рис. 3а приведена схема с преобразователем тока в напряжение на операционном усилителе (ОУ). Эта схема пригодна для всех ЦАП с токовым выходом. Поскольку пленочные резисторы, определяющие весовые токи ЦАП имеют значительный температурный коэффициент сопротивления, резистор обратной связи R ос следует изготавливать на кристалле ЦАП и в том же технологическом процессе, что обычно и делается. Это позволяет снизить температурную нестабильность преобразователя в 300:400 раз.
Для ЦАП на МОП-ключах выходное напряжение схемы на рис. 3а

Обычно сопротивление резистора обратной связи R ос= R. В таком случае

Для цифро-аналогового преобразователя на источниках тока преобразование выходного тока в напряжение может быть произведено с помощью резистора (рис.3б). В этой схеме невозможно самовозбуждение и сохранено быстродействие, однако амплитуда выходного напряжения должна быть небольшой. В противном случае транзисторы источников тока могут выйти из линейного режима. Такой режим обеспечивается при низких значениях сопротивления нагрузки: R н >1 кОм. Для увеличения амплитуды выходного сигнала ЦАП в этой схеме к ее выходу можно подключить неинвертирующий усилитель на ОУ.






