Качественное построение производят только в сравнительно простых цепях, в которых, как правило, есть один источник энергии.
Построение производят в следующем порядке.
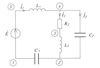
1. Выбирают направление тока ветвей так, чтобы удобно вести построение против направления тока.
2. Схему разбивают на участки, включающие один элемент.
3. Задают на комплексной плоскости направление вектора тока в самой дальней от источника и нагруженной ветви и помещают вектор в начало комплексной плоскости.
4. Потенциал узла, в который ток этой ветви входит, принимают за ноль. Эту точку располагают в начале комплексной плоскости.
5. Находят с помощью закона Ома и первого закона Кирхгофа потенциалы соседних точек и токи соседних ветвей. Процесс продолжают до тех пор, пока ни получены все токи ветвей и все потенциалы узлов схемы.
6. Проверка - диаграмма должна быть замкнутой.

Задают направление вектор
и помещают вектор в начало комплексной плоскости.
Принимают
(в этом случае для получения большинства потенциалов точек схемы надо будет прибавлять напряжение на элементах схемы, что проще, чем вычитать их). Точку 4 располагают в начале комплексной плоскости.










