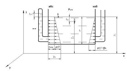
Эпюры давление жидкости на твердую стенку.
Закон Паскаля




В одном и том же объеме покоящейся жидкости давление передается одинаково всеми точками.




z – геометрическая высота
- пьезометрическая высота


- пьезометрический уровень

1. Барометры – для измерения абсолютного давления
2. Манометры – избыточного
3. Вакуумметры – вакуума.
По конструктивному выполнения приборы делятся на:
1. Пружинные
2. Грузовые (для тарировки)
3. Жидкостные
4. Электрические
Трубчатые (до 1000 МПа)

Мембранные (до 0,3 МПа)

Грузовые



Для измерения избыточного давления и вакуума применяются специальные трубки диаметром 8…10 мм – пьезометры.






