Стабилизация положения точки покоя в транзисторных каскадах
Нестабилизированные схемы смещения
Электропитание усилительных элементов
Работа усилительных элементов в каскаде
План (логика) изложения матери
Лекция 4
Литература
1 Гольцев В.Р., Богун В.Д.Диленко В.И. Электронные
усилители. М.: Стандарты, 1990. с.21...31.
2 Цыкина А.В. Электронные усилители.-М.: Радио исвязь,198 с. 30...44.
3 Федосеева Е.О. Усилительные устройства киноустановок.-М.:
1979.с.36...52
4 Колонтаевский Ю.П., Сосков А.Г. Промислова електроніка та
мікросхематехніка: теорія i практикум.- К.: Каравелла,2003.
с.90...94.
5 Гершунский Б.С. Основы электроники и микроэлектроники: Учебник.-;-е
изд. перераб.и доп. – К.: Вища школа, 1989.- 423с. 269 -283.
Экспресс - проверка знаний пройденного материала:
1 Нарисовать простейшие схемы снятия обратной связи
2 Нарисовать простейшие схемы подачи обратной связи на вход усилителя
3 Нарисовать структурную схему усилителя с обратной частотно зависимой
обратной связью и её характеристики
4 Нарисовать схему к определению коэффициента усиления при обратной связи по
|
|
|
напряжению
5 Написать ключевые слова к теме 3
После изучения лекции 4 студент должен знать: электропитания выходной цепи усилительного элемента, подачу напряжения смещения на входе транзистора, режим работы усилительного элемента и стабилизацию рабочей точки транзистора.
Уметь: нарисовать схемы электропитания выходной цепи усилительного элемента, нарисовать схемы с напряжением смещения, нарисовать схемы стабилизации положения точки покоя в транзисторных каскадах.
1.3.1 Электропитание усилительных элементов
Электропитание усилительных элементов в усилительных каскадах осуществляется от источников первичного электропитания (химические источники тока) или от источников вторичного электропитания (выпрямителей).
Цепи электропитания должны обеспечить: заданный режим работы усилительного элемента по постоянному току; стабилизацию режима работы усилительного элемента, т.е. уменьшить воздействие дестабилизирующих факторов.
На электроды усилительного элемента надо подавать два напряжения: постоянное напряжение на выходной электрод и постоянное напряжение
(смещение) на управляющий электрод.
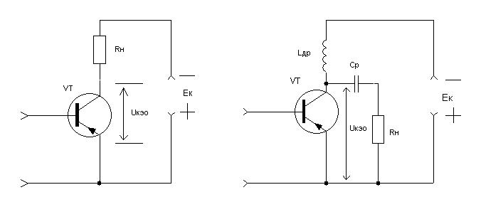
Электропитание выходной цепи усилительного элемента. Постоянное напряжение на коллектор биполярного транзистора и на исток полевого транзистора можно подавать двумя способами: последовательно и параллельно с нагрузкой.
Последовательная схема питания выходной цепи усилительного элемента приведена на рисунке 1.18,а. В этой схеме постоянная составляющая тока
выходной цепи Iко протекает от положительного полюса источника электропитаний Ек через транзистор (эмиттер – база - коллектор), резистор нагрузки Rн к отрицательному полюсу Ек. В дальнейшем направление протекания токов будем показывать в следующем в виде +Ек —>(э-б-к)VТ—>Rн— -Ек. Протекая через резистор Rн, ток Iко создаёт на нём падение напряжения Iко·Rн.
|
|
|
Напряжение на коллекторе транзистора составляет разность между напряжением источника электропитания Ек и падением напряжения на нагрузке IкоRн, т.е
Uкэо= Ек – (Iкo·Rн), (1.34)
Падение напряжение на нагрузке по постоянной составляющей коллекторного тока Iко является бесполезной потерей напряжения источника электропитания.
Переменная составляющая выходного тока Iк~ в последовательной схеме протекает по цепи: эмиттер – коллектор транзистора через нагрузку, источник питания к эмиттеру.

а) б)
а- последовательная;
б-параллельная
Рисунок 1.18- Принципиальные схемы электропитания выходной
цепи усилительного элемента
Параллельная схема питания выходной цепи усилительного элемента приведена на рисунке 1.18.б. В этой схеме цепи постоянной и переменной составляющих выходного тока разделены. Постоянная составляющая Iко протекает по цепи: +Eк→(э-б-к)VT→Lдр→-Ек. Переменная составляющая коллекторного тока
Iк~ протекает по цепи: (к-VT)→Cp→Rн→(э-VT).
Конденсатор Ср не допускает протекания постоянной составляющей коллекторного тока Iко через нагрузку, но пропускает переменную
составляющую Iк, оказывая ей незначительное сопротивление.
Дроссель Lдр не допускает протекания переменной составляющей через источник электропитания Ек, а постоянной составляющей оказывает не значительное сопротивление.
В результате такого разделения токов Iко и Iк не происходит потерь постоянного напряжения на резисторе нагрузки, а переменная составляющая не протекает в цепи электропитания Ек. Это является преимуществом параллельной схемы по сравнению с последовательной. Но наличие дополнительных деталей - разделительного конденсатора Ср и блокировочного дросселя Lдр - усложняет схему, что является недостатком параллельной схемы.
Напряжение смещения. При выбранном значении постоянного напряжения в выходной цепи усилительного элемента требуемое значение выходного тока в исходном режиме получают путём подачи на управляющий электрод определенного значения постоянного напряжения, называемого напряжением смещением,так как оно смещает рабочую точку покоя в заданный участок усилительного элемента.
Значение и полярность напряжения смещения зависит от типа усилительного элемента. Например, у биполярных транзисторов типа р-п-р напряжением смещения на базе должно быть отрицательным относительно эмиттера, у транзисторов типа п-р-п - положительным. Его значение составляет обычно порядка 0,1... 0.5 В для германиевых и для кремниевых 0,5...1.0 В.
Режим работы усилительного элемента - это состояние усилительного элемента, которое характеризует значениями токов в его цепях при подачи на его электроды напряжений смещения по постоянному току от источника электропитания.
В зависимости от положения исходной рабочей точки на вольт-амперной характеристики усилительного элемента и от того, какой участок этой характеристики используются для работы, различают режимы усиления классов А, АВ, В, С и D.
Режим класса А. В режиме класса А исходную рабочую точку устанавливают на середине прямолинейного участка характеристики, как показано на рисунке 1.19,а (точка А), амплитуда входного сигнала выбирается такой, чтобы максимальной отклонение рабочей точки, вызываемые действием входного сигнала, не оказались за пределами этого участка.
Достоинством режима являются малые нелинейные искажения входного сигнала, поскольку усилительный элемент работает в пределах почти прямолинейного участка характеристики. В результате форма выходного сигнала почти не отличается от формы входного сигнала.
|
|
|
Недостатком режима класса А является низкий КПД выходной
цепи, который составляет:
η = Р~/Ро < 0,5, (1.35)
где: Р ~— полезная выходная мощность сигнала;
Ро - мощность расходуемая источника электропитания
выходной цепи.
Причиной низкого КПД выходной цепи каскада в режиме класса А

а) б)
Рисунок 1.19 - Выходные динамические характеристики усилителя в режимах
А (а) и В, С (б).
является то, что постоянная составляющая выходного тока имеет большое значение и протекает все время - как при сигнале, так и без него.
Размах напряжения выходного сигнала усилителя класса А ограничен величиной, несколько меньшей напряжения источника питания. Поскольку выходное напряжение включает положительную и отрицательную полуволну, то его амплитуда должна быть меньше половины питающего напряжения. Например, напряжение питания усилителя равно Е=20 В, и его рабочая точка на характеристики смещена так, что при отсутствии входного сигнала потенциал коллектора равен половине питающего напряжения, или 10 В. В этом случае размах выходного напряжения не может быть больше, чем ±10 В. Если нелинейные искажения нужно свести к минимуму, выходное напряжение не должно выходить за пределы ±5 В. с тем, чтобы транзистор оставался на линейном участке передаточной характеристики.
Из-за низкого КПД режим класса А применяют в основном для усиления напряжения в маломощных каскадах: предварительного усиления и оконечных каскадах малой мощности..
Режим класса В. Режимом класса В называют такой режим работы усилительного элемента, при котором от источника электропитания в
выходной цепи протекает за время, равное примерно половине периода сигнала.
В режиме класса В точку покоя выбирается в режиме отсечки: её положение приблизительно соответствует точки В (рисунок 1.19.б).
Если усилительный каскад класса В включает лишь один транзистор, нелинейные искажения сигнала будут значительными. Это объясняется тем, что результирующий коллекторный ток по форме повторяет лишь положительную половину входного сигнала, а не весь сигнал, так как для отрицательной полуволны транзистор остается запертым. Для воссоздания на выходе сигнала, полностью сходного по форме с входным сигналом, можно использовать два транзистора (по одному на каждую полуволну входного сигнала), комбинируя их по так называемой двухтактной схеме.
|
|
|
Амплитуда выходного напряжения усилителя класса В равна двойной амплитуде выходного напряжения усилителя класса А. Таким образом, двухтактный транзисторный каскад в режиме класса В позволяет получит выходное напряжение, вдвое больше, чем в режиме класса А.
Класс В является наиболее экономичным для усилителя низкой частоты, поскольку в этом случае усилитель потребляет от источника питания минимальный ток.
Из рассмотренных свойств двухтактного каскада класса В следует, что такие усилители целесообразнее использовать для усиления мощности, а не напряжения.
Нелинейные искажения можно уменьшить, если вместо режима класса В использовать класс АВ.
Режим класса АВ является промежуточным. Исходная рабочая точка в
данном режиме устанавливается на характеристике в области отсечки, но ближе к активной области. Угол отсечки при этом оказывается несколько больше 90°. Применяют этот режим только в двухтактных усилителях.
Класс АВ менее экономичен, чем класс В, так как потребляется больший ток от источника питания. Обычно, класс АВ используют лишь в двухтактных схемах.
Режим класса С. Режимом класса С называется такой режим
работы усилителя, при котором ток в выходной цепи усилительно-
го элемента протекает за время, составляющее меньше половины периода сигнала.
Исходная рабочая точка в режиме класса С устанавливается правее динамической нагрузочной характеристики. Угол отсечки при этом получается меньше 90°. При отсутствии сигнала ток от источника электропитания в режиме класса С не протекает и КПД выходной цепи получается выше, чем в режиме класса В, η =0,85. Но нелинейные искажения оказываются недопустимо большими. Поэтому режим класса С используется только в резонансных усилителях.
Режим класса D. Режимом класса D (или ключевым) называется такой режим, при котором усилительный элемент либо полностью открыт, и тогда через него протекает максимальный ток, либо полностью закрыт, и тогда ток через него не протекает.
В этом режиме потери энергии внутри усилительного элемента очень малый и
КПД большой (близко к единицы).
Режим данный применяется для усиления импульсных сигналов в ЭВМ, а также в устройствах управления и регулирования. Иногда его используют в усилителях очень большой мощности.
Положение точки покоя на входных и выходных характеристиках выбирается так, чтобы получить наибольший неискаженный сигнал и не превысить предельные режимы транзистора. Для мощных каскадов особенно важно, чтобы мощность, выделяемая на коллекторе, ни в паузе, ни при усилении сигнала не превышала предельного значения Рк.пред.
При отклонении от выбранного режима (вследствие изменения температуры, замены транзисторов, изменения параметров с течением времени, изменения питающих напряжений) может значительно увеличить нелинейные искажения, уменьшить усиление, увеличиться выделяемая в транзисторе мощность. Последнее может вызвать перегрев транзистора и выход его из строя. Поэтому цепи электропитания должны обеспечить не только выбранный по характеристики исходный режим, но и стабильность положения точки покоя на коллекторных характеристиках, иначе говоря, сохранение неизменным тока коллектора Iко в процессе работы устройства.
Положение точки покоя на коллекторной динамической характеристике определяется величиной тока базы Iбо (или напряжения Uбо) поэтому исходный режим выходной цепи зависит от режима входной цепи, задаваемого смешением. Для схем ОЭ и ОК - это напряжение смещения между базой и эмиттером Uбэо или ток смещений Iбо.
Смещение необходимо для того, чтобы на эмиттерном переходе создавалось начальное прямое напряжение, под действием которого происходит инжекция из эмиттера в базу не основных для неё носителей заряда (дырок в транзисторе р-п-р и электронов в п-р-п) и появляется ток коллектора. Без смещения транзистор закрыт, так как в его выходной цепи под действием напряжения коллектора протекает только очень малый обратный ток коллектора перехода Iк.обр. При подаче сигнала на транзистор, работающий без смещения, усиливается только одна полуволна, и полпериода транзистор остаётся закрытым.
В практических схемах для создания смещения используется не отдельный источник Еб, а источник электропитания коллекторной цепи Ек.
Существует много способов создания смещения. Принципиально различают два вида смещения:
- нестабилизированные (фиксированные), которые только определяют исходное положение рабочей точки, т.е. устанавливают, но не
стабилизируют в процессе работы;
- стабилизированные (автоматические), устанавливающие исходное положение рабочей точки и удерживающие её в допустимых пределах.