Нестабилизированные схемы смещения
На практике получили распространение два способа обеспечения заданного положение рабочей точки по постоянному току:
- схема смещения фиксированным током базы;
- схема смещения фиксированным напряжением базы.
Смещение фиксированным током базы осуществляется путём включения резистора с большим сопротивлением Rб между базой и источником электропитания Ек (рисунок 1.20, а). Это создает путь для постоянной составляющей тока базы, т.е. для тока смещения Iбо от +Eк→(э-б)VT→Rб→-Eк.
Ток смещения Iбо создает на входном сопротивлении транзистора напряжение смещения Uбэо, составляющее доли вольт. Сопротивление Rб значительно больше входного, а Uбэо во много раз меньше Ек.
Поэтому, определяя ток смещения, можно пренебречь величиной Uбэо по сравнению с Ек. Тогда получим Iбо = (Ек - Uбэо) / Rб ≈ Ек/Rб = const, (1.36)
т.е. ток базы действительно является фиксированным, не зависящим от тока коллектора и параметров транзистора.
Недостаток данной схемы является нестабильность режима выход ной цепи, поэтому фиксированное смещение током базы в чистом виде (без специальных мер для стабилизации тока коллектора) в практических схемах не нашло применение.
Смещение фиксированным напряжением базы осуществляется с помощью делителя напряжения, состоящего из резисторов Rб1 и Rб2 (рисунок 1.20,6). Делитель подключается к источнику электропитания Ек, а напряжение с Rб2 поступает на базу и является напряжением смещения Uбэо.
Ток Iд, потребляемый делителем от источника электропитания, значительно больше тока базы Iбо, протекающего вместе с Iд по Rб1 откуда Uбэо = Ек·[ Rб2/(Rб1+Rб2)] = const. (1.37)
Таким образом, напряжение смещения действительно не зависит от тока коллектора и параметров транзистора, т.е. является фиксированным.
Для того чтобы осуществлялось смещение фиксированным напряжением базы, сопротивление Rб2 должно быть значительно меньше входного сопротивления транзистора. Это уменьшает общее входное сопротивление каскада, что является недостатком схемы.
В усилительных каскадах с полевыми транзисторами электропитание выходных цепей осуществляется так же, как и в каскадах на биполярных транзисторах.
При отсутствии сигнала на входе усилителя значение выходного тока должно быть постоянным, т.е. положение рабочей точки в исходном состоянии должно быть неизменным - стабильным. Однако в результате действия различных внешних факторов режим работы усилительного элемента оказывается нестабильным. Причинами нестабильного режима работы усилительного элемента являются: изменение температуры окружающей среды, нестабильность напряжения источников электропитания, разброс параметров
усилительных элементов и др. Особенно сильно влияет режим работы усилительного элемента повышение температуры окружающей среды, вызывающее резкое изменение начального тока коллектора Iк.н. Так, при увеличении температуры на каждые 10°С Iк.н. возрастает в 2 раза у германиевых транзисторов и в 3 раза у кремниевых. В результате ток покоя коллектора Iко увеличивается в несколько раз.
Таким образом, простые схемы смещения не обеспечивают необходимой стабильности режима транзистора. Поэтому в транзисторных усилителях обычно применяют различные способы стабилизации режима работы усилительного элемента.

а) б)
а-фиксированная током базы;
б- фиксированная напряжение базы
Рисунок 1.20- Схемы нестабилизированные смещения рабочей точки транзистора
Параметрическая стабилизация режима. Принцип параметрической стабилизации заключается, в том. что смещение создается с помощью термозависимых элементов, имеющих отрицательный температурный коэффициент сопротивления. Это нелинейные элементы, у которых с повышением температуры сопротивление уменьшается, так что напряжение на нем понижается, а, следовательно, уменьшается и смещение. Вызванное этим уменьшение тока коллектора может полностью скомпенсировать то его увеличение, которое происходит за счёт повышения температуры. Таким образом, при правильном подборе параметров схемы можно добиться полной компенсации температурных изменений тока коллектора и получить коэффициент нестабильности S=0.
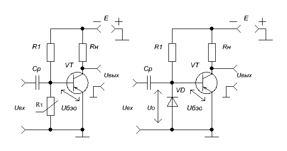
Схемы параметрической стабилизации с применением терморезистора или термистора Rm приведена на рисунке 1.21, а.
Принцип работы данной схемы заключается в том, что с повышением температуры общее сопротивление нижнего плеча делителя Rб2, содержащего терморезистор Rt, уменьшается, что вызывает уменьшение смещения Uбэо и препятствует увеличению тока коллектора Iко. Чтобы температура терморезистора изменялась одновременно с температурой стабилизированного транзистора, их надо располагать в непосредственной близости друг к другу (обычно на радиаторе охлаждения транзистора).
Большим недостатком данной схемы является их значительная тепловая инерционность.

а) б)
а- термостабилизация;
б- диодная
Рисунок 1.21 - Параметрическая стабилизация режима транзистор
Параметрическая стабилизация с помощью полупроводниковых диодов (или кремниевых стабилитронов) может быть осуществлена путем включения их в нижнее плечо делителя, создающего смещение на базе. При включении диода в прямом направлении (рисунок 1.21,б) температурная зависимость сопротивления его р-п - перехода имеет почти такой же характер, как для эмиттерного перехода транзистора, поскольку они созданы из одних и тех же исходных материалов. Здесь смещением является прямое напряжение на диоде (прямое сопротивление диода выполняет роль Rб2). С повышением температуры прямая ветвь вольтамперная характеристики диода сдвигается влево так же, как входная характеристика транзистора (рисунок 1.22), и уменьшение приложенного извне напряжения смещения дает хорошую термокомпенсацию. Вместо диода может быть использован эмиттерный переход транзистора, у которого база и коллектор соединены вместе; при этом можно добиться еще большой точности термокомпенсации.

Рисунок 1.22 - Вольт - амперная характеристика диода
Преимуществом применения диодов и транзисторов в диодном включении перед терморезисторами является то, что тепловая инерция диода примерно соответствует тепловой инерции транзисторов.
Недостаток данной схемы уменьшение входного сопротивления каскада, так как сопротивление диода переменному току в прямом направлении очень мало. Этот недостаток устраняется при включении диода последовательно с источником сигнала.
Диод, применяемый для термокомпенсации, надо располагать вблизи транзистора, чтобы они одновременно нагревались.
Наиболее простой способ стабилизации исходного режима транзистора - коллекторная стабилизация ( рисунок 1.23,а). Эта схема отличается от схемы смещения фиксированным током базы тем, что резистор Rб, соединенный с базой, подключается вторым концом к коллектору, а не к источнику электропитания. Поэтому падение напряжения на ней можно считать равным напряжению коллектора Uko, если пренебречь малым падением напряжением на эмиттерном переходе по сравнению с Uko. Ток смещения равен:
Iбо ≈ (Ек - Iko·Rk) / Rб, (1.38)
т.е. зависит от тока коллектора.
Если, например, с повышением температуры ток коллектора увеличивается, то возрастает и ток эмиттера, увеличивается падение напряжение на коллекторные нагрузки Rk, понижается напряжение Uko, а, следовательно, уменьшается ток смещения Iбо. Это вызывает уменьшение тока коллектора Iко.
Итак, возрастание тока коллектора в итоге всех процессов приводит к уменьшению смещения, а это препятствует росту Iко, который таким образом стабилизируется.
В данной схеме действует параллельная отрицательная обратная связь по постоянному напряжению. Коллекторная стабилизация действует более эффективно только при большом сопротивлении нагрузки Rk и когда уменьшается по величине сопротивление Rб.
Схема коллекторной стабилизации положение исходной рабочей точки применяется редко. Она проста, экономична, но не обеспечивает достаточную стабилизацию положения исходной рабочей точки.

а) б)
Рисунок 1.23 - Схемы стабилизации напряжения коллекторная (а) и эмиттерная стабилизация (б)
Эмиттерная стабилизация осуществляется включением резистора Rэ между эмиттером и общим проводом и обычно применяется на основе схемы с фиксированным напряжением базы (рисунок 1.23,б). На сопротивлении делителя Rб2 создается фиксированное напряжение база - общий провод Uбо. На сопротивлении эмиттерной стабилизации Rэ током покоя эмиттера Iэо создается падение напряжения эмиттера - общий провод Uэо. при этом напряжение смещения база -эмиттер Uбэо равно разности. Следовательно:
Uбэо= Uбо - Uэо = Uбо - Iэо·Rэ, причем
Iэо = Iко + Iбо ≈ Iко. (1.39)
Если с повышением температуры возрастает ток коллектора, то увеличивается Iэо и падение напряжение на Rэ, а напряжение смещение Uбэо уменьшается, что препятствует росту Iко; следовательно, ток коллектора стабилизируется.
В данной схеме действует последовательная отрицательная обратная связь по постоянному току эмиттера.
Эмиттерная стабилизация действует тем эффективнее, чем меньше Rб2, а, следовательно, и общее сопротивление делителя больше Rэ. При этом даже очень малое изменения коллектора вызовут существенные изменения смещения, повысит точность стабилизации исходного режима и степень уменьшения коэффициента нестабильности S.
В схеме на рисунке 1.23,б параллельно резистору Rэ может быть включен блокировочный конденсатор Сэ большой ёмкости для исключения отрицательной обратной связи по переменному току. Если желательно использовать последовательную обратную связь и по переменному току, то Сэ в схему не включается. При этом уменьшается усиление, но стабилизируется выходной ток сигнала и коэффициент усиления тока Ki, а также увеличивается входное сопротивление.
Схема эмиттерной стабилизации рабочей точки транзистора применяется часто. Она обеспечивает более высокую стабилизацию положения рабочей точки.
Еще лучшую стабилизацию рабочей точки обеспечивает комбинированная схема (рисунок 1.24,а), где используется отрицательная обратная связь как по току, так и по напряжению. В этой схеме резисторы обратной связи Rэ и Rф шунтированы конденсаторами Сэ и Сф для устранения обратной связи по переменному току.

а) б)
Рисунок 1.24 - Схема стабилизации комбинированная (а) и комбинированная на полевом транзисторе
Схемы стабилизации исходного положения рабочей точки с помощью отрицательной обратной связи применимы только в усилителях, работающих в режиме класса А, в котором постоянная составляющая выходного тока транзистора не зависит от амплитуды усиливаемого сигнала.
В режиме класса В, при котором среднее значение тока покоя зависит от амплитуды усиливаемого сигнала, применяют смещение фиксированным напряжением базы, а стабилизация исходного положения рабочей точки осуществляется схемах термокомпенсации.
Недостатком схем стабилизации с применением обратной связи является дополнительный расход мощности источника электропитания на элементах обратной связи.
Схема истокового автоматического смещения работает так, напряжение смещения создается током протекающего через резистор Rh. Оно подается на затвор через резистор R2. сопротивление которого можно выбирать очень большим (1... 100 МОм), поскольку ток затвора очень мал и падения напряжения на нем по существу нет.
Стабилизация тока покоя выходной цепи по этой схеме осуществляется следующим образом: при возрастании выходного тока покоя под действием дестабилизирующих факторов величивается падение напряжения на резисторе Rh, транзистор начинает закрываться и ток покоя выходной цепи уменьшается.






