В усилительных устройствах используют самые различные виды обратной связи. Вид обратной связи можно определить по следующим основным признакам:
-по знаку петлевого усиления;
- в зависимости от частотных свойств цепи обратной связи;
-по способу снятия с выхода и по дачи на вход усилителя
энергии сигнала.
По знаку петлевого усиления различают два вида обратной связи - положительную и отрицательную. Результирующий сигнал на входе получается сложением двух сигналов, сигнала от источника и от цепи обратной связи. И если фазы этих сигналов совпадают и входное напряжение увеличивается, то такая обратная связь называется положительной. И если фазы этих сигналов противоположны и входное напряжение уменьшается, то такая обратная связь называется отрицательной.
Характер обратной связи зависит не только от её схемы, но и от частоты сигнала, поскольку реактивными элементами, входящими в петлю обратной
связи, вносятся дополнительные сдвиги фазы. Поэтому связь, отрицательная для средних частот, может оказаться положительной на низких или высоких частотах. При введении внешней связи её характер определяется для средних частот.
Положительная обратная связь в чистом виде не вводится, так как
приводит к увеличению искажений, помех и нестабильности усилите
ля, а также неустойчивости, т.е. склонности к генерации. В отдельных
случаях используется неглубокая местная положительная обратная
связь, внутри общей отрицательной обратной связи, для некоторого
увеличения коэффициента усиления.
В связи от частотных свойств цепи обратной связи различают:
- связь по переменному току (сигналу), которая может быть
частотно-независимой (на резисторах) и частотно-зависимой
(с реактивными элементами в цепи обратной связи);
- связь по постоянному току, которая стабилизирует исходный
режим транзисторов;
- связь по переменному и постоянному току одновременно.
Схемы обратной связи классифицируются по их структуре в зависимости от способов снятия сигнала с выхода усилителя в цепь обратной связи и подачи его из цепи обратной связи на вход усилителя.
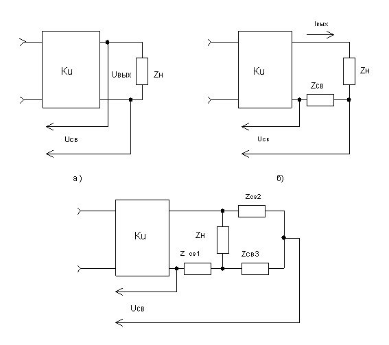
По способу снятия сигнала с выхода (подключение цепи обратной связи к выходу усилителя) различают три вида схем:
- обратная связь по напряжению, при которой вход цепи обратной
связи, выход усилителя и нагрузка соединены параллельно и
напряжение обратной связи Uоc пропорционально выходному
напряжению Uвых. Обычно цепь обратной связи выполняется в
этом случае в виде делителя напряжения подключенного параллельно нагрузке (рисунок 1.11.а);
- обратная связь по току, при которой вход цепи обратной
связи, выход усилителя и нагрузка соединены последовательно
и напряжение обратной связи Uoc пропорционально
- выходному току Iвых. В этом случае в выходной цепи последовательно
с нагрузкой включается резистор обратной связи, с которого
снимается напряжение Uос=Iвых·Rос (рисунок 1.11,б);
- смешанная по выходу (комбинированная) обратная связь, при
которой Uoc зависит, как от выходного напряжения, так и от
выходного тока (рисунок 1.11,в).
По способу подачи сигнала из цепи обратной связи на вход (подключения выхода цепи обратной связи к входу усилителя) различают три схемы:
- обратная связь с параллельной подачей на вход, при которой
выход цепи обратной связи, источник сигнала и вход усилителя
соединены параллельно. При этом входное напряжение Uвx
создаётся на входном сопротивлении усилителя токами источника сигнала Iис и обратной связи Iос, создающими результирующий входной ток Iвх. (рисунок 1.12,а);
- обратная связь с последовательной подачей на вход, при которой
выход цепи обратной связи, источник сигнала и вход усилителя
соединены последовательно. При этом напряжение Uвx
является результатом сложения напряжений источника сигнала
Uoc и обратной связи Uoc с учётом их фаз (рисунок 1.13,б);
-
обратная связь со смешанной (комбинорованной) подачи на
вход (рисунок 1.12,в).
в)
а- по напряжению;
б- по току;
в- смешанная (комбинированная)
Рисунок 1.12 - Простейшие способы снятия обратной связи

в)
а- параллельная;
б-последовательная;
в- смешанная (комбинированная)
Рисунок 1.13- Простейшие способы введения обратной связи