Схема с двухполярным питанием
Сопротивление R2 очень мало. При положительной полуволне открывается транзистор VT2, а VT1 сохраняет свое состояние. При отрицательной полуволне наоборот открыт VT1. Поскольку оба транзистора в схеме подключены, по отношению к нагрузке как эмиттерные повторители, согласование выходного сопротивления усилителя с Rн значительно упрощается и КПД может быть достаточно высоким. Если транзисторы имеют одинаковые параметры, то постоянный ток через нагрузку не проходит.
Недостатком такой схемы является необходимость использования двух источников питания.
Схема с одним источником питания.
Схема упрощается при питании от общего источника. Однако нагрузка должна подсоединяться к усилителю через конденсатор С2 большой емкости, чтобы через нагрузку не проходила постоянная составляющая тока.
Усилитель постоянного тока (УПТ) – это усилитель, предназначенный для усиления сигналов в полосе частот от нуля до некоторой высшей рабочей частоты.
|
|
|
УПТ широко применяют для усиления медленно изменяющихся сигналов, например: в операционных усилителях, преобразователях напряжения в цифровой код, в устройствах автоматики, измерительных устройствах и т.д.
При построении многокаскадных УПТ емкостная или трансформаторная связь не может быть использована. Для соединения каскадов усиления применяются только гальваническая связь (непосредственная). Однако это приводит к тому, что через усилитель одновременно могут проходить полезный усиливаемый сигнал и сигнал помехи, обусловленный изменением начального режима работы транзисторов под воздействием различных дестабилизирующих факторов (например: изменение температуры, напряжения источников питания и т.д.). При этом сложность заключается в том, что полезный сигнал и сигнал помехи могут иметь одинаковый характер изменения во времени. На выходе такие сигналы складываются и различить их невозможно. Таким образом, на выходе усилителя возникают изменения усиленного сигнала, обусловленные внутренними процессами в усилителе. Эти изменения называют дрейфом нуля.

Однотактные УПТ применяют крайне редко (в основном в простейших схемах автоматики из-за большого дрейфа нуля). Существенное уменьшение дрейфа нуля достигается в балансных (мостовых) схемах, которые являются двухтактными.

УПТ выполнен в виде моста с двумя плечами, которые являются внутренние сопротивления транзисторов VT1 и VT2 с двумя другими - резисторы R3 и R6. К одной диагонали моста подключено напряжение источника питания, а к другой – нагрузка Rн. Входной сигнал подается к базам обоих транзисторов.
|
|
|
Если плечи моста симметричны (транзисторы идентичны, а R3=R6) и Uвх=0, то начальные токи транзисторов одинаковы. При этом напряжения на коллекторах Uк1 и Uк2 также равны, и ток в нагрузке отсутствует. Изменение напряжения питания, температуры и других дестабилизирующих факторов вызывают равные приращения начальных токов транзисторов, а значит и равные приращения напряжений на коллекторах. Баланс моста при этом сохраняется и ток в нагрузке (дрейф нуля) отсутствует.
При наличии входного сигнала (Uвх¹0) приращения коллекторных токов, а, следовательно, и напряжений на коллекторах будут равны, но противоположны по знаку, что приводит к разбалансировке моста и появлению на нагрузке разности потенциалов и через него проходит ток усиленного сигнала. Для повышения стабильности и балансировки моста служит резистор R4. Коэффициент усиления балансного УПТ равен коэффициенту усиления одного плеча.
,
где
,
Rк=R3=R6
Резистор R5 создает ООС по токам покоя и повышает стабильность УПТ.
Дифференциальным усилителем (ДУ) называют усилитель, имеющий два входа и два выхода и усиливающий разность входных сигналов. ДУ являются основой аналоговых интегральных микросхем.
ДУ представляет собой балансный УПТ, с той разницей, что на оба входа относительно корпуса подаются два сигнала, разность которых является входным сигналом, а выходной сигнал снимается с одного из коллекторов, либо в фазе, либо в противофазе со входным сигналом.
Сопротивление Rэ должно превышать внутреннее выходное сопротивление усилителя с тем, чтобы стабильный ток
I0=(E-U) /Rэ
не зависел от напряжения на входе ДУ и сохранял постоянное значение. Параметры ДУ существенно зависят от тока I0. В современных ДУ интегрального исполнения вместо резистора Rэ применяется генератор тока, эквивалентное выходное сопротивление которого значительно выше.
Напряжение на базе транзистора VT3 подбирают так, чтобы коллекторный ток последнего был равен сумме эмиттерных токов транзисторов VT1 и VT2, а потенциал эмиттеров VT1 и VT2 был близок к нулю. Диодное включение VT4 способствует температурной стабилизации.
Операционный усилитель (ОУ) – унифицированный многокаскадный усилитель постоянного тока, удовлетворяющий следующим требованиям к электрическим параметрам:
KU ® ¥; Rвх ® ¥; Rвых ® 0; Если Uвх = 0, то Uвых = 0; бесконечная полоса
усиливаемых частот (fв ® ¥).
Реально Ku – 105 ¸ 106 или 100 ¸ 120 дБ.
Название ОУ происходит от первоначальных задач, которые они выполняли, а именно – ОУ служили для выполнения математических операций над аналоговыми величинами: сложения, вычитания, интегрирования и т. д. в аналоговой вычислительной технике. В связи с развитием технологии изготовления однокристальных ОУ их стоимость резко снизилась, приблизившись к стоимости транзисторов. Поэтому они находят сейчас самое широкое применение.
![]() |
Рис. Структурная схема ОУ
![]() |
Для питания большинства ОУ используют двухполярные источники напряжения ± 3 ¸ 18В, общая точка которых соединена с корпусом. Причем +Uпит. должно быть по величине строго равно – Uпит.. Напряжение на выходе ОУ равно 0, когда оба входа соединены с корпусом. Поэтому один из входов ОУ может быть заземлен, а на другой подан входной сигнал относительно общей точки.
![]() |
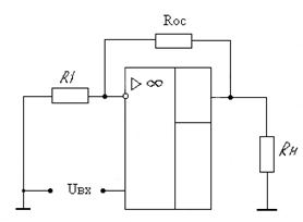
Рис. Схема неинвертирующего усилителя Рис. Схема инвертирующего усилителя
При подаче сигнала на инвертирующий вход выходной сигнал сдвинут по фазе на 180° относительно входного. При подаче сигнала на неинвертирующий вход выходной сигнал находится в одной фазе со входным.
Усиление ОУ очень велико, поэтому с небольшой ошибкой считается такая модель идеальной, когда KU ® ¥ и KI ® ¥, где KU и KI коэффициенты усиления по напряжению и току без обратной связи. Если охватить усилитель обратной связью через резистор Rос, и, поскольку входное сопротивление усилителя тоже велико, то можно считать для инвертирующего усилителя
|
|
|
Uвых = - Uвх (Rос / R1)
и с учетом того, что bU = Rос / R1, коэффициент усиления
KU = - Rос / R1
Знак (–) указывает на инвертирование фазы входного сигнала. При этом, для неинвертирующего ОУ, напряжение обратной связи, снимаемого с делителя R1 Rос пропорционально выходному напряжению
Uос = Uвых Rос /(Rос + R1) = bU Uвых
KU = 1/bU = (Rос + R1)/ Rос = 1+ R1/ Rос
Rвх» R1;
Rвых» 0;
(это следует из того, что Rвых= Rвых.м[1/(1+bU KU)], где Rвых.м – собственное выходное сопротивление микросхемы.
Входное сопротивление реального инвертирующего усилителя с обратной связью велико
Rвх = Rвх.м.(1+bU KU),
где Rвых. – собственное входное сопротивление микросхемы (оно большое).









