Классификация и параметры усилителей.
Электронным усилителем называют устройство, предназначенное для повышения мощности электрических сигналов. Усиление мощности происходит путем управления расходом энергии источника питания с помощью транзисторов. На вход усилителя поступает маломощный входной сигнал, а на выходе усилителя выделяется мощный сигнал.
![]() |
Простейшим усилителем является усилительный каскад, содержащий усилительный элемент, нагрузку, источник питания.
![]() |
Усилители классифицируются по признакам:
1. По назначению (по току, напряжению, мощности);
2. В зависимости от формы усиливаемого сигнала (постоянного тока, переменного тока, импульсные);
3. По структуре (однокаскадные, многокаскадные);
4. По виду усилительного элемента (транзисторные, ламповые, на ИМС).
Параметры усилителей:
Коэффициент усиления – это отношение тока, напряжения или мощности на выходе усилителя к соответствующим величинам на входе усилителя.
KU = Uвых / Uвх; KI = Iвых / Iвх; KP = Pвых / Pвх.
Если усилитель содержит n каскадов, то
K = K1 K2 K3 ¼= 
равно произведению коэффициентов усиления отдельных каскадов. При большом числе каскадов усиления К получается слишком громоздким. Поэтому используется логарифмическая шкала, единицей которой является децибел (дБ).
KР(дБ) = 10lg(Pвых / Pвх) = 10lgKP
C учетом того, что Р пропорциональна U2 и I2, получим
KU(дБ) = 20lg(Uвых / Uвх) = 20lgKU
KI(дБ) = 20lg(Iвых / Iвх) = 20lgKI
Для многокаскадного усилителя
K(дБ) = K1(дБ) + K2(дБ) + K3(дБ) ¼ =
(дБ)
КПД усилителя
h = Pвых / Pпот, где
Pвых – полезная выходная мощность, отдаваемая усилителем в нагрузку;
Pпот – мощность, потребляемая от источника питания.
Pвых – выходная мощность усилителя. Pвых = Pнагр.
Rвх = Uвх / Iвх;
Rвых = Uвых / Iвых.
D = Uвх.макс / Uвх.мин, где
Uвх.макс и Uвх.мин – максимальное и минимальное входное напряжения, при которых искажения лежат в допустимых пределах.
![]() |
Амплитудная характеристика – это зависимость Uвых = f(Uвх).
При входном напряжении, превышающем Uвх. макс нелинейный элемент усилителя (транзистор) работает на нелинейных участках характеристики, что обуславливает ограничение амплитуды выходного сигнала и искажение его формы. Возникают так называемые нелинейные искажения, при этом усиленный сигнал содержит кроме первой (полезной) гармоники, более высокие гармоники. Уровень нелинейных искажений оценивается коэффициентом гармоник
Kг = 
Амплитудно-частотная характеристика – это зависимость K = F(f), т.е. коэффициент усиления зависит от частоты сигнала. Поэтому форма выходного сигнала отличается от формы входного. Такие искажения называются частотными искажениями. Причиной возникновения последних являются реактивные элементы (индуктивности, емкости), а также частотные свойства транзисторов.
Усилительный каскад с общим эмиттером
Минимальную часть усилителя, сохраняющую его функции, называют каскадом усиления. Обычно усилитель состоит из нескольких каскадов усиления, соединенных межкаскадными связями.
Каскады усиления состоят из последовательно включенных управляемого элемента (лампы, транзистора), параметры которого изменяются в зависимости от поступающего на его вход напряжения или тока, и сопротивления нагрузки Rн.
Основным требованием, предъявляемым к каскаду усиления, является воспроизведение формы входного сигнала на выходе, т.е. его минимальные нелинейные искажения.
Усилительный каскад с общим эмиттером наиболее часто используемая схема, благодаря большому коэффициенту усиления.

Резистор R3 служит в качестве нагрузки. Именно с него снимается выходное напряжение. Падение напряжения на нем
UR3 = Iк*R3.
Тогда
Uкэ = Eп - Iк*Rк.
Для работы усилительного каскада с минимальными искажениями сигнала необходимо задать определенный режим работы транзистора, так называемый ток покоя транзистора I0. Для этого, на базу транзистора подается напряжение смещения Uбэ с делителя напряжения R1R2, (чтобы обеспечить некоторый ток покоя базы I0).
Для задания режима работы транзистора используется так называемая линия нагрузки, которая строится на выходных характеристиках транзистора. Она строится по двум точкам на осях Iк и Uкэ. Если Iк = 0, то Uкэ = Eп – транзистор закрыт или говорят, находится в режиме отсечки (точка G). Если же транзистор открыт, или находится в насыщении, то Uкэ=0, а Iк = Eп / R3, (точка А). Через эти две точки проводится прямая
Геометрическое место точек пересечения линии нагрузки с выходными характеристиками транзистора называется динамической характеристикой.
За пределами точек B и F процесс усиления сопровождается значительными искажениями. Выше точки B наступает насыщение транзистора, и ток коллектора не растет. Ниже точки F транзистор оказывается в режиме отсечки.
Рабочую точку выбирают примерно в середине участка BF (в нашем случае точка D, что соответствует току базы Iб = 40 мкА). Для обеспечения такого тока необходимо определить Uбэ р.т. по входной характеристике транзистора Iб = f(Uбэ). В нашем примере Uбэ р.т. = 0,85 В.
После этого нетрудно рассчитать параметры цепи делителя R1R2.
Проведем пример расчета.
Задаемся напряжением питания Еп = 12 В, а также максимальным током коллектора Iк = 9 мА. Рассчитаем R3. R3 = Eп / Iк = 12 В / 9 мА = 1,3 кОм.
Проведем расчет делителя R1R2.
R2 = Uбэ р.т. / Iдел.
Ток делителя Iдел обычно выбирают в пределах (8¸10)Iб. В нашем случае это будет
8×Iб р.т. = 8×40 = 320 мкА = 0,32 мА.
Находим R2
R2 = Uбэ р.т. / Iдел = 0.85 В / 0.32 мА = 2.7 кОм.
Сумма
R1 + R2 = Eп / Iдел = 12 В / 0.32 мА = 37.5 кОм.
Находим R1
R1 = (R1 + R2) – R2 = 37,5 – 2,7 = 34,8 кОм.
Режимы работы усилительного каскада
Различают три основных режима работы усилительного каскада – режимы классов: А, В, С.
В режиме класса А начальное положение рабочей точки выбирают по середине участка динамической характеристики, где изменению базового (входного) тока соответствует пропорциональное изменение коллекторного (выходного) тока. Напряжение смещения в цепи базы в этом режиме по абсолютному значению всегда больше амплитуды входного сигнала, а ток покоя коллекторной цепи превышает амплитуду переменной составляющей коллекторного тока. Поэтому выходной коллекторный ток проходит в течение всего периода усиливаемого сигнала.
Так как рабочая точка не выходит за пределы линейного участка, то нелинейные искажения невелики. Однако низок и КПД усилителя, т.к. в режиме покоя через транзистор идет ток покоя. КПД находится обычно в пределах 20…30%.
В режиме класса В начальное положение рабочей точки выбирают в точке отсечки. В этом режиме переменные составляющие тока и напряжения транзистора возникают лишь в положительные полупериоды входного напряжения. Выходное напряжение имеет форму полусинусоиды, т.е. нелинейные искажения очень большие. КПД значительно больше по сравнению с режимом А и достигает 70%.
Режим С характеризуется тем, что рабочую точку выбирают за точкой отсечки и ток в транзисторе возникает только в течение некоторой части полупериода входного напряжения. В этом режиме большие искажения сигнала, но высокий КПД – до 85%. Режим С применяется в усилителях– формирователях.
Методы обеспечения термостабилизации усилительного каскада
Задача температурной стабилизации усилительного каскада обусловлена тем, что изменение температуры вызывает изменение параметров транзистора. При повышении температуры транзистора увеличивается коллекторный ток за счет возрастания числа неосновных носителей заряда в полупроводнике.
Изменение температуры приводит к изменению положения рабочей точки относительно первоначального положения, а, следовательно, к изменению режима работы транзистора.
Для улучшения температурной стабильности используют специальные схемы.
Схема с коллекторной стабилизацией.
Резистор Rб подключают к коллектору транзистора с напряжением Uкэ = U0к, а не к источнику питания Ек.
При увеличении температуры возрастает Iк, а значит и падение напряжения на нем. Напряжение Uкэ уменьшается, следовательно, уменьшается напряжение смещения на базе. В результате уменьшается ток базы и, следовательно, ток коллектора. Возникает так называемая отрицательная обратная связь по напряжению. Ток Iк возвращается к исходному значению.
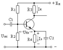
Схема с эмиттерной стабилизацией.
В этой схеме в эмиттерную цепь включают резистор R4. Увеличение тока Iк с повышением температуры приводит к увеличению тока Iэ = Iк / h21б и падению напряжения на резисторе R4. При этом напряжение на эмиттере становится более положительным относительно базы, и эмиттерный переход смещается в обратном направлении. Это вызывает уменьшение базового тока Iб. В результате, ток Iк также уменьшается, стремясь возвратится к своему первоначальному значению Iк0. С2 служит для устранения ООС по переменному току усиливаемого сигнала.
Обратные связи в усилителях
Обратная связь – это передача части мощности с выхода усилителя на его вход. Обратную связь вводят для улучшения характеристик и параметров усилителей (стабильности усиления, уровня нелинейных искажений, входного и выходного сопротивлений и т.д.)
Различают следующие виды обратных связей в усилителе: последовательная по напряжению; параллельная по напряжению; последовательная по току; параллельная по току.
Если напряжение обратной связи Uос
пропорционально выходному напряжению на нагрузке усилителя, то имеем обратную связь по напряжению, а в случае пропорциональности Uос по току в нагрузке – обратную связь по току.

Количественные показатели обратной связи.
Основной показатель о.с. – коэффициент передачи звена обратной связи β, показывающий, какая часть напряжения с выхода усилителя передается на его вход
β=Uос/Uвых
Действие о.с. проявляется в изменении значения входного сигнала усилителя.
Uc=Uвх+Uoc=Uвх+βUвых
Если K=Uвых/Uc – коэффициент усиления усилителя без о.с., а Kос=Uвых/Uвх – коэффициент усиления усилителя с о.с., то напряжение на выходе схемы
Uвых=KUc=K(Uвх+ βUвых)
Разделив обе части на Uвх, получим
Uвых/Uвх=K(1=β Uвых/Uвх),
или
Kос= K(1+β Kос)
или
Kос= K/(1-βK)
Здесь βK – коэффициент о.с., который определяет характер обратной связи и значение Kос.
В данном случае входное напряжение Uвх складывается с напряжением Uoc. Такая связь называется положительной обратной связью(ПОС). Это будет тогда, когда входной и выходной сигналы находятся в одной фазе. Если сигналы находятся в пртивофазе, то Uoc вычитается из Uвх и возникает отрицательная обратная связь(ООС). Соотношение будет выглядеть следующим образом
Kос= K/(1+βK)
ПОС повышает коэффициент усиления, однако понижается устойчивость усилителя, и, при большом значении ПОС, усилитель самовозбуждается, превращаясь в генератор электрических колебаний.
ООС уменьшает коэффициент усиления, но улучшаются ряд параметров. Повышается стабильность работы усилителя, уменьшаются нелинейные искажения.
При βK>> 1 (глубокая обратная связь) Kос= 1/β, т.е. общий коэффициент усиления схемы не зависит отK собственно усилителя. Таким свойством обладают операционные усилители выполненные на базе интегралных микросхем.
Многокаскадные усилители
Многокаскадные усилители применяют в тех случаях, когда одиночный каскад не обеспечивает заданного усиления.


Основной проблемой при построении многокаскадных усилителей является согласование (соединение) каскадов между собой. Используют три вида соединений: резистивно-емкостная связь, трансформаторная связь и непосредственная связь.
1. Резистивно-емкостная связь. Имеет преимущества: малые габариты, надежную развязку каскадов по постоянному току, отсутствие дрейфа нуля.

Напряжение, усиленное первым каскадом на транзисторе VT1, снимается с коллектора этого транзистора и передается через разделительный конденсатор C3 (конденсатор связи) на вход второго каскада. Емкость разделительных конденсаторов обычно в несколько десятков микрофарад. Нагрузкой первого каскада является входное сопротивление второго каскада. С3 препятствует проникновению постоянной составляющей на вход второго каскада, которое нарушило бы режим работы второго каскада.
2. Трансформаторная связь имеет «плюсы»:высокий КПД, оптимальное согласование между каскадами, а также между выходным каскадом и нагрузкой.
Недостатки: большая масса, габариты, стоимость, частотные искажения.

Непосредственная связь. Используется в УПТ, составных транзисторах, интегральных микросхемах.
Составным транзистором называется, соединение двух и более транзисторов, эквивалентное одному транзистору с большим коэффициентом усиления.
Составной транзистор по схеме Дарлингтона.


Схема на комплементарных транзисторах. Схема подобна эмиттерному повторителю. Rвх большое.
Каскодная схема имеет д остоинства: упрощение схемы, широкий диапазон частот; недостатки: сложно установить оптимальный режим работы последующего каскада, дрейф нуля.
Усилители мощности
Усилитель мощности является выходным каскадом усилителя и предназначен для передачи в нагрузку (потребителю) максимальной мощности при высоком КПД и допустимых уровнях искажений. Выходные каскады бывают однотактные и двухтактные; трансформаторные и бестрансформаторные.
Однотактные обычно работают в режиме класса А, двухтактные в режимах класса В или АВ.
Однотактный выходной каскад. По такой схеме выполняются усилители малой мощности до 0,5Вт. В качестве Rн может быть громкоговоритель (динамик), реле, электродвигатель.


Двухтактные выходные каскады применяются в усилителях средней и большой мощности.
Двухтактный трансформаторный усилитель.

На базы обоих транзисторов с делителя R1, R2 от источников питания Ек подается небольшое смещение, определяющее небольшой ток базы. Поэтому в схеме существует режим АВ. Однако исключение начального участка входной характеристики, обладающего большой нелинейностью, позволяет существенно снизить нелинейные искажения. При этом обеспечивается высокий КПД. На входы транзисторов со вторичной обмотки трансформатора Тр1 поступают два симметричных напряжения Uвх1 и Uвх2, сдвинутых по фазе на 1800, поэтому в данный момент времени один из транзисторов закрыт, а другой открыт и транзисторы пропускают токи поочередно по полупериодам. Сквозной ток в первичной обмотке Тр2 и напряжение на коллекторах имеют вид полной синусоиды, за счет магнитной связи между половинами первичной обмотки. Так как постоянная составляющая коллекторных токов IК01 и IК02 направлены встречно, то подмагничивание трансформатора Тр2 отсутствуют. Это позволяет уменьшить его габариты по сравнению с одноименной однотактной схемой.
Достоинства: высокий КПД.
Недостаток: значительные искажения за счет нелинейности магнитных характеристик трансформатора.
Бестрансформаторный двухтактный усилитель.
В современной электронике находят большое применение бестрансформаторные усилители.


