Назначение, структурные схемы и классификация УУ
Общие сведения об усилительных устройствах
Лекция №2
2.1.1 Усилительным устройством (усилителем) называют электронный узел,
предназначенный для увеличения мощности входных сигналов посредством преобразования электрической энергии источника питания.
Основное назначение УУ:
-усиление мощности входного сигнала в определенной полосе частот, с допустимыми частотными и нелинейными искажениями;
-сопряжение уровней напряжения и тока источника сигнала с допустимыми входными уровнями усилителя;
-согласование выходного сопротивления источника сигнала с входным сопротивлением усилителя;
-сопряжение уровней выходного сигнала с допустимыми уровнями напряжения и тока в нагрузке;
-согласование выходного сопротивления усилителя с соответствующими параметрами тракта передачи выходного сигнала и нагрузки.
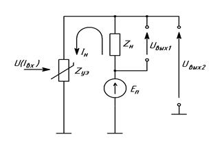
Усилитель может быть представлен в виде четырехполюсника, который воспринимает для усиления сигнал от источника э.д.с ес с внутренним сопротивлением Zс. На входных клеммах четырехполюсника действует входной электрический сигнал с меньшими величинами напряжения Uвх и тока Iвх, чем э.д.с ес, т.к. во входной цепи образуется делитель, состоящий из внутреннего сопротивления Zс и входного сопротивления Zвх, которые определяют ток входной цепи Iвх. В выходной цепи включены источник питания ЕП и нагрузка Zн , на которой образуется усиленный сигнал Uвых, обеспечивающий в нагрузкеток Iвых (рисунок 2.1).
|
|
|

Рисунок 2.1 – Структурная схема УУ в виде четырехполюсника

Рисунок 2.2 – Структурная схема усилительного устройства
2.1.2 На структурной схеме УУ рисунке 2.2 приведены основные узлы УУ: входная цепь, управляемый входным сигналом усилительный элемент, на который подается напряжение и ток от источника питания, и выходная цепь с нагрузкой.
2.1.3 Коэффициент передачи по мощности равен отношению выходной мощности усилителя Рвых к мощности входного сигнала Рвх, выделяющейся во входной цепи УУ
.
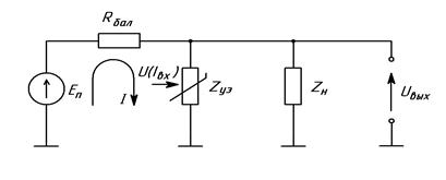
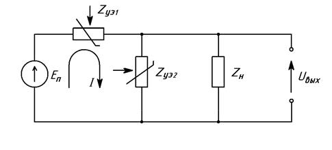
2.1.4 Усилительные элементы, нагрузка и источник питания соединяются между собой несколькими способами. На рисунках 2.3, 2.4, 2.5 представлены соответственно последовательная, параллельная и параллельно-последовательная структурные схемы усилителей, отличающиеся схемами включения источника питания (ЕП), нагрузки (Zн) и эквивалентов усилительных элементов (Zуэ), управляемых входными сигналами (напряжением Uвх или током Iвх). При этом выходные напряжения Uвых1 и Uвых2 зависят от величины напряжения питания и соотношений сопротивлений нагрузки, балластного резистора Rбал и внутренних сопротивлений Zуэ1,2 усилительных элементов, управляемых по закону входных сигналов.
|
|
|

Рисунок 2.3 - Последовательная схема усилителя
2.1.5 В последовательной схеме выходные напряжения равны
,


Рисунок 2.4- Параллельная схема усилителя
2.1.6 В параллельной схеме выходное напряжение равно


Рисунок 2.5 - Параллельно-последовательная схема усилителя
2.1.7 В параллельно-последовательной схеме усилителя выходное напряжение определяется выражением
.
Если в это выражение подставить значение тока
,
то выходное напряжение определяется формулой
.
2.1.8 Таким образом, любой усилитель можно представить (независимо от схемы включения основных элементов) в виде управляемого делителя мощности источника питания между сопротивлением нагрузки и регулируемым сопротивлением управляемого элемента. Коэффициент передачи делителя изменяется по закону входного сигнала, а в выходной цепи (в нагрузке) выделяется часть мощности источника питания.
В современных усилителях в качестве управляемых усилительных элементов используют биполярные и полевые транзисторы.
2.1.9 Классификация усилителей осуществляется по различным признакам:
а) по виду усиливаемого сигнала различают УУ:
- гармонических и квазигармонических сигналов;
- импульсных сигналов;
- сигналов произвольной формы;
- шумоподобных сигналов;
б) по типу усиливаемой величины их подразделяют на усилители напряжения, тока, преобразователи напряжения в ток и ток в напряжения, а также усилители мощности.
2.1.10 Классификация УУ по типу усиливаемой величины определяется режимами входной и выходной цепей.
Во входной цепи усилителя в зависимости от соотношения сопротивлений Zвх/Zc различают следующие режимы
- режим генератора напряжения (Zвх/Zс>>1);
- режим генератора тока (Zвх/Zс<<1).
В выходной цепи усилителя в зависимости от соотношения Zвых/Zн различают следующие режимы
- режим генератора напряжения (Zвых/Zн<<1);
- режим генератора тока (Zвых/Zн>>1).
В соответствии с этим выделяют четыре вида усилителей
- усилитель тока;
- преобразователь тока в напряжение;
- преобразователь напряжения в ток.
Усиление сигнала по мощности происходит в любом из перечисленных усилителей в отличие от преобразователей электрического сигнала, например, трансформаторов, у которых отношение выходной мощности к входной является величиной постоянной.
В таблице 2.1 представлены классификация усилителей по типу усиливаемой физической величины и варианты применения четырех видов усилителей. Классификация УУ по типу усиливаемой величины определяется режимами входной и выходной цепей.
Таблица 2. 1 - Классификация усилителей по типу усиливаемой физической величины
| Тип усилителя | Отношение Zвх и Zс | Отношение Zвых и Zн | Коэффициент передачи Кп | Размер-ность Кп | Вариант применения |
| “U-U” | Zвх>>Zс | Zвых<<Zн | ∆Uвых/∆Uвх | - | Низкоомный ист. сигнала и высокоомная нагрузка |
| “I-I” | Zвх<<Zс | Z вых > >Zн | ∆Iвых/∆Iвых | - | Высокоомный ист. сигнала и низкоомная нагрузка |
| “U-I” | Zвх>>Zс | Zвых>>Zн | ∆Iвых/∆Uвых | См (Ом-1 ) | Низкоомный ист. сигнала и низкоомная нагрузка |
| “I-U” | Zвх<<Zс | Zвых<<Zн | ∆Uвых/∆Iвх | Ом | Высокоомный ист. сигнала и высокоомная нагрузка |
Во входной цепи усилителя в зависимости от соотношения сопротивлений Zвх/Zc различают следующие режимы:
- режим генератора напряжения (Zвх/Zс>>1);
- режим генератора тока (Zвх/Zс<<1).
В выходной цепи усилителя также в зависимости от соотношения Zвых/Zн различают следующие режимы:
- режим генератора напряжения (Zвых/Zн<<1);
- режим генератора тока (Zвых/Zн>>1).
В соответствии с этим выделяют четыре вида усилителей:
- усилитель тока;
- преобразователь тока в напряжение;
- преобразователь напряжения в ток.
Следует отметить, что абсолютные значения сопротивлений Zвх, Zс, Zвых, Zн роли не играют. Режим по току или напряжению на входе или выходе усилителя зависит соответственно только от отношения выходного сопротивления источника сигнала и входного сопротивления усилителя (по входу), или отношений значений выходного сопротивления усилителя и сопротивления нагрузки (по выходу). Важно при проектировании усилителя обращать внимание на отношение Zвх и Zс, Zвых и Zн соответственно;
|
|
|
2.1.11 Классификация по диапазону усиливаемых частот предусматривает разделение УУ на усилители постоянного тока, для которых характерно усиление сигнала с постоянной составляющей в заданной полосе частот, и усилители переменного тока.
Усилители переменного тока, в свою очередь, подразделяются на усилители:
низкой (звуковой) частоты (< 30 кГц);
килогерцовой частоты (30…300 кГц);
средней частоты (300…3000 кГц);
высокой частоты (3 МГц… 30 МГц);
ультравысокой частоты (30 МГц… 300 МГц);
сверхвысокой частоты (> 300 МГц).
2.1.12 Усиление, которое может быть обеспечено с помощью однокаскадного усилителя, является, как правило, недостаточным для обеспечения работы преобразующего или исполнительного устройства. Поэтому для получения требуемых параметров выходного сигнала используют каскадное соединение нескольких транзисторов или усилительных узлов с помощью соединительных цепей. Вид соединительных цепей между управляемыми нелинейными элементами разбивает УУ на следующие типы:
- усилители с гальванической (непосредственной) связью, предусматривающей передачу сигнала как переменного, так и постоянного тока с выхода одного каскада на вход последующего;
- усилители с RC-связями, когда между выходом предыдущего и входом последующего транзисторов включают резистивно-емкостную цепь, исключающую передачу сигналов постоянного тока; усилители с трансформаторной связью.
2.1.13 Вид нагрузки является одним из важных факторов, предопределяющих классификацию УУ. По виду нагрузки различают усилители с активной, активно-индуктивной и емкостной нагрузкой.
2.1.14 Достаточно часто в радиотехнических устройствах используются также резонансные усилители, нагрузкой которых являются резонансные цепи.
|
|
|






