Усилители класса D
Электрических сигналов
Интегральные микросхемы предназначенные для усиления
Рассмотренные ранее усилители относятся к так называемым устройствам преобразования непрерывного сигнала. В них управление током нагрузки
осуществляется транзисторами, работающими в активной области выходных
характеристик, в режимах класса А, В или АВ. Известно, что даже теоретически при максимальной амплитуде синусоидального выходного сигнала коэффициент полезного действия (КПД) усилителя класса А с емкостной или непосредственной связями не превышает 25%, а класса В — 78.5%. Реально, в особенности при неоптимальных нагрузках, КПД этих усилителей оказывается еще ниже. Как следствие такие усилители интенсивно выделяют тепло и для их нормальной работы требуются громоздкие радиаторы или специальные системы принудительного охлаждения.
Значительно более высоким КПД (теоретически почти до 100%) обладают усилители класса D, у которых транзисторы, регулируя ток через нагрузку,
|
|
|
принимают только два состояния: «включено» — падение напряжения на транзисторе близко к нулю и «выключено» — ток через транзистор практически равен нулю. Переход из одного состояния в другое происходит очень быстро, практически мгновенно. Непрерывное и плавное регулирование тока или напряжения нагрузки в широких пределах осуществляется тем или иным видом времяимпульсной модуляции (обычно частотно-импульсной модуляцией (ЧИМ) или широтно-импульсной модуляцией (ШИМ)).
В усилителях же, которые должны усиливать по мощности биполярные сигналы, изменяющиеся в широком динамическом диапазоне, обычно используют ШИМ. Это объясняется тем, что в последнем случае частота модулированных импульсов выходного напряжения постоянна при любом изменении входного сигнала усилителя, а это обстоятельство позволяет сравнительно легко сгладить высокочастотные пульсации.
Виды широтно-импульсной модуляции. Как уже упоминалось, широтно-импульсная модуляция состоит в изменении ширины (длительности) импульсов, следующих друг за другом с постоянной частотой (Рис1.83).

Рисунок 1.83- Последовательность импульсов, модулированных по ширине
Основным регулирующим фактором выступает относительная длительность
импульсов или коэффициент заполнения
γ = tи / Т, (1.80)
где Т – период следования импульсов.
Различают широтно-импульсную модуляцию первого рода (ШИМ-І) и широтно -
импульсную модуляцию второго рода (ШИМ-II). При ШИМ-І длительность импульса
определяется по значению входного сигнала на начало периода. ШИМ-І
применяется в основном в цифроаналоговых системах. В усилителях класса D
|
|
|
используется ШИМ-II. В этом случае положение регулируемого фронта импульса
определяется текущим значением входного сигнала. Уравнение модуляции при
ШИМ-II имеет вид
γп = f [Т(n +γп)], (1.81)
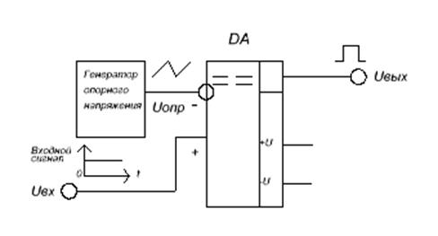
Структурная схема широтно-импульсного модулятора приведена на рисунке 1.84.

Рисунок 1.84 – Структурная схема широтно – импульсного модулятора (ШИМ)
Принцип работы иодулятора ШИМ заключается в следующем. ГОН – генератор опорного напряжения вырабатывает треугольную форму сигнала, который поступает инвертирующий вход компаратора DA. На второй неинвертирующий вход компаратора поступает входной сигнал. В нашем примере этот сигнал имеет линейную форму. Когда входной сигнал больше сигнала опорного, на выходе компаратора вырабатывается прямоугольный импульс. Длительность этого импульса зависит от уровня входного сигнала.
Уравнение при линейном опорном напряжении имеет вид
Uопрγп = Uвх [Т(n +γп)], (1.82)

Рисунок 1.85 – Двухсторонняя широтно – импульсная модуляция при
первом уровне сигнала (а) и при втором уровне сигнала (б)
Если входной сигнал медленно изменяется, приближенно можно записать формулу
γ(t) ≈ Uвх (t) / Uопр. (1.83)
Для двухсторонней ШИМ требуется треугольное (желательно равностороннее) опорное напряжение (рисунок 1.85). Двухсторонняя ШИМ обладает более высоким быстродействием, чем одностороння, поэтому её применяют чаще.
Схемотехника выходных каскадов усилителей класса D. На практике нашли применение две схемы выходных каскадов: полумостовая и мостовая. Чаще на практике применяется мостовая схема оконечного каскада, схема которая приведена на рисунке 1.87.

Рисунок 1.86- Временные диаграммы при передачи биполярного сигнала:
а –разнополярная ШИМ, б – однополярная ШИМ
Принцип работы мостовой схемы заключается в следующем. Транзисторы одного из полумостов, например, VT1 и VT2 открываются поочерёдно в зависимости от полярности входного напряжения (рисунок 1.87), т.е. они как бы задают знак выходного напряжения. Два других транзисторов VT3 и VT4 также поочерёдно переключаясь, но с большей частотой, осуществляют собственно широтно – импульсную модуляцию.

Рисунок 1.87 - Мостовая схема оконечного каскада усилителя класса D
При постоянном открытом транзисторе VT1, а VT3 модулирует питающее напряжение Е. Пока ток нагрузки iн отрицателен, он протекает постоянно через диод VD1. Когда транзистор VT3 открыт, ток нагрузки протекает через него. При этом нагрузка оказывается замкнутой почти накоротко открытым диодом VD1 и транзистором VT3. Напряжение нагрузке практически равно нулю.
При закрытом транзисторе VT3 открывается диод VD4 и к нагрузке подключается напряжение Е отрицательной полярности. Ток протекает от
+ Е → VT1→Rн→VD4→Е. Ток нагрузки iн начинает быстро снижаться по абсолютной величине.
Когда ток нагрузки iн меняет направление, он начинает протекать через открытый на протяжении всего полупериода входного сигнала транзистор VT1. При открытом транзисторе VT4 ток течет через него, а когда он закрыт – через диод VD4, который вместе с транзистором VT1 замыкает нагрузку и ток протекает накоротко.
Когда на входе отрицательное значение входного напряжения включается транзистор VT2 и цикл повторяется.
При однополярной модуляции пульсации тока нагрузки заметно меньше, чем при разнополярной.
Промышленные типы усилителей класса D
Усилители класса D выпускаются несколькими фирмами в виде монолитных и гибридных ИМС. Ведущее положение занимает, по-видимому, «Apex Microtechnology» (США), которая производит 15 моделей гибридных ШИМ-усилителей с мостовым и полумостовым выходом, рассчитанных на питающие напряжения 40...500 В, с выходной мощностью 200 Вт...10 кВт. К новинкам этой фирмы относятся усилители большой мощности промышленного назначения, имеющие частоту переключения 22 кГц. Выходные каскады этих усилителей выполнены на IGBT-транзисторах, обладающих большой перегрузочной способностью. Примером может служить усилитель SA08, предназначенный для построения электропривода постоянного тока. Типовая схема включения этого усилителя приведена на рисунке 1.88.
|
|
|
Рисунок 1.88 - Типовая схема включения ШИМ – усилителя SA08
Эта схема представляет собой контур регулирования тока якоря двигателя постоянного тока, которая может быть непосредственно использована в качестве внутреннего контура в системе подчиненного регулирования скоростного или позиционного электропривода. Схема включает помимо собственно ШИМ-усилителя еще и два линейных ОУ, первый из которых (ОУ)) выполняет функцию интегрального регулятора тока, а второй (ОУ2) формирует сигнал обратной связи по току якоря. Усилитель SA08 развивает мощность в нагрузке до 10 кВт при напряжении 500 В и КПД до 98%. Он выполнен в малогабаритном герметичном 12-выводном корпусе МО-127. Усилитель SA07 предназначен в основном для аудио-
приложений. Его мостовой выходной каскад выполнен на МОП транзисторах, переключающихся с частотой 500 кГц. Этот усилитель способен отдать в нагрузку до 200 Вт при КПД до 94%. В состав микросхемы входит линейный ОУ,
принимающий входной сигнал и сигнал обратной связи.
Фирма Texas Instruments производит около десятка моделей монолитных моно- и стереоусилителей класса D на мощности 1...10 ВТ. Это, например, стереоусилитель TPA2001D2 с мостовым выходом, развивающий на нагрузке 8 Ом мощность до 1 Вт, при напряжении питания 5 В и КПД до 85%. Частота переключения 200...300 кГц. Модуляция — однополярная. Усилитель размещен в миниатюрном 24-выводном корпусе TSSOP с размерами 4.5x8x1.2 мм. Другой пример— стереоусилитель TPA032D04 мощностью 2x10 Вт, также с мостовым выходом, работающий на частотах переключения 100...500 кГц. Усилитель выпускается в 48-выводном корпусе TSSOP с размерами 6x12x1.2 мм. В состав микросхемы входит также 2-канальный аналоговый усилитель для головных телефонов.
Фирма National Semiconductor предлагает усилитель класса D на двух ИМС: LM4651, содержащей все основные узлы ШИМ - усилителя, в том числе и драйверы выходного каскада, и LM4652, включающей мостовой выходной каскад на МОП-транзисторах и датчик температуры. Усилитель развивает мощность 170 Вт с КПД = 85% при напряжении питания ±20 В и частоте коммутации 125...145 кГц.
|
|
|
Существенный недостаток усилителей класса D, это создание ими высокого уровня помех в цепях питания.
Программируемые операционные усилители. Общее понимание программируемых ОУ (ПОУ) включает:
• Дискретное изменение коэффициента передачи за счет коммутации Лос по десятичному или двоичному закону.
• Включение или выключение высокоимпедансного состояния на выходе ОУ для снижения энергопотребления.
• Переключение коммутатора на входе/выходе ОУ в многоканальных усилителях, АЦП/ЦАП и т. п.
Напротив, идея ПОУ состоит в том, чтобы дать разработчику возможность перестроить характеристики ОУ под конкретное применение (т. е. чтобы оптимизировать характеристики для конкретных условий).
Обычно ОУ широкого применения представляют собой компромисс характеристик по постоянному и переменному току. Улучшение одних характеристик, как правило, ухудшает другие. Рассмотрим простейший дифференциальный каскад (рисунок 1.66) на согласованной дифпаре VT1 и VT2. Как известно, режим работы дифкаскада зависит от тока I0. В частности, показано, что таким образом, если управлять током I0, то можно в достаточно широких пределах перестраивать характеристики ОУ. Подобная идея и была реализована в первом отечественном ПОУ 140УД12. Для этого в ОУ выводится наружу точка А, а I0задается различными способами, в простейшем случае с помощью диода VD и резистора R1 (рисунок 1.89). Подбирая резистор R1перестраиваем ток I01 и характеристики ОУ. Диод VD используется в качестве защиты от переполюсовки питания. Более качественные источники управляющего тока I0 можно
сформировать на эмиттерном (VT1) и истоковом (VT2) повторителях (рисунок 1.89).

Рисунок 1.89 – Программируемый операционный усилитель
выполненный на микросхеме 140 УД12.
Применение ПОУ позволяет:
- существенно уменьшить номенклатуру применяемых ОУ при построении
аппаратуры;
- минимизировать шумовые составляющие в выходном сигнале путем
согласования Rвх ОУ с Rвых датчика;
- с помощью ПОУ можно создавать схемы с уникальными характеристиками.
Токоразностные усилители (усилители Нортома). Токоразностные усилители (ТОУ) спроектированы специально для однополярного питания и используются в основном для усиления сигналов переменного тока. В отличие от классических ОУ они усиливают не дифференциальную разность напряжений, а разность входных токов.

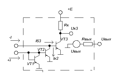
Рисунок 1.90 - Входные и выходные каскады ТОУ
ТОУ (рисунок 1.90) имеет два токовых входа: (I-,I+) с дифференциальной парой транзисторов VT1,VT2, включенных по схеме токового зеркала. Следовательно, транзисторы находятся в одинаковых режимах и Iк2 = I+. Тогда параметры схемы равны:
Iб3 = I- - I+ = ∆Iвх, (1.84)
∆Uк3 = ∆I вх· Rк ·β, (1.85)
Uвых = ∆I вх· Rк ·β ·m. (1.86)
где m - коэффициент передачи промежуточных каскадов ОУ,
β - коэффициент передачи тока базы транзистора.
Таким образом усиливается разность входных токов ∆I вх. Условное обозначение ТОУ приведено на рисунке 1.91

Рисунок 1.91 - Условное обозначение ТОУ
Этот усилитель схемотехнически проще, чем классическая, следовательно, степень интеграции выше, а стоимость ниже. Серийные ТОУ содержат 4 ОУ в одном корпусе.
Электрические параметры ТОУ по постоянному току имеет следующие данные:
Ко › 3· 104, Iз ≈ 10 …100 мкА, fт ≈ 2,5 …3,5 МГц,
Uсм≈ 5…10 мВ, Е = 3…30 В
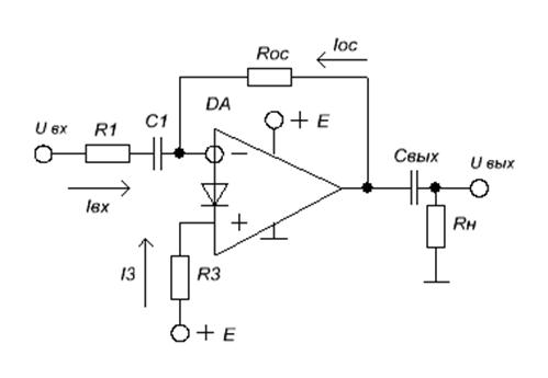
Основная схема включения ТОУ – инвертирующий усилитель по переменному току (рисунок 1.91).В инвертирующем включении ТОУ любое приращение входного тока во входной цепи может компенсироваться только по цепи ОС, т.е.
∆Iвх = ∆Iос, (1.87)
∆Uвых = ∆Iос·Rос, (1.88)
∆Uвх = ∆Iвх ·R1. (1.89)
Следовательно, коэффициент передачи такой схемы в полосе пропускания совпадает с классическим выражением:
Кобр. = - Rос / R 1. (1.90)
Режим работы входных каскадов ТОУ задается зеркальным током
Iз = (Е - UБЭ) / R3, (1.91)
Для того чтобы рассчитать ток Iос, необходимо задать рабочую точку выходного каскада. В большинстве случаев рабочая точка выходного каскада для обеспечения максимального динамического диапазона по выходу (+Е /2) задается в середине диапазона питания Uвых0 = Е/2. Тогда
Iос = (Е/2 – UБЭ) / Rос. (1.92)
Учитывая приведенные соотношения, получим:
Rос ≈ 0,5 R3, (1.93)

Рисунок 1.92 – Инвертирующее включение ТОУ