Определение, назначение, принцип работы и устройство контактора
Контакторы постоянного тока предназначены для коммутации цепей постоянного тока и, как правило, приводятся в действие электромагнитом постоянного тока.
Общие технические требования к контакторам и условия их работы регламентированы ГОСТ 11206—77. Ниже описываются категории применения современных контакторов и приводятся параметры коммутируемых ими цепей в зависимости от характера нагрузки.
Контакторы постоянного тока:
ДС-1 — активная или малоиндуктивная нагрузка.
ДС-2—пуск электродвигателей постоянного тока с параллельным возбуждением и их отключение при номинальной частоте вращения.
ДС-3—пуск электродвигателей с параллельным возбуждением и их отключение при неподвижном состоянии или медленном вращении ротора.
ДС-4—пуск электродвигателей с последовательным возбуждением и их отключение при номинальной частоте вращения.
ДС-5—пуск электродвигателей с последовательным возбуждением, отключение неподвижных или медленно вращающихся двигателей, торможение противотоком.
|
|
|
Общие требования к контакторам:
1.Высокая включающая и отключающая способность – не ниже 10Iном, а в отдельных случаях до 20Iном;
2. Длительная работа при большой частоте отключений;
3. Высокая коммутационная износостойкость – до 3 млн. циклов с учетом отключений пусковых токов;
4. Высокая механическая износостойкость;
5. Технологичность конструкции, малая масса и габариты;
6. Высокая надёжность в эксплуатации.
Для контакторов существует еще режим редких коммутаций, характеризуемый более тяжелыми условиями, чем при нормальных коммутациях. Такие режимы возникают довольно редко (например, при КЗ).
Основными техническими данными контакторов являются номинальный ток главных контактов, предельный отключаемый ток, номинальное напряжение коммутируемой цепи, механическая и коммутационная износостойкость, допустимое число включений в час, собственное время включения и отключения. Способность контактора, как и любого коммутационного аппарата, обеспечить работу при большом числе операций характеризуется износостойкостью.
Различают механическую и коммутационную износостойкость. Механическая износостойкость определяется числом циклов включение-отключение контактора без ремонта и замены его узлов и деталей. Ток в цепи при этом равен нулю. Механическая износостойкость современных контакторов составляет (10—20)106 операций.
Коммутационная износостойкость определяется таким числом включений и отключений цепи с током, после которого требуется замена контактов. Современные контакторы должны иметь коммутационную износостойкость порядка (2—3)106 операций (некоторые выпускаемые в настоящее время контакторы имеют коммутационную износостойкость 106 операций и менее).
|
|
|
Собственное время включения состоит из времени нарастания потока в электромагните контактора до значения потока трогания и времени движения якоря. Большая часть этого времени тратится на нарастание магнитного потока. Для контакторов постоянного тока с номинальным током 100 А собственное время включения составляет 0,14с, для контакторов с током 630 А оно увеличивается до 0,37с.
Собственное время отключения - время с момента обесточивания электромагнита контактора до момента размыкания его контактов. Оно определяется временем спада потока от установившегося значения до потока отпускания. Временем с начала движения якоря до момента размыкания контактов можно пренебречь. В контакторах постоянного тока с номинальным током 100 А собственное время отключения составляет 0,07, в контакторах с номинальным током 630 А — 0,23 с.
Номинальный ток контактора Iном представляет собой ток, который можно пропускать по замкнутым главным контактам в течение 8 часов без коммутаций, причем превышение температуры различных частей контактора не должно быть больше допустимого (прерывисто-продолжительный режим работы).
Номинальный рабочий ток контактора Iном.р - это допустимый ток через его замкнутые главные контакты в конкретных условиях применения. Так, например, номинальный рабочий ток Iном.р контактора для коммутации асинхронных двигателей с короткозамкнутым ротором выбирается из условий включения шестикратного пускового тока двигателя.
Номинальным напряжением называется наибольшее напряжение коммутируемой цепи, для работы при котором предназначен контактор. Коммутационная износостойкость главных контактов для категорий ДС-2, ДС-4 в режиме нормальных коммутаций должна быть не менее 0,1, а для категорий ДС-3 не менее 0,02 механической износостойкости. Вспомогательные контакты должны коммутировать цепи электромагнитов переменного тока, у которых пусковой ток может во много раз превышать установившийся.
Контактор имеет следующие основные узлы: контактную систему, дугогасительное устройство, электромагнит и систему вспомогательных контактов. При подаче напряжения на обмотку электромагнита контактора его якорь притягивается. Подвижный контакт, связанный с якорем электромагнита, замыкает или размыкает главную цепь. Дугогасительное устройство обеспечивает быстрое гашение дуги, благодаря чему достигается малый износ контактов. Система вспомогательных слаботочных контактов служит для согласования работы контактора с другими устройствами.
Контактная система. Контакты аппарата подвержены наиболее сильному электрическому и механическому износу ввиду большого числа операций в час и тяжелым условиям работы. С целью уменьшения износа преимущественное распространение получили линейные перекатывающиеся контакты.
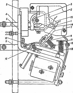
Для предотвращения вибраций контактов контактная пружина создает предварительное нажатие, равное примерно половине конечной силы нажатия. Большое влияние на вибрацию оказывает жесткость крепления неподвижного контакта и стойкость к вибрациям всего контактора в целом. В этом отношении очень удачна конструкция контактора серии КПВ-600 (рис.1). Неподвижный контакт 1 жестко прикреплен к скобе 2. Один конец дугогасительной катушки 3 присоединен к этой же скобе. Второй конец катушки вместе с выводом 4 надежно скреплен с изоляционным основанием из пластмассы 5. Последнее крепится к прочной стальной скобе 6, которая является основанием аппарата. Подвижный контакт 7 выполнен в виде толстой пластины. Нижний конец пластины имеет возможность поворачиваться относительно точки опоры 8. Благодаря этому пластина может перекатываться по сухарю неподвижного контакта 1. Вывод 9 соединяется с подвижным контактом 7 с помощью гибкого проводника (связи) 10. Контактное нажатие создается пружиной 12.
|
|
|
При износе контактов сухарь 1 заменяется новым, а пластина подвижного контакта поворачивается на 180° и неповрежденная сторона ее используется в работе.
Для уменьшения оплавления основных контактов дугой при токах более 50 А контактор имеет дугогасительные контакты — рога 2, 11. Под действием магнитного поля дугогасительного устройства опорные точки дуги быстро перемещаются на скобу 2, соединенную с неподвижным контактом 1, и на защитный рог подвижного контакта 11. Возврат якоря в начальное положение (после отключения магнита) производится пружиной 13.
Основным параметром контактора является номинальный ток, который определяет размеры контактора.

Рис.1. Контактор постоянного тока серии КПВ-600.
Характерной особенностью контакторов КПВ-600 и многих других типов является электрическое соединение вывода подвижного контакта с корпусом контактора. Во включенном положении контактора магнитопровод находится под напряжением. Даже в отключенном положении напряжение может оставаться на магнитопроводе и других деталях. Соприкосновение с магнитопроводом поэтому опасно для жизни.
Серия контакторов КПВ имеет исполнение с размыкающим главным контактом. Замыкание производится за счет действия пружины, а размыкание - за счет силы, развиваемой электромагнитом.
Номинальным током контактора называется ток прерывисто-продолжительного режима работы. При этом режиме работы контактор находится во включенном состоянии не более 8 ч. По истечении этого промежутка аппарат должен быть несколько раз включен и отключен (для зачистки контактов от окиси меди). После этого аппарат снова включается.
Если контактор располагается в шкафу, то номинальный ток понижается примерно на 10% из-за ухудшающихся условий охлаждения.
|
|
|
В продолжительном режиме работы, когда длительность непрерывного включения превышает 8 ч, допустимый ток контактора снижается примерно на 20%. В таком режиме из-за окисления медных контактов растет переходное сопротивление, что может привести к повышению температуры выше допустимой величины. Если контактор имеет небольшое число включений или вообще предназначен для длительного включения, то на рабочую поверхность контактов напаивается серебряная пластина. Серебряная облицовка позволяет сохранить допустимый ток контактора, равный номинальному току, и в режиме продолжительного включения. Если контактор наряду с режимом продолжительного включения используется в режиме повторно-кратковременного включения, применение серебряных накладок становится нецелесообразным, так как из-за малой механической прочности серебра происходит быстрый износ контактов.
Согласно рекомендациям завода допустимый ток повторно-кратковременного режима для контактора КПВ-600 определяется по формуле:
,
где п – число включений в час.
Необходимо отметить, что если при отключении в повторно-кратковременном режиме длительно горит дуга (отключается большая индуктивная нагрузка), то температура контактов может резко увеличиться за счет нагрева контактов дугой. В этом случае нагрев контактов в продолжительном режиме работы может быть меньше, чем в повторно-кратковременном режиме. Как правило, контактная система имеет один полюс.
Для реверса асинхронных двигателей при большой частоте включений в час (до 1200) применяется сдвоенная контактная система. В этих контакторах типа КТПВ-500, имеющих электромагнит постоянного тока, подвижные контакты изолированы от корпуса, что делает более безопасным обслуживание аппарата. На рис.2 показана схема включения контакторов для реверса асинхронных двигателей. По сравнению со схемой, имеющей однополюсные контакторы, схема рис.2 имеет большое преимущество. При неполадках и отказе одного контактора подается напряжение только на один зажим двигателя. В схеме с однополюсными контакторами отказ одного контактора ведет к возникновению тяжелого режима двухфазного питания двигателя.

Рис.2. Схема включения главных контактов контактора КТПВ-500
для реверса асинхронного двигателя.
Контакторы с двухполюсной контактной системой очень удобно использовать для закорачивания сопротивлений в цепи ротора асинхронного двигателя.
В контакторах типа КМВ-521 применяется также двухполюсная система. Эти контакторы предназначены для включения и отключения мощных электромагнитов приводов постоянного тока масляных выключателей. Наличие двухполюсной контактной системы, включенной в оба провода сети постоянного тока, обеспечивает надежное отключение индуктивной нагрузки.