Схемы замещения пассивных элементов
1)
|
|
3) реальный конденсатор

Идеальные источники энергии
1. идеальный источник ЭДС – источник, напряжение на зажимах которого не зависит от тока.

внешняя характеристика u
Ri – внутреннее сопротивление
источника Ri=0

i
2. идеальный источник тока – источник, ток которого не зависит от напряжения на его зажимах.


G(проводимость)=1/R Gi=0 u
Ri=¥
i
J
Основные законы электрических цепей
1. Закон Ома
а) для пассивного участка цепи:
u 12= iR; I=u12/R
б) для активного участка цепи:
j
|

- закон Ома для активного участка цепи с источником ЭДС

i+j=iR i=IR-j=
Обобщенный закон Ома для обобщенного участка цепи:
2. Законы Кирхгофа
1-й закон Кирхгофа:
1) Алгебраическая сумма токов в угле равна нулю.
Правило знаков: токи, втекающие в узел берутся со знаком «-», а вытекающие со знаком «+». ПРИМЕР: -i1-i2+i3+i4-i5-i6=0
2) Сумма токов втекающих в узел равна сумме токов из узла вытекающих:
ПРИМЕР: i1+i2+i5+i6=i3+i4


(согласное включение)
|
![]() |
UВd
- режим потребителя IR2>E2
|
КЗ
I
|
хх
Методы преобразования электрических цепей
1) Последовательное соединение элементов.
2) Параллельное соединение элементов.
3) Смешанное последовательно-параллельное соединение элементов.
4) Преобразование треугольника сопротивлений в звезду и наоборот.
5) Преобразование n – параллельных ветвей в одну.



Ji=Ei/Ri
Ji=EiGi

Jэ=å Ji =
Gэ=



EЭ=Jэ/Gэ=JэRэ
6) Перенос источника ЭДС.


Схемы эквивалентны. Проверка II – закона Кирхгофа, записанный для любого контура 1 и 2 схемы.
6) Перенос источника тока.


Методы анализа разветвленных цепей
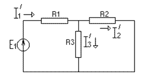
1. Метод непосредственного использования законов Кирхгофа.

Ветвей – 3; узлов – 2.
1) Количество уравнений, составляемых по закону Кирхгофа равно число ветвей минус число ветвей с источником тока: n=в-ви ви=0 => n=3
2) Произвольно указываем направление токов в ветвях.
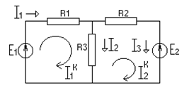
3) Число независимых уравнений, составляемых по I – закону Кирхгофа n1=y-1 –I1+I2+I3=0
4) Число независимых уравнений, составляемых по II закону Кирхгофа nII=n-nI => nII=2. Выбираем независимые контуры (контуры, включающие хотя бы одну новую ветвь). Произвольно указываем направление обхода контура. Записываем уравнение по второму закону Кирхгофа. I1R1+I3R3=E1;
I2R2-I3R3= -E2
5) Решаем систему уравнений, находим неизвестные токи. Если значение токов получилось отрицательным, то на схеме меняем его направление на противоположное.
Метод наложения
(рекомендуется применять для цепей с малым количеством источников 2¸3)
Считаем, что каждый источник действует независимо от других. Рассчитываем токи, вызванные действием каждого источника в отдельности (частичные токи). Результирующий ток определяется как алгебраическая сумма частичных токов.




; 
; 
;
;

Метод контурных токов
Количество уравнений по этому методу равно числу уравнений, составляемых по II - закону Кирхгофа.
Nкт=NII=N-NI. Контурные токи – расчетные токи, текущие по всем ветвям выбранного контура. Действительные токи в ветвях находятся как алгебраическая сумма контурных токов. Направление контурных токов и направление обхода контура выбирается произвольно. Для каждого контура записывается уравнение по II – закону Кирхгофа.




D - главный определитель системы уравнений.
DnK – алгебраическое дополнение определителей, которое получается вычеркиванием n – ой строки, к – го столбца и умножением полученного минора на (-1)п+К.
;
;
.
Метод узловых потенциалов
Используется для цепей с большим количеством ветвей и малым количеством узлов. Число уравнений по этому методу, равно числу уравнений, составляемых по I – закону Кирхгофа.
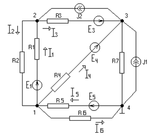
пуп=у- 1=3; j4=3;
Записываем уравнение по I – закону Кирхгофа. Для 1, 2, 3 узлов:
«1» -I2+I1+I4-I5+I6=0
«2» -I1+I2+I3-J2=0 (1)
«3» J2-I3-I4+I7-J1=0
Каждый ток расписываем по обобщенному закону Ома: I1=(j1-j2+E1)G1; I2=(j2-j1)G2; I3=(j2-j3+E3)G3; I4=(j1-j3-E4); I5=(-j1+E5)G5; I6=j1G6; I7=j3G7.
Подставляем токи из системы 2 в систему 1. Раскрывая скобки, приводим подобные и получаем следующую систему.
|
Gпк – сумма проводимостей ветвей, соединяющих п – й и к – й узел, взятая со знаком «-». G12=G21=-(1/R1+1/R2); G23=G32=-(+1/R3); G13=G31=-1/R4.
Inn – узловой ток. Равен алгебраической сумме произведений ЭДС на проводимость ветви и сумме токов источников тока.
«+» ставится, если ЭДС или источник тока направлен к п – му узлу.
I11=-E1G1+E4G4+E5G5; I22=J2-E3G3+E1G1; I33=J1-J2+E3G3-E4G4
Входные и взаимные проводимости ветвей
В цепи только один источник, выделяем ветвь с источником.

;
- контурные токи.
;
- взаимная провод. к-й и i-й ветви.
Физический смысл: входная проводимость численно равна току в этой ветви, если в эту же ветвь включен источник, ЭДС которого равен 1В (т.е. это реакция ветви на включение одного источника ЭДС).
Gki – численно равна току в к – й ветви, если в i – ю ветвь включен источник, ЭДС которого равен 1В.
Теорема обратимости
Ток в к – й ветви, вызываемый действием ЭДС, находящейся в i – й ветви, будет равен току в i – й ветви, если этот источник будет находиться в к – й ветви. Ii=GiiEi Ik(1)=GkiEi.

Ei=Ek; Ik=EkGkk; Ii(2)=EkGik=EiGik
, т.к. Gki=Gik
Реакция на источник будет одинакова.
Теорема компенсации
В электрической цепи без изменения величины тока можно заменить сопротивление эквивалентным источником ЭДС, направление которого противоположно направлению тока т.е.

|
|
2) IR=E-E1
IR=E-IR1
Метод эквивалентного генератора
(метод эквивалентного источника, метод активного двухполюсника, метод холостого хода хх и короткого замыкания кз)
Рекомендуется использовать, если необходимо рассчитать ток только в одной ветви.
Ток в выделенной ветви численно равен отношению напряжения холостого хода этой ветви к сумме сопротивлений ветви и входного сопротивления двухполюсника со стороны выделенной ветви.
![]() |
Используем метод наложения и заменяя схему двумя.
![]() |
I’=0 (источник компенсировал напряжение на зажимах активного двухполюсника)
I=I’+I”=I”;
.

|
Замечание: 1) U авхх - напряжение между точками а и в в режиме хх данной ветви (Ix=0) 2) При определении Rbxab источники *** дитируются и в схеме остаются только их внутренние сопротивления.









