Расчет характеристик каскада в области нижних частот (или больших времен)
Расчет характеристик выходного каскада в области верхних частот (или малых времен)
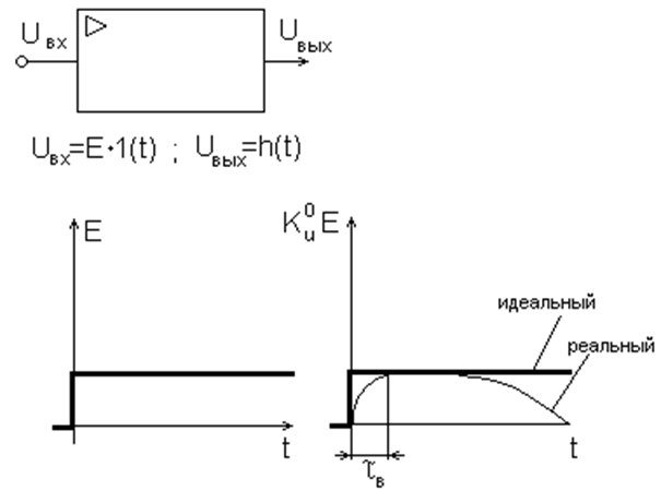
Для идеального:
Для реального:

При усилении импульсного сигнала искажения состоят в следующем:
1) Искажения в области малых времен: 0<t<<tн

Искажения состоят в том, что нарастание перепада напряжения происходит не мгновенно, а с затягиванием во времени.
Это затягивание определяется величиной tВ.
Чем меньше tВ, тем меньше длительность фронта перепада напряжения.
2) Искажения в области больших времен:
(t>>tВ)
Состоят в том, что вместо постоянного сигнала на выходе мы получаем сигнал спадающий по величине во времени.

![]() |
tн – характеризует скорость спада.
При усилении одиночного импульса наблюдаются следующие искажения:







